Cos'è ElectroYou | Login Iscriviti

ElectroYou - la comunità dei professionisti del mondo elettrico

Esercizio transitorio

Circuiti, campi elettromagnetici e teoria delle linee di trasmissione e distribuzione dell’energia elettrica

Moderatori: Foto Utenteg.schgor, Foto UtenteIsidoroKZ

0
voti

[1] Esercizio transitorio

Messaggioda Foto Utenteantonio87 » 6 giu 2012, 9:32

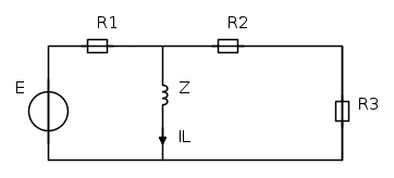
Buongiorno a tutti! L'esercizio che vi posto di seguito è uscito nell'ultima finestra d'esame e tuttora non sono riuscito a risolverlo. Devo determinare la corrente sull'induttore sia per t<0 che per t>0 sapendo che l'interruttore S si apre in t=0



R_{1}=R_{2}=5\Omega
R_{3}=10\Omega
L=2mH
I=30A
e(t)=\sqrt{2}*220*sin (2\pi ft)
f=50 Hz

Ho incontrato difficoltà con t<0. Allora vi spiego un po' come ho fatto.
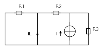
Applico la sovrapposizione degli effetti, spegnendo prima I sostituendolo con un circuito aperto e poi e(t) sostituendolo con un corto circuito.
Nel primo caso passo al dominio dei fasori. Mi calcolo la corrente nel ramo 1 applico il partitore per trovarmi la iL dovuta da e(t) poi nel secondo caso sono in regime stazionario per cui L diventa un corto circuito e applico il partitore per calcolarmi la corrente li. Va bene come ragionamento??
Avatar utente
Foto Utenteantonio87
8 2
 
Messaggi: 17
Iscritto il: 4 apr 2012, 16:54

0
voti

[2] Re: Esercizio transitorio

Messaggioda Foto Utenteildoghy » 6 giu 2012, 12:07

Giustamente devi applicare la sovrapposizione degli effetti e sommare le due correnti trovate nel dominio del tempo. Aprendo il generatore di corrente ottieni due maglie per le quali puoi scrivere le relative equazioni. Una volta cortocircuitato il generatore di tensione, io trasformerei il generatore di corrente nell'equivalente di tensione. In questo modo, dato che l'induttanza cortocircuita la resistenza R_1 hai una sola maglia, per cui la corrente dovrebbe essere facilmente calcolabile.
Avatar utente
Foto Utenteildoghy
199 2 7
Frequentatore
Frequentatore
 
Messaggi: 148
Iscritto il: 12 mar 2010, 21:44

0
voti

[3] Re: Esercizio transitorio

Messaggioda Foto Utenteantonio87 » 6 giu 2012, 12:17

scusa ma quando cortocircuito il generatore di tensione, anche L diventa un cortocircuito perché siamo in regime stazionare. La corrente iL non è proprio I ????

sicuramente ho detto una cavolata ma purtroppo ho iniziato a studiarla da poco :oops:

spero che mi aiuterete a risolverlo o per lo meno a ragionarci su
Avatar utente
Foto Utenteantonio87
8 2
 
Messaggi: 17
Iscritto il: 4 apr 2012, 16:54

1
voti

[4] Re: Esercizio transitorio

Messaggioda Foto UtenteLele_u_biddrazzu » 6 giu 2012, 12:23

antonio87 ha scritto:scusa ma quando cortocircuito il generatore di tensione, anche L diventa un cortocircuito perché siamo in regime stazionare. La corrente iL non è proprio I ????...

Direi di no... applica il partitore di corrente e facci vedere il risultato ;-)
Emanuele Lorina

- Chi lotta contro i mostri deve fare attenzione a non diventare lui stesso un mostro. E se tu riguarderai a lungo in un abisso, anche l'abisso vorrà guardare dentro di te (F. Nietzsche)
- Tavole della legge by admin
Avatar utente
Foto UtenteLele_u_biddrazzu
8.154 3 8 13
Master EY
Master EY
 
Messaggi: 1288
Iscritto il: 23 gen 2007, 16:13
Località: Modena

0
voti

[5] Re: Esercizio transitorio

Messaggioda Foto Utenteantonio87 » 6 giu 2012, 12:31

La situazione quando spengo e(t) è questa



I_{L}= I \frac{R_{a}}{R_{1}+R_{a}}
con Ra uguale al parallelo tra R2 e R3

fatto bene?
Avatar utente
Foto Utenteantonio87
8 2
 
Messaggi: 17
Iscritto il: 4 apr 2012, 16:54

1
voti

[6] Re: Esercizio transitorio

Messaggioda Foto UtenteLele_u_biddrazzu » 6 giu 2012, 12:35

No :!: Il risultato dovrebbe essere I_L = \frac{R_3}{R_2+R_3}\,I.
Emanuele Lorina

- Chi lotta contro i mostri deve fare attenzione a non diventare lui stesso un mostro. E se tu riguarderai a lungo in un abisso, anche l'abisso vorrà guardare dentro di te (F. Nietzsche)
- Tavole della legge by admin
Avatar utente
Foto UtenteLele_u_biddrazzu
8.154 3 8 13
Master EY
Master EY
 
Messaggi: 1288
Iscritto il: 23 gen 2007, 16:13
Località: Modena

0
voti

[7] Re: Esercizio transitorio

Messaggioda Foto Utenteantonio87 » 6 giu 2012, 12:39

ah ecco!! mi devo rivedere il partitore allora :-)
Avatar utente
Foto Utenteantonio87
8 2
 
Messaggi: 17
Iscritto il: 4 apr 2012, 16:54

0
voti

[8] Re: Esercizio transitorio

Messaggioda Foto Utenteantonio87 » 6 giu 2012, 12:43

Invece quando spengo I mi metto nel dominio dei fasori e il circuito diventa questo



{\bar{I_{L}}}=(\frac{\bar{E}}{R_{1}})\frac{R_{2}+R_{3}}{R_{2}+R_{3}+\dot{Z}}
Avatar utente
Foto Utenteantonio87
8 2
 
Messaggi: 17
Iscritto il: 4 apr 2012, 16:54

1
voti

[9] Re: Esercizio transitorio

Messaggioda Foto UtenteLele_u_biddrazzu » 6 giu 2012, 12:50

Non mi sembra corretto... il risultato dovrebbe essere questo \dot{I}_{L}=\frac{\frac{R_{1}\left(R_{2}+R_{3}\right)}{R_{1}+R_{2}+R_{3}}}{\frac{R_{1}\left(R_{2}+R_{3}\right)}{R_{1}+R_{2}+R_{3}}+\text{j}\omega L}\,\frac{\dot{E}}{R_{1}}
Emanuele Lorina

- Chi lotta contro i mostri deve fare attenzione a non diventare lui stesso un mostro. E se tu riguarderai a lungo in un abisso, anche l'abisso vorrà guardare dentro di te (F. Nietzsche)
- Tavole della legge by admin
Avatar utente
Foto UtenteLele_u_biddrazzu
8.154 3 8 13
Master EY
Master EY
 
Messaggi: 1288
Iscritto il: 23 gen 2007, 16:13
Località: Modena

0
voti

[10] Re: Esercizio transitorio

Messaggioda Foto Utenteantonio87 » 6 giu 2012, 12:54

sei sicuro che va fatto il parallelo tra R1 e le altre due resistenze??

la corrente I1 si ripartisce nei due rami quindi pensavo che R1 non c'entrasse nella formula del partitore
Avatar utente
Foto Utenteantonio87
8 2
 
Messaggi: 17
Iscritto il: 4 apr 2012, 16:54

Prossimo

Torna a Elettrotecnica generale

Chi c’è in linea

Visitano il forum: Nessuno e 36 ospiti