Led a ritmo di musica ( a 12V per macchina)
Moderatore:
IsidoroKZ
41 messaggi
• Pagina 4 di 5 • 1, 2, 3, 4, 5
0
voti
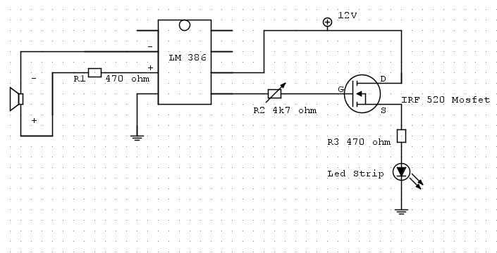
Ecco lo schema :)
Chi mi può aiutare..?? :'(
P.S. La vera rappresentazione del mosfet non l'avevo trovata...
Chi mi può aiutare..?? :'(
P.S. La vera rappresentazione del mosfet non l'avevo trovata...
0
voti
Se disegni lo schema in FidocadJ e poi lo posti come immagine, non serve a niente perche' non permetti agli altri di interagire con il disegno.
Se tu avessi letto fino in fondo le istruzioni e postato lo schema correttamente, sarei potuto intervenire direttamente sullo schema correggendo il tuo errore; cosi', invece, dovrei spiegartelo a parole o disegnare di nuovo lo schema.
Se tu avessi letto fino in fondo le istruzioni e postato lo schema correttamente, sarei potuto intervenire direttamente sullo schema correggendo il tuo errore; cosi', invece, dovrei spiegartelo a parole o disegnare di nuovo lo schema.
marco
1
voti
sk8boost ha scritto:2 Ampere Cinesi :)
E come hai effettuato la misura con un metro cinese?
Se non dai risposte esaurienti il tuo circuito non vedra' la fine.

marco
3
voti
-1
voti
marco438 ha scritto:sk8boost ha scritto:2 Ampere Cinesi :)
E come hai effettuato la misura con un metro cinese?
Se non dai risposte esaurienti il tuo circuito non vedra' la fine.
Adoro le robe cinesii :)... soprattutto se sono tue
0
voti
sk8boost ha scritto:Adoro le robe cinesii :)... soprattutto se sono tue...!!!
![]()
![]()
![]()
Vedo che hai solo voglia di scherzare e non di applicarti come invece dovresti.
Se volevi essere spiritoso non ci sei riuscito perche' questa tua frase non si capisce dove voglia andare a parare.

marco
-1
voti
madò sei così permaloso :)... io cerco componenti migliori e scrivo qui per avere un aiuto :).. ma se non vuoi aiutarmi non sei costretto :)
0
voti
sk8boost ha scritto:madò sei così permaloso :)... io cerco componenti migliori e scrivo qui per avere un aiuto :).. ma se non vuoi aiutarmi non sei costretto :)
Tu non cerchi "componenti migliori" cerchi solo qualcuno che realizzi per te quel circuito improbabile che hai trovato sul web.
Hai proposto uno schema che ha piu' errori che componenti e quando ti ho chiesto per la seconda volta il valore di assorbimento dei led invece di rispondere correttamente ti sei messo a giocare.
Se questo ti sembra un atteggiamento corretto.............
In una cosa hai perfettamente ragione ed e' che non sono costretto ad aiutarti, quindi

marco
41 messaggi
• Pagina 4 di 5 • 1, 2, 3, 4, 5
Torna a Elettronica e spettacolo
Chi c’è in linea
Visitano il forum: Nessuno e 8 ospiti

Elettrotecnica e non solo (admin)
Un gatto tra gli elettroni (IsidoroKZ)
Esperienza e simulazioni (g.schgor)
Moleskine di un idraulico (RenzoDF)
Il Blog di ElectroYou (webmaster)
Idee microcontrollate (TardoFreak)
PICcoli grandi PICMicro (Paolino)
Il blog elettrico di carloc (carloc)
DirtEYblooog (dirtydeeds)
Di tutto... un po' (jordan20)
AK47 (lillo)
Esperienze elettroniche (marco438)
Telecomunicazioni musicali (clavicordo)
Automazione ed Elettronica (gustavo)
Direttive per la sicurezza (ErnestoCappelletti)
EYnfo dall'Alaska (mir)
Apriamo il quadro! (attilio)
H7-25 (asdf)
Passione Elettrica (massimob)
Elettroni a spasso (guidob)
Bloguerra (guerra)




