Circuiti, campi elettromagnetici e teoria delle linee di trasmissione e distribuzione dell’energia elettrica
Moderatori:
g.schgor,
IsidoroKZ
da
tino20 » 7 giu 2012, 10:27
Salve,
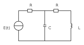
dato il seguente circuito RLC
nel libro trovo scritto che una delle relazioni costitutive è:

quello che non capisco è la presenza del termine

potreste illuminarmi?
-

tino20
5 5
- New entry

-
- Messaggi: 72
- Iscritto il: 13 lug 2011, 13:40
da
Lele_u_biddrazzu » 7 giu 2012, 10:32
Premesso che dovresti specificare i versi convenzionali delle grandezze in gioco, credo che la riposta risieda nel fatto che il generatore reale di tensione sia stato trasformato in quello di corrente equivalente.
Emanuele Lorina
-
Chi lotta contro i mostri deve fare attenzione a non diventare lui stesso un mostro. E se tu riguarderai a lungo in un abisso, anche l'abisso vorrà guardare dentro di te (F. Nietzsche)
-
Tavole della legge by admin
-

Lele_u_biddrazzu
8.154
3
8
13
- Master EY

-
- Messaggi: 1288
- Iscritto il: 23 gen 2007, 16:13
- Località: Modena
da
Lele_u_biddrazzu » 7 giu 2012, 10:39
Il motivo non posso saperlo dato che non hai postato il testo dell'esercizio

Emanuele Lorina
-
Chi lotta contro i mostri deve fare attenzione a non diventare lui stesso un mostro. E se tu riguarderai a lungo in un abisso, anche l'abisso vorrà guardare dentro di te (F. Nietzsche)
-
Tavole della legge by admin
-

Lele_u_biddrazzu
8.154
3
8
13
- Master EY

-
- Messaggi: 1288
- Iscritto il: 23 gen 2007, 16:13
- Località: Modena
da
RenzoDF » 7 giu 2012, 11:35
tino20 ha scritto:E' un esempio in cui si spiega come arrivare all'equazione differenziale del secondo ordine, quindi non chiede di calcolare qualcosa in particolare
L'equazione differenziale dovrà essere per forza essere ricavata per una
particolare grandezza obiettivo.
"Il circuito ha sempre ragione" (Luigi Malesani)
-

RenzoDF
55,9k
8
12
13
- G.Master EY

-
- Messaggi: 13189
- Iscritto il: 4 ott 2008, 9:55
da
RenzoDF » 7 giu 2012, 11:37
tino20 ha scritto:Quello che ho messo io a quanto ne so...
Ah interessante ... e per i generatori di corrente che simbolo usate?
"Il circuito ha sempre ragione" (Luigi Malesani)
-

RenzoDF
55,9k
8
12
13
- G.Master EY

-
- Messaggi: 13189
- Iscritto il: 4 ott 2008, 9:55
Torna a Elettrotecnica generale
Chi c’è in linea
Visitano il forum: Nessuno e 30 ospiti