Cos'è ElectroYou | Login Iscriviti

ElectroYou - la comunità dei professionisti del mondo elettrico

Pic16f877A per cubo led

Tipologie, strumenti di sviluppo, hardware e progetti

Moderatore: Foto UtentePaolino

1
voti

[21] Re: Pic16f877A per cubo led

Messaggioda Foto UtenteDarwinNE » 6 giu 2012, 23:48

Foto Utentepiccoli, per quanto riguarda l'uso di FidoCAD, il problema è che hai incluso il disegno come immagine (credo da una copia da schermo, perché nell'esportazione non si vedrebbe la griglia).
Ora, un'immagine è difficilmente modificabile e altri faranno fatica a correggerti il circuito, da qui la richiesta di cambiare tecnica.
Se segui le istruzioni indicate qui, vedrai che c'è un modo molto più comodo per inserire i disegni nel forum, con un semplice copia/incolla degli elementi grafici, aggiungendo solo qualche etichetta:

http://www.electroyou.it/elettrodomus/w ... -per-tonni

FidoCadJ è compatibile al 98% con il vecchio FidoCAD, quindi dovresti poter riprendere (e correggere) il disegno che hai già fatto, sarà interpretato correttamente dal forum.

Per le differenze fra FidoCAD per Windows e FidoCadJ, vedi qui:

http://www.electroyou.it/darwinne/wiki/ ... e_FidoCadJ
Follow me on Mastodon: @davbucci@mastodon.sdf.org
Avatar utente
Foto UtenteDarwinNE
31,0k 7 11 13
G.Master EY
G.Master EY
 
Messaggi: 4420
Iscritto il: 18 apr 2010, 9:32
Località: Grenoble - France

0
voti

[22] Re: Pic16f877A per cubo led

Messaggioda Foto Utentepiccoli » 7 giu 2012, 11:38


seguendo la guida dovrebbe uscire in questo modo giusto? :D
Avatar utente
Foto Utentepiccoli
5 1 4
New entry
New entry
 
Messaggi: 89
Iscritto il: 27 mag 2012, 17:37

1
voti

[23] Re: Pic16f877A per cubo led

Messaggioda Foto UtentePaolino » 7 giu 2012, 11:54

Dai, il disegno è visibile! :D :ok:
Mi è venuto un dubbio e cioè che il tuo povero PIC16877A sia passato a miglior vita, se l'alimentazione che gli hai fornito ha superato i limiti tollerati per un tempo sufficientemente lungo...
Fammi sapere quando hai corretto la scheda.

Ciao.

Paolo.
"Houston, Tranquillity Base here. The Eagle has landed." - Neil A.Armstrong

-------------------------------------------------------------

PIC Experience - http://www.picexperience.it
Avatar utente
Foto UtentePaolino
32,6k 8 12 13
G.Master EY
G.Master EY
 
Messaggi: 4226
Iscritto il: 20 gen 2006, 11:42
Località: Vigevano (PV)

0
voti

[24] Re: Pic16f877A per cubo led

Messaggioda Foto Utentepiccoli » 7 giu 2012, 15:08

Quindi tu dici che ho danneggiato il PIC #-o
Mi sa che hai ragione anche facendo le dovute modifiche nn si accende niente T_T
Avatar utente
Foto Utentepiccoli
5 1 4
New entry
New entry
 
Messaggi: 89
Iscritto il: 27 mag 2012, 17:37

1
voti

[25] Re: Pic16f877A per cubo led

Messaggioda Foto UtentePaolino » 7 giu 2012, 15:13

Riesci a sostituirlo? Il PIC è su zoccolo? Se sì, prima di montarlo, dovresti misurare le tensioni sui pin di alimentazione per assicurarti che tutto sia in regola.

Ciao.

Paolo.
"Houston, Tranquillity Base here. The Eagle has landed." - Neil A.Armstrong

-------------------------------------------------------------

PIC Experience - http://www.picexperience.it
Avatar utente
Foto UtentePaolino
32,6k 8 12 13
G.Master EY
G.Master EY
 
Messaggi: 4226
Iscritto il: 20 gen 2006, 11:42
Località: Vigevano (PV)

0
voti

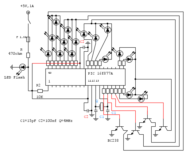
[26] Re: Pic16f877A per cubo led

Messaggioda Foto Utentepiccoli » 7 giu 2012, 17:48

Si il PIC e sullo zoccolo ps:se lo zoccolo e al contrario ci possono essere dei problemi? penso di no ma potrei sbagliarmi
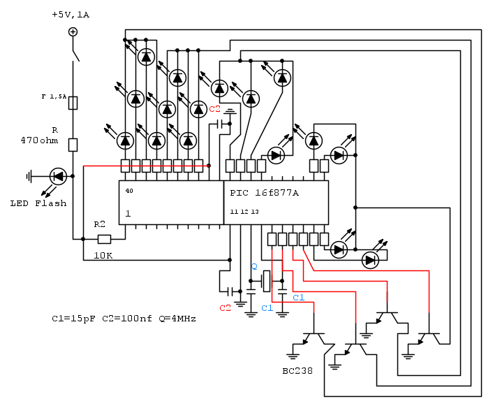
comunque ecco +o- come il circuito

Le resistenze sono tutte da 470ohm tranne R2 tutti i led sono FLASH e i transistor sono tutti BC238
Avatar utente
Foto Utentepiccoli
5 1 4
New entry
New entry
 
Messaggi: 89
Iscritto il: 27 mag 2012, 17:37

1
voti

[27] Re: Pic16f877A per cubo led

Messaggioda Foto UtentePaolino » 7 giu 2012, 21:58

piccoli ha scritto:Si il PIC e sullo zoccolo ps:se lo zoccolo e al contrario ci possono essere dei problemi? penso di no ma potrei sbagliarmi

Altro che, se ci possono essere dei problemi! Non devi montare il PIC ruotato di 180°! [-X
Lo scassi definitivamente. Fai coincidere la tacca del PIC con quella dello zoccolo.

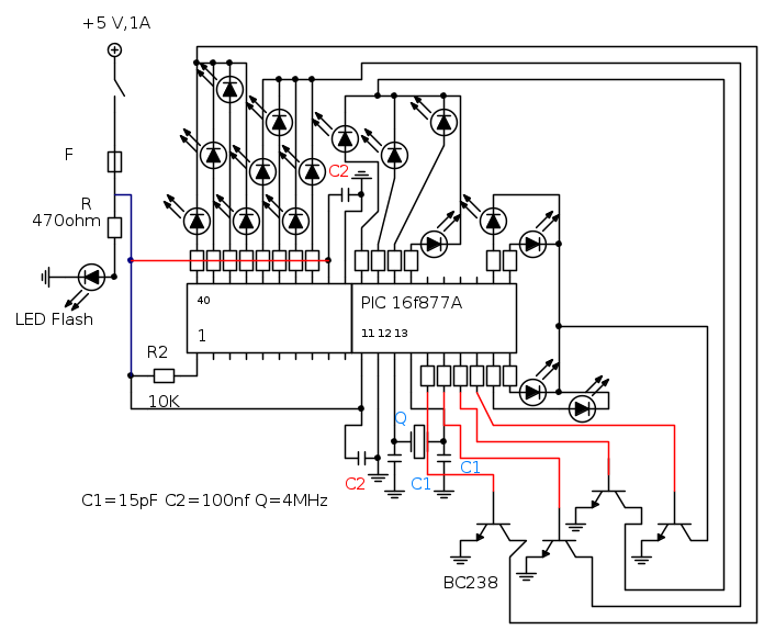
Mi sono permesso di modificare ancora una volta lo schema, spostando il punto di presa della tensione da +5V a monte della resistenza R e dopo il fusibile (vedi tratto in blu). A proposito: un fusibile da 1.5A secondo me è troppo! Ora, se vuoi che intervenga proteggendo il tuo circuito e l'alimentatore, dovrai ridurne il valore ad un limite accettabile in base all'assorbimento in condizioni nominali.

Un'altra possibile correzione è quella di ridurre il valore delle resistenze in serie ai LED. Può darsi che con 220ohm i LED si accendano bene comunque.

Ad ogni modo, ecco lo schema:



A questo punto la palla è di nuovo nel tuo campo; dovrai dire se:
1. puoi modificare la scheda secondo lo schema?
2. disponi di un PIC per eventualmente sostituire quello che ipotizziamo sia bruciato?
3. sei disposto a scrivere un codice di test per vedere se funziona tutto correttamente?
4. puoi allegare l'immagine dei valori dei CONFIGURATION BIT che usi per quel progetto?

Aspetto le tue risposte.

Ciao.

Paolo.
"Houston, Tranquillity Base here. The Eagle has landed." - Neil A.Armstrong

-------------------------------------------------------------

PIC Experience - http://www.picexperience.it
Avatar utente
Foto UtentePaolino
32,6k 8 12 13
G.Master EY
G.Master EY
 
Messaggi: 4226
Iscritto il: 20 gen 2006, 11:42
Località: Vigevano (PV)

0
voti

[28] Re: Pic16f877A per cubo led

Messaggioda Foto Utentepiccoli » 8 giu 2012, 0:47

Riassumendo, devo:
1 modificare il collegamento per il pin mclr.
2 ruotare lo zoccolo, ma vorrei evitare di dissaldare e saldare quindi preferirei prendere un altro zoccolo che ho di scorta e collegarlo da un'altra millefori (ps:uso la millefori per il circuito) ai pin del precedente.
3 Controllare le tensioni sui pin, vedere se sono giuste e poi collegare il PIC.
comunque sarebbe possibile alimentare questo PIC a 12v? 5v sarebbero gli ideali ma volevo sapere se posso alimentarlo a 12
Avatar utente
Foto Utentepiccoli
5 1 4
New entry
New entry
 
Messaggi: 89
Iscritto il: 27 mag 2012, 17:37

1
voti

[29] Re: Pic16f877A per cubo led

Messaggioda Foto UtenteTardoFreak » 8 giu 2012, 11:00

Neanche per sogno!

Da dove arriva l' idea che il micro può funzionare a 12V?
Dove hai mai letto che un PIC può funzionare a 12V?
L' hai letto il datasheet?
Cosa dice il datasheet sulla tensione di alimentazione?
Quali sono i volaori minimi e massimi?
qual è l' absolute maximum rating sulla Vcc?
Pensi di poter fare qualcosa senza avere sott' occhio il datasheet?
"La follia sta nel fare sempre la stessa cosa aspettandosi risultati diversi".
"Parla soltanto quando sei sicuro che quello che dirai è più bello del silenzio".
Rispondere è cortesia, ma lasciare l'ultima parola ai cretini è arte.
Avatar utente
Foto UtenteTardoFreak
73,9k 8 12 13
-EY Legend-
-EY Legend-
 
Messaggi: 15754
Iscritto il: 16 dic 2009, 11:10
Località: Torino - 3° pianeta del Sistema Solare

1
voti

[30] Re: Pic16f877A per cubo led

Messaggioda Foto UtentePaolino » 8 giu 2012, 20:54

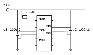
COme dice Foto UtenteTardoFreak, no! Non si può alimentare il PIC direttamente con 12V.
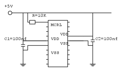
Nel post [19] ti avevo mostrato questo circuito:


Se introduci un 7805, allora va tutto bene!

Aggiungo un'altra cosa. Secondo me stai utilizzando male i LED ed i transistor, ma possiamo riparlarne. Lo schema lo hai disegnato tu o lo hai "preso in prestito"? Non capisco infatti perché hai deciso di usare i LED in quel modo, ma potrei anche sbagliare.

Ciao.

Paolo.

P.S. Hai scaricato e letto il datasheet del PIC? Se no, è ora di farlo. E subito ;-)
"Houston, Tranquillity Base here. The Eagle has landed." - Neil A.Armstrong

-------------------------------------------------------------

PIC Experience - http://www.picexperience.it
Avatar utente
Foto UtentePaolino
32,6k 8 12 13
G.Master EY
G.Master EY
 
Messaggi: 4226
Iscritto il: 20 gen 2006, 11:42
Località: Vigevano (PV)

PrecedenteProssimo

Torna a Realizzazioni, interfacciamento e nozioni generali.

Chi c’è in linea

Visitano il forum: Google [Bot] e 10 ospiti