Cos'è ElectroYou | Login Iscriviti

ElectroYou - la comunità dei professionisti del mondo elettrico

vu meter led

hi-fi, luci, suoni, effetti speciali, palcoscenici...

Moderatore: Foto UtenteIsidoroKZ

0
voti

[21] Re: vu meter led

Messaggioda Foto Utentedimitri94 » 8 giu 2012, 14:34

quando l avevo provato io si era funzionante (su breadboard) poi l' ho realizzato e dato al mio amico quindi non so... :mrgreen: hihihi
e infatti ho notato che sul datasheet c' è lo schema ed è effettivamente diverso dal mio... :?
in tutta sincerità non mi ricordo proprio dove allora avevo preso il circuito e se mi ero effettivamente attenuto scrupolosamente al disegno...
ad ogni modo meglio cosi che abbia perso gli schemi almeno evito di confondermi le idee... :mrgreen:
...dici che sarebbe meglio usare quello del datasheet che è di sicuro piu affidabile... :-)
O_/
Avatar utente
Foto Utentedimitri94
113 5 7
Sostenitore
Sostenitore
 
Messaggi: 515
Iscritto il: 10 gen 2012, 20:46

0
voti

[22] Re: vu meter led

Messaggioda Foto Utentemarco438 » 8 giu 2012, 14:36

Io penso sia la cosa migliore da fare ad evitare spiacevoli sorprese future.
Anzi, gia' che ci sei e se non lo hai gia' comprato, fallo con LM3915 o 3916 che, trattandosi di un VUmeter, sono piu' indicati.
marco
Avatar utente
Foto Utentemarco438
37,1k 7 11 13
-EY Legend-
-EY Legend-
 
Messaggi: 16323
Iscritto il: 24 mar 2010, 15:09
Località: Versilia

0
voti

[23] Re: vu meter led

Messaggioda Foto Utentedimitri94 » 8 giu 2012, 15:13

seguirò il tuo consiglio... :ok: io devo fare un ordine da un sito e sulla parte del 3915 c è scritto:
DOT/BAR DISPLAY DRIVER LOGARITHMIC... è giusto..?
poi mi è venuto un infarto quando ho visto il prezzo... 3,52€ ciascuno... :shock: :shock:
Avatar utente
Foto Utentedimitri94
113 5 7
Sostenitore
Sostenitore
 
Messaggi: 515
Iscritto il: 10 gen 2012, 20:46

1
voti

[24] Re: vu meter led

Messaggioda Foto Utentemarco438 » 8 giu 2012, 16:47

Un po' caro il tuo fornitore; di solito si prendono con 2.5 euro (a Hong Kong anche meno).
Comunque, visto che lo devi comprare, prendi il 3916 che, per l'aplicazione e' il piu' indicato e poi segui le istruzioni del suo datasheet.
Anzi, quando hai un po' di tempo (tanto devi aspettare che ti arrivi il componente) butta giu' uno schema in Fidocadj.
marco
Avatar utente
Foto Utentemarco438
37,1k 7 11 13
-EY Legend-
-EY Legend-
 
Messaggi: 16323
Iscritto il: 24 mar 2010, 15:09
Località: Versilia

0
voti

[25] Re: vu meter led

Messaggioda Foto Utentedimitri94 » 8 giu 2012, 17:09

però da dove compro la roba non ce l' ha il 3916... solo il 3914 e il 3915...
qual è meglio..? :-)
Avatar utente
Foto Utentedimitri94
113 5 7
Sostenitore
Sostenitore
 
Messaggi: 515
Iscritto il: 10 gen 2012, 20:46

0
voti

[26] Re: vu meter led

Messaggioda Foto Utentemarco438 » 8 giu 2012, 17:25

Se non puoi fare diversamente prendi il 3915; il 3916, pero', sarebbe meglio.
marco
Avatar utente
Foto Utentemarco438
37,1k 7 11 13
-EY Legend-
-EY Legend-
 
Messaggi: 16323
Iscritto il: 24 mar 2010, 15:09
Località: Versilia

0
voti

[27] Re: vu meter led

Messaggioda Foto Utentedimitri94 » 8 giu 2012, 17:57

provo a vedere se in negozio ce l' hanno altrim dovro prenderlo con l ordine... peccato che lo posso fare solo dopo il 20... :?
pfffff...
fino ad allora dovrò dedicarmi ad altro... :-)
nel mentre butto poi giu lo schema in fidocad, magari domani che sono libero... :mrgreen:
O_/
Avatar utente
Foto Utentedimitri94
113 5 7
Sostenitore
Sostenitore
 
Messaggi: 515
Iscritto il: 10 gen 2012, 20:46

0
voti

[28] Re: vu meter led

Messaggioda Foto Utentemarco438 » 8 giu 2012, 17:58

:ok:
marco
Avatar utente
Foto Utentemarco438
37,1k 7 11 13
-EY Legend-
-EY Legend-
 
Messaggi: 16323
Iscritto il: 24 mar 2010, 15:09
Località: Versilia

0
voti

[29] Re: vu meter led

Messaggioda Foto Utentedimitri94 » 25 giu 2012, 15:11

scusa il ritardo mi ero dimenticato di questo argomento... :mrgreen:
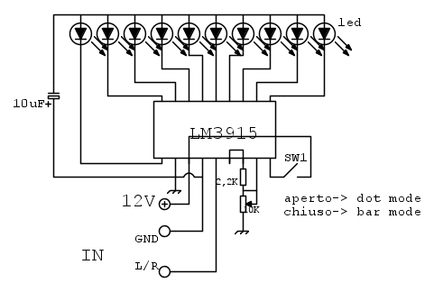
ho buttato giu lo schema, mi scuso anticipatamente per eventuali errori:

..nel datasheet c è dal positivo dei led un pallino con scritto 3V (V+) cio significa che devo collegare il positivo dei led ancora al positivo dell alimentazione..?
O_/
Avatar utente
Foto Utentedimitri94
113 5 7
Sostenitore
Sostenitore
 
Messaggi: 515
Iscritto il: 10 gen 2012, 20:46

0
voti

[30] Re: vu meter led

Messaggioda Foto Utentemarco438 » 27 giu 2012, 12:06

Ora finisci gli altri progetti; troppa carne al fuoco rischia..... di carbonizzarsi. :mrgreen:
marco
Avatar utente
Foto Utentemarco438
37,1k 7 11 13
-EY Legend-
-EY Legend-
 
Messaggi: 16323
Iscritto il: 24 mar 2010, 15:09
Località: Versilia

Precedente

Torna a Elettronica e spettacolo

Chi c’è in linea

Visitano il forum: Nessuno e 10 ospiti