Cos'è ElectroYou | Login Iscriviti

ElectroYou - la comunità dei professionisti del mondo elettrico

Motore 400V-690V

Trasformatori, macchine rotanti ed azionamenti

Moderatori: Foto UtenteSandroCalligaro, Foto Utentemario_maggi, Foto Utentefpalone

3
voti

[11] Re: Motore 400V-660V

Messaggioda Foto UtenteCandy » 9 giu 2012, 11:34



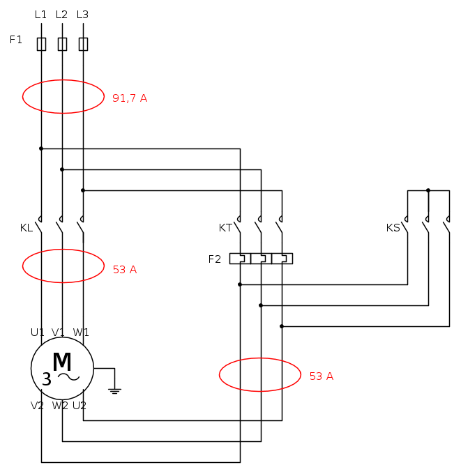
Quelle che tu hai misurato sono le correnti If12, If23 ed If31, del precedente schema. Correnti di fase. (Non ho rappresentato i contattori dell'avviamento Y-D per brevità).
La corrente di targa del motore è invece la corrente di linea, ossia le Il1, Il2 ed Il3. Come vedi dallo schemino, Ad esempio Il1, si divide poi in If12 ed If31. Il1, con le altre due gemelle Il2 ed Il3, sono la somma, (non scalare, ma vettoriale), delle correnti di fase che hai misurato. Per brevità, nel caso di motori, o più in generale nel caso di carichi equilibrati alimentati da terne simmetriche, le correnti di fase e di linea stanno tra loro con un rapporto fisso: \sqrt{3}. Se moltiplichi il valore misurato di 53 per 1,73 circa, arrivi appunto a circa 92 A.
Avatar utente
Foto UtenteCandy
32,5k 7 10 13
CRU - Account cancellato su Richiesta utente
 
Messaggi: 10123
Iscritto il: 14 giu 2010, 22:54

4
voti

[12] Re: Motore 400V-660V

Messaggioda Foto Utenteattilio » 9 giu 2012, 11:43

Non mi è chiara la "storia" dei 91,7 A




Nel frattempo che riportavo il circuito in fidocadj candy ti aveva già risposto, lo posto ugualmente magari ti è utile lo stesso.
Ovviamente i contattori di linea e triangolo, si intende siano chiusi.
Ognuno sta solo sul cuor della terra
trafitto da un raggio di sole:
ed è subito sera


Salvatore Quasimodo
Avatar utente
Foto Utenteattilio
61,5k 8 12 13
free expert
 
Messaggi: 9173
Iscritto il: 21 gen 2007, 14:34

0
voti

[13] Re: Motore 400V-660V

Messaggioda Foto Utenteplito » 10 giu 2012, 14:47

Ok, vi ringrazio.

Martedì ci arriva un motore nuovo, dopo l'installazione misuro la corrente a valle dei fusibili.

Se qui dovessi misurare quei 91,7A c'è qualcosa che non va. Tipo motore sottodimensionato o altro??

Grazie mille a tutti. Se capitate a Rimini/San Marino vi devo una cena.
Avatar utente
Foto Utenteplito
0 2
 
Messaggi: 24
Iscritto il: 31 mar 2009, 8:37
Località: rimini

0
voti

[14] Re: Motore 400V-660V

Messaggioda Foto Utenteeddy » 10 giu 2012, 16:47

Dunque il fatto che i cuscinetti erano con poco e niente grasso potrebbe fare aumentare gli attriti ed eventualmente giustificare quei 5A in più
Ma ora lancio una provocazione.....
Secondo voi quei 5A in più potrebbero causare problemi al motore??
Abbiamo parlato di motore che scalda... Ma quanto???
Ancora....
Siamo in una falegnameria quindi polvere a iosa
Il copri ventola è libero o potrebbe essere intasato dalla polvere
Oppure, la temperatura più alta potrebbe derivare dai cuscinetti e non dall'avvolginento?
Come hai misurato la temperatura
Tecnica della mano, pistola ir o termocamera ir?
Dacci lumi
Avatar utente
Foto Utenteeddy
950 2 4 7
Expert
Expert
 
Messaggi: 1117
Iscritto il: 30 set 2006, 21:39

0
voti

[15] Re: Motore 400V-660V

Messaggioda Foto Utentemario_maggi » 10 giu 2012, 18:52

plito,
e se il tempo tra stella e triangolo fosse troppo breve? Durante l'avviamento si surriscalderebbe eccessivamente il rotore, facendo uscire il grasso dai cuscinetti con le relative conseguenze. La protezione termica sullo statore ovviamente non serve a niente in questa situazione. Ricordati di strozzare un po' il passaggio dell'aria, cosi' puoi fare diverse prove senza rischiare altri danni. Se tutto e' a posto, poi potrai riaprire completamente il passaggio.
Ciao
Mario

P.S.: spero che il nuovo motore abbia la targhetta giusta, 400/690 V
Mario Maggi
https://www.evlist.it per la mobilità elettrica e filiera relativa
https://www.axu.it , inverter speciali, convertitori DC/DC, soluzioni originali per la qualità dell'energia
Innovazioni: https://www.axu.it/mm4
Avatar utente
Foto Utentemario_maggi
20,0k 3 11 12
G.Master EY
G.Master EY
 
Messaggi: 4181
Iscritto il: 21 dic 2006, 9:59
Località: Milano

1
voti

[16] Re: Motore 400V-660V

Messaggioda Foto Utentedimaios » 10 giu 2012, 19:11

plito ha scritto: Motore ventilatore aspirazione in una falagnameria.


Visto che fai le verifiche elettriche controlla anche come sei messo con la ventilazione.
Nelle falegnamerie come in altri ambienti industriali, le polveri ambientali tendono a diminuire nel tempo la capacità di smaltimento termica dei motori. In una colata continua per acciaio ho visto alcuni motori AC che sembravano fondamentalmente dei fossili. Anche nelle cartiere e nelle fabbriche per la produzione di pannelli truciolari non si scherza affatto.
Verificare non costa molto ....
Ingegneria : alternativa intelligente alla droga.
Avatar utente
Foto Utentedimaios
30,2k 7 10 12
G.Master EY
G.Master EY
 
Messaggi: 3381
Iscritto il: 24 ago 2010, 14:12
Località: Behind the scenes

0
voti

[17] Re: Motore 400V-660V

Messaggioda Foto UtenteCandy » 10 giu 2012, 19:13

motori AC che sembravano fondamentalmente dei fossili

Ne ho viste tante, ma questa mi mancava...
Avatar utente
Foto UtenteCandy
32,5k 7 10 13
CRU - Account cancellato su Richiesta utente
 
Messaggi: 10123
Iscritto il: 14 giu 2010, 22:54

3
voti

[18] Re: Motore 400V-660V

Messaggioda Foto Utentedimaios » 10 giu 2012, 19:28

Foto UtenteCandy, nelle acciaierie si vedono cose che voi umani .... :mrgreen:
A parte gli scherzi, era un fenomeno legato al layout errato della macchina.
Le polveri che si utilizzano per lubrificare il processo di colata ( servono per non permettere l'ossidazione dell'acciaio liquido in lingottiera ( cristallizzatore ) e lubrificare le pareti riducendo l'attrito ) sono fondamentalmente ossidi SiO2, Al2O3, Na2O, CaO.
Queste sostanze si impastano con olii grassi e soprattutto con l'acqua del secondario di raffreddamento ( spray ) creando una morchia terribile per qualsiasi tipo di meccanica.
Le guide lineari sono praticamente inutilizzabili perché la morchia mangia letteralmente i cuscinetti.
Anche i meccanismi con giunti rotoidali soffrono l'usura precoce a causa di quello che può essere descritto come un composto somigliante ad una poltiglia vetrosa.
Se quest'ultima si attacca o peggio entra nel motore otteniamo un .... fossile!!!
I motori non erano sufficientemente protetti ed hanno fatto una brutta fine.
Pensavo di sostituire i dati di targa con una scrittura cuneiforme e farlo passare per un reperto storico. Il primo motore AC creato dai Sumeri. :mrgreen:
Ingegneria : alternativa intelligente alla droga.
Avatar utente
Foto Utentedimaios
30,2k 7 10 12
G.Master EY
G.Master EY
 
Messaggi: 3381
Iscritto il: 24 ago 2010, 14:12
Località: Behind the scenes

0
voti

[19] Re: Motore 400V-660V

Messaggioda Foto Utenteeddy » 10 giu 2012, 19:45

acciaierie.......
hai ragione in pieno, quando ero all'Ilva di Taranto ne ho viste di tutti i colori
Però devo dire che anche i cementifici si difendono davvero bene, la polvere si infila a blocco tra le alette di raffredamento che sembra di vedere una carcassa liscia :mrgreen:
Avatar utente
Foto Utenteeddy
950 2 4 7
Expert
Expert
 
Messaggi: 1117
Iscritto il: 30 set 2006, 21:39

0
voti

[20] Re: Motore 400V-660V

Messaggioda Foto Utenteplito » 10 giu 2012, 22:54

Il motore è installato all'aperto. Protetto da una lamiera che funge da "tettoia".
Riguardante la temperatura, purtroppo non ho fatto una misurazione, posso solamente dire che non ci si teneva la mano sopra.

Per il tempo di scambio, (se non ricordo male) dovrebbe essere sui 35/40 secondi.

Nel frattempo cerco di rimediare una termo-pistola

Grazie ancora a tutti.
Avatar utente
Foto Utenteplito
0 2
 
Messaggi: 24
Iscritto il: 31 mar 2009, 8:37
Località: rimini

PrecedenteProssimo

Torna a Macchine elettriche

Chi c’è in linea

Visitano il forum: Nessuno e 46 ospiti