Progetto scolastico.
Moderatori:
carloc,
g.schgor,
BrunoValente,
IsidoroKZ
0
voti
scusa ho qui davanti il datasheet del BJT 2N2222A e nella tabella dice Vbe 1,3 Ib 15 mA Ic 150 mA oppure mi dice Vbe 2,6 Ib 50mA Ic 500mA
0
voti
io questi valori li ho trovati sul datasheet che mi ha passato il mio compano di classe
0
voti
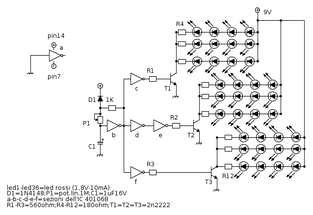
questa è la versione definitiva del circuito rivista e migliorata;noterai che il ramo centrale dei led ha 2 sezioni dell'IC(d-e),con cio avrai questo effetto:mentre i rami laterali sono spenti il ramo centrale è acceso e viceversa,un diversivo che rende piu attraente il dispositivo;tutti e 3 i rami lampeggeranno ovviamente alla stessa frequenza che tu puoi regolare a piacere con P1,un potenziometro da 1 megaohm col quale puoi avere un'ampia escursione nel campo del visibile:
2
voti
Il diodo D1 non e` collegato nel punto giusto. Le resistenze di base dei transistori mi sembrano troppo piccole, le porte cmos non riescono a fornire tutta quella corrente.
Per usare proficuamente un simulatore, bisogna sapere molta più elettronica di lui
Plug it in - it works better!
Il 555 sta all'elettronica come Arduino all'informatica! (entrambi loro malgrado)
Se volete risposte rispondete a tutte le mie domande
Plug it in - it works better!
Il 555 sta all'elettronica come Arduino all'informatica! (entrambi loro malgrado)
Se volete risposte rispondete a tutte le mie domande
0
voti
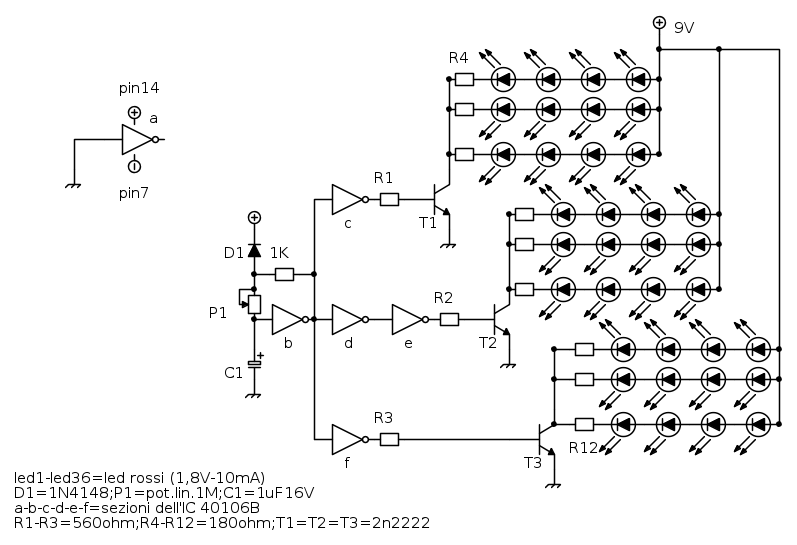
a me serve che i 36 led si accendono e si spengono tutti insieme.
0
voti
circuito corretto dopo la tua richiesta e le giuste osservazioni di Isidorz:
0
voti
una domanda. il potenziometro da quanto è?
eh mi puoi spiegare la parte in alto a sinistra che non ho capito cosa dovrei fare??
eh mi puoi spiegare la parte in alto a sinistra che non ho capito cosa dovrei fare??
Chi c’è in linea
Visitano il forum: Nessuno e 182 ospiti

Elettrotecnica e non solo (admin)
Un gatto tra gli elettroni (IsidoroKZ)
Esperienza e simulazioni (g.schgor)
Moleskine di un idraulico (RenzoDF)
Il Blog di ElectroYou (webmaster)
Idee microcontrollate (TardoFreak)
PICcoli grandi PICMicro (Paolino)
Il blog elettrico di carloc (carloc)
DirtEYblooog (dirtydeeds)
Di tutto... un po' (jordan20)
AK47 (lillo)
Esperienze elettroniche (marco438)
Telecomunicazioni musicali (clavicordo)
Automazione ed Elettronica (gustavo)
Direttive per la sicurezza (ErnestoCappelletti)
EYnfo dall'Alaska (mir)
Apriamo il quadro! (attilio)
H7-25 (asdf)
Passione Elettrica (massimob)
Elettroni a spasso (guidob)
Bloguerra (guerra)







