Teorema di Thèvenin
Moderatori:
g.schgor,
IsidoroKZ
44 messaggi
• Pagina 3 di 5 • 1, 2, 3, 4, 5
0
voti
infatti vatti a fidare... non sai quanti errori ci sono negli esempi svolti...per fortuna sono esempi 
-

GustaVittorio
81 1 7 - Frequentatore

- Messaggi: 111
- Iscritto il: 3 giu 2012, 22:18
0
voti
Ciao
GustaVittorio.
Non intendevo dire che l'esercizio non riusciva solo per via del calcolo della
, ma avevo notato questo (ripeto lo è per me, può darsi che mi sbagli, dato la mia ignoranza in materia) errore ed ho pensato di fartelo notare.
In che senso scusami ? Non ho capito.
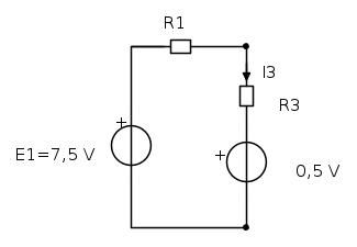
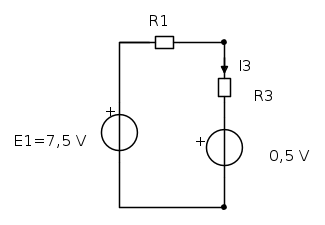
Leggendo il post [1], tu hai considerato questo circuito per il calcolo della
:
vero ? Oppure ho capito male io ?
Quando si calcola la resistenza equivalente di Thevenin, dovresti spegnere i generatori presenti nel circuito di partenza, sia quelli di tensione che di corrente.
Se è così, vedo però che hai spento i due generatori di tensione e al posto di quello di corrente vi è un cortocircuito. Se è così, in teoria, non avresti commesso l'errore di non aver sostituito al generatore di corrente il circuito aperto ?
Non intendevo dire che l'esercizio non riusciva solo per via del calcolo della
, ma avevo notato questo (ripeto lo è per me, può darsi che mi sbagli, dato la mia ignoranza in materia) errore ed ho pensato di fartelo notare.GustaVittorio ha scritto:Non credo sia un errore di calcolo della Rth, in quanto provando ad aprire la rete nel ramo sinistro il tutto si trova...
In che senso scusami ? Non ho capito.
Leggendo il post [1], tu hai considerato questo circuito per il calcolo della
:vero ? Oppure ho capito male io ?
Quando si calcola la resistenza equivalente di Thevenin, dovresti spegnere i generatori presenti nel circuito di partenza, sia quelli di tensione che di corrente.
Se è così, vedo però che hai spento i due generatori di tensione e al posto di quello di corrente vi è un cortocircuito. Se è così, in teoria, non avresti commesso l'errore di non aver sostituito al generatore di corrente il circuito aperto ?
0
voti
Scusate se ritorno sul tema ma, nei ritagli di tempo, quando riesco, sto cercando per sfizio personale, ma anche per cimentarmi, di risolvere questo esercizio su cui mi sono incaponito in quanto non riesco ad arrivare al risultato del libro riportato da
GustaVittorio.
A tal proposito vi chiedo :
il circuito "ausiliario" per il calcolo della
è questo oppure sto sbagliando strada completamente ?
Vi ringrazio in anticipo
.
A tal proposito vi chiedo :
il circuito "ausiliario" per il calcolo della
è questo oppure sto sbagliando strada completamente ?Vi ringrazio in anticipo
.0
voti
Sì, il circuito è quello, e una rapido calcolo sul retro di una busta mi dice che la corrente viene come sul libro 
It's a sin to write
instead of
(Anonimo).
...'cos you know that
ain't
, right?
You won't get a sexy tan if you write
in lieu of
.
Take a log for a fireplace, but don't take
for
arithm.
instead of
(Anonimo)....'cos you know that
ain't
, right?You won't get a sexy tan if you write
in lieu of
.Take a log for a fireplace, but don't take
for
arithm.-

DirtyDeeds
55,9k 7 11 13 - G.Master EY

- Messaggi: 7012
- Iscritto il: 13 apr 2010, 16:13
- Località: Somewhere in nowhere
0
voti
asdf ha scritto:...il circuito "ausiliario" per il calcolo dellaè questo oppure sto sbagliando strada completamente ?
Potresti anche togliere completamente il ramo centrale, per "riattaccarlo" successivamente.
"Il circuito ha sempre ragione" (Luigi Malesani)
0
voti
Grazie per la risposta
DirtyDeeds
.
Se è quello, allora, ho provato a calcolare la
come segue :

Ho sbagliato ?
RenzoDF, non ho capito come intendi procedere, perdonami ma sono io che sono tonto.
Ho provato a calcolare la
nel modo che ho scritto sopra (che ho provato ad evidenziare con quella freccia blu per indicare il percorso che ho fatto e che a questo punto temo sia sbagliato
).
Se dovessi procedere come hai suggerito, l'espressione della
sarebbe completamente diversa da quella che ho scritto a questo punto ?
Vi ringrazio per l'aiuto
.
.Se è quello, allora, ho provato a calcolare la
come segue :
Ho sbagliato ?
RenzoDF ha scritto:Potresti anche togliere completamente il ramo centrale, per "riattaccarlo" successivamente.
Ho provato a calcolare la
nel modo che ho scritto sopra (che ho provato ad evidenziare con quella freccia blu per indicare il percorso che ho fatto e che a questo punto temo sia sbagliato Se dovessi procedere come hai suggerito, l'espressione della
sarebbe completamente diversa da quella che ho scritto a questo punto ?Vi ringrazio per l'aiuto
.1
voti
ETh è sbagliata.
Per trovare una differenza di potenziale io di solito parto dal negativo ... e percorrendo la rete, raggiungo il positivo.
In questo caso quindi, partendo dal negativo di ETh ... scendendo attraverso E3 ... e risalendo a sinistra per E1 ... ed infine passando per R1 avrò la seguente somma algebrica di "dislivelli elettrici"

e in questo "percorso" i generatori di corrente li evito (corrispondono a dislivelli ignoti ...)

Per trovare una differenza di potenziale io di solito parto dal negativo ... e percorrendo la rete, raggiungo il positivo.
In questo caso quindi, partendo dal negativo di ETh ... scendendo attraverso E3 ... e risalendo a sinistra per E1 ... ed infine passando per R1 avrò la seguente somma algebrica di "dislivelli elettrici"

e in questo "percorso" i generatori di corrente li evito (corrispondono a dislivelli ignoti ...)
"Il circuito ha sempre ragione" (Luigi Malesani)
1
voti
asdf ha scritto:Ho sbagliato ?
Sì, e di parecchio
La tensione ai capi del generatore di corrente non è 0 V.

It's a sin to write
instead of
(Anonimo).
...'cos you know that
ain't
, right?
You won't get a sexy tan if you write
in lieu of
.
Take a log for a fireplace, but don't take
for
arithm.
instead of
(Anonimo)....'cos you know that
ain't
, right?You won't get a sexy tan if you write
in lieu of
.Take a log for a fireplace, but don't take
for
arithm.-

DirtyDeeds
55,9k 7 11 13 - G.Master EY

- Messaggi: 7012
- Iscritto il: 13 apr 2010, 16:13
- Località: Somewhere in nowhere
0
voti
A me veniva così:
P.S. come si fa a scrivere
in fidocadj?
P.S. come si fa a scrivere
in fidocadj?Ultima modifica di
ildoghy il 12 giu 2012, 14:52, modificato 1 volta in totale.
0
voti
Sì, corretto.
Per scrivere
in FidocadJ puoi copiare il simbolo dalla mappa caratteri.
Per scrivere
in FidocadJ puoi copiare il simbolo dalla mappa caratteri.It's a sin to write
instead of
(Anonimo).
...'cos you know that
ain't
, right?
You won't get a sexy tan if you write
in lieu of
.
Take a log for a fireplace, but don't take
for
arithm.
instead of
(Anonimo)....'cos you know that
ain't
, right?You won't get a sexy tan if you write
in lieu of
.Take a log for a fireplace, but don't take
for
arithm.-

DirtyDeeds
55,9k 7 11 13 - G.Master EY

- Messaggi: 7012
- Iscritto il: 13 apr 2010, 16:13
- Località: Somewhere in nowhere
44 messaggi
• Pagina 3 di 5 • 1, 2, 3, 4, 5
Torna a Elettrotecnica generale
Chi c’è in linea
Visitano il forum: Nessuno e 50 ospiti

Elettrotecnica e non solo (admin)
Un gatto tra gli elettroni (IsidoroKZ)
Esperienza e simulazioni (g.schgor)
Moleskine di un idraulico (RenzoDF)
Il Blog di ElectroYou (webmaster)
Idee microcontrollate (TardoFreak)
PICcoli grandi PICMicro (Paolino)
Il blog elettrico di carloc (carloc)
DirtEYblooog (dirtydeeds)
Di tutto... un po' (jordan20)
AK47 (lillo)
Esperienze elettroniche (marco438)
Telecomunicazioni musicali (clavicordo)
Automazione ed Elettronica (gustavo)
Direttive per la sicurezza (ErnestoCappelletti)
EYnfo dall'Alaska (mir)
Apriamo il quadro! (attilio)
H7-25 (asdf)
Passione Elettrica (massimob)
Elettroni a spasso (guidob)
Bloguerra (guerra)






