Hai comprato un ponte di troppo.
raddrizzare tensione
Moderatori:
carloc,
g.schgor,
BrunoValente,
IsidoroKZ
18 messaggi
• Pagina 2 di 2 • 1, 2
0
voti
Ciao.
Tu hai detto che il carico assorbe una corrente massima di 3A, quindi mi par di capire che il carico varia o sbaglio?
Se il carico varia anche la tensione del "alimentatore" varia al variare del carico, perché non è stablizzata.
Infatti se il carico richiede basse correnti la tensione tende a raggiungere il valore massimo

Adesso provo a pensare a un circuito usando uno stabilizzatore integrato 7815
Tu hai detto che il carico assorbe una corrente massima di 3A, quindi mi par di capire che il carico varia o sbaglio?
Se il carico varia anche la tensione del "alimentatore" varia al variare del carico, perché non è stablizzata.
Infatti se il carico richiede basse correnti la tensione tende a raggiungere il valore massimo

Adesso provo a pensare a un circuito usando uno stabilizzatore integrato 7815
0
voti
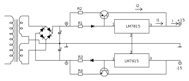
Allora questo è lo schema a cui ho pensato(vi prego "colleghi" di visionarlo perché non ne sono sicuro):
Allora le relazione che determinano il funzionamento sono:

Essendo la Vbe paragonabile alla Vdiodo si annullano quindi

sai che

di conseguenza calcoli il le resistenze.
Es:
Il 7815/7915 in TO220 eroga una corrente massima di 1A
quindi


Fissi

Il grande problema del circuito è che dissipa abbastanza e devi avere una tensione in ingresso sempre maggiore della tensione di uscita + tensione di droppout del componente+la tensione ai capi di resistenza e diodo:
La Vdpp la puoi tenere 2V

Nell'esempio che ti avevo fatto avresti





Quindi dovresti calcolarti il condensatore di livellamento in ingresso valutando che il ripple non superi i 3.5Vpp(ti viene un condensatore bello grosso).

Per la parte negativa vale lo stesso principio(sempre sia giusto, per questo chiedo a voi di visionarlo per darne conferma)
Io ho dato la mia opinione, non so se sia più vantaggiosa delle altre, spero di sì.
Spero veramente di essere stato utile
Ciao
Allora le relazione che determinano il funzionamento sono:

Essendo la Vbe paragonabile alla Vdiodo si annullano quindi

sai che

di conseguenza calcoli il le resistenze.
Es:
Il 7815/7915 in TO220 eroga una corrente massima di 1A
quindi


Fissi


Il grande problema del circuito è che dissipa abbastanza e devi avere una tensione in ingresso sempre maggiore della tensione di uscita + tensione di droppout del componente+la tensione ai capi di resistenza e diodo:
La Vdpp la puoi tenere 2V

Nell'esempio che ti avevo fatto avresti





Quindi dovresti calcolarti il condensatore di livellamento in ingresso valutando che il ripple non superi i 3.5Vpp(ti viene un condensatore bello grosso).

Per la parte negativa vale lo stesso principio(sempre sia giusto, per questo chiedo a voi di visionarlo per darne conferma)
Io ho dato la mia opinione, non so se sia più vantaggiosa delle altre, spero di sì.
Spero veramente di essere stato utile
Ciao

0
voti
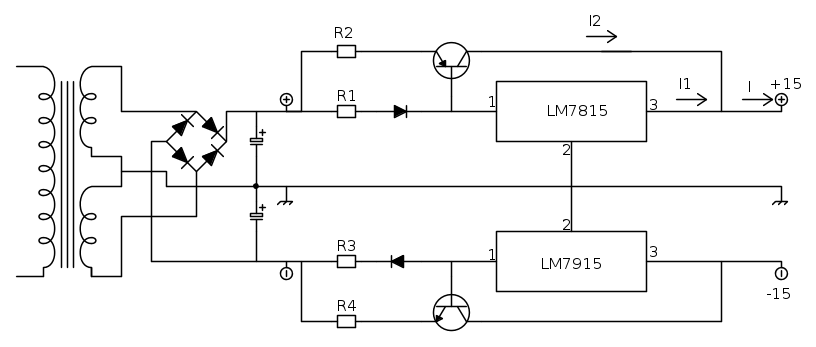
Si mancano un po' di condensatori di bypass in ingresso e uscita dei regolatori e i diodi tra uscita e ingresso dei regolatori per protezione dalle tensioni inverse.
Intanto comunque volevo dare un idea, per il dimensionamento se il diretto interessato ha problemi basta chiedere.
Poi non ero nemmeno sicuro che fosse una soluzione conveniente.
PS: i diodi semplificavano il calcolo, però hai ragione quello che non c'è non si può rompere.
Intanto comunque volevo dare un idea, per il dimensionamento se il diretto interessato ha problemi basta chiedere.
Poi non ero nemmeno sicuro che fosse una soluzione conveniente.
PS: i diodi semplificavano il calcolo, però hai ragione quello che non c'è non si può rompere.
1
voti
Pioz ha scritto:Poi non ero nemmeno sicuro che fosse una soluzione conveniente.
PS: i diodi semplificavano il calcolo, però hai ragione quello che non c'è non si può rompere.
Come giustamente hai osservato, quello che non c'e' non si puo' rompere.
Nel caso, trattandosi di un amplificatore realizzato con TDA2050, la tensione stabilizzata non serve visto che questi integrati (come molti altri similari) sono insensibili alle variazioni di tensione.
C'e' da aggiungere che un alimentatore quale quello che hai disegnato complicherebbe non poco il circuito sia per il numero dei componenti che per i necessari dissipatori sui finali.
Molto piu' semplice e pratica la soluzione suggerita al punto [11]

marco
0
voti
ciao, ragazzi ho fatto il circuito del punto 11 e ottengo -21 e 21v a vuoto. Grazie a tutti per i consigli, ora rimonto il tda e vediamo se cambia un po' la potenza (lo stavo alimentando con un alimentatore da PC!)
18 messaggi
• Pagina 2 di 2 • 1, 2
Chi c’è in linea
Visitano il forum: Nessuno e 49 ospiti

Elettrotecnica e non solo (admin)
Un gatto tra gli elettroni (IsidoroKZ)
Esperienza e simulazioni (g.schgor)
Moleskine di un idraulico (RenzoDF)
Il Blog di ElectroYou (webmaster)
Idee microcontrollate (TardoFreak)
PICcoli grandi PICMicro (Paolino)
Il blog elettrico di carloc (carloc)
DirtEYblooog (dirtydeeds)
Di tutto... un po' (jordan20)
AK47 (lillo)
Esperienze elettroniche (marco438)
Telecomunicazioni musicali (clavicordo)
Automazione ed Elettronica (gustavo)
Direttive per la sicurezza (ErnestoCappelletti)
EYnfo dall'Alaska (mir)
Apriamo il quadro! (attilio)
H7-25 (asdf)
Passione Elettrica (massimob)
Elettroni a spasso (guidob)
Bloguerra (guerra)








