Quindi teoricamente se inserisco un carico da esempio 50Ohm, non dovrei più avere questo problema, giusto?
Ho provato ed effettivamente è cosi, ma allora questo fenomeno non si dovrebbe verificare anche con il secondo schema?
Alcuni dubbi su AGC
Moderatori:
carloc,
g.schgor,
BrunoValente,
IsidoroKZ
33 messaggi
• Pagina 2 di 4 • 1, 2, 3, 4
0
voti
Ultima modifica di
RenzoDF il 13 giu 2012, 14:34, modificato 1 volta in totale.
Motivazione: ohm con o minuscola ;)
Motivazione: ohm con o minuscola ;)
-

darkweader
61 2 7 - Frequentatore

- Messaggi: 271
- Iscritto il: 8 mag 2011, 17:32
2
voti
darkweader ha scritto:Quindi teoricamente se inserisco un carico da esempio 50Ohm, non dovrei più avere questo problema, giusto?
...
Se io ti dico che la rete limitatrice non funziona correttamente (o, per lo meno, non funziona come vorresti), perché mettere una resistenza da 50 ohm in uscita dovrebbe essere una soluzione?
Di molte cose che stai chiedendo in questa discussione, ti avevo già dato risposta qui qui; le riassumo ancora una volta, poi basta.
Un oscillatore del tipo dato in [1] è un circuito (fortemente) non lineare, in cui sia la frequenza di oscillazione che l'ampiezza di uscita dipendono dal guadagno e dalla non linearità introdotta dai diodi (e un'analisi del circuito che tenga conto di tutto ciò è decisamente complessa). In particolare
1) L'ampiezza di oscillazione è difficilmente determinabile a tavolino (i.e. non esiste una formula semplice che ti permetta di dimensionare la rete limitatrice per avere una certa ampiezza di uscita). Le condizioni che hai esposto in [1] sulle resistenze della rete limitatrice del primo circuito non ti permettono di definire l'ampiezza di oscillazione, potrebbe pure essere tale da portare in saturazione l'opamp (cosa che ti capita, appunto). Ciò significa che, in realtà, la rete limitatrice ha bisogno di essere aggiustata (con un trimmer) con l'oscillatore funzionante, in modo da avere l'ampiezza voluta. Per questo aspetto, una simulazione è priva di senso perché l'effettiva ampiezza di oscillazione dipende molto dai reali parametri dell'opamp e dei diodi.
2) In quel tipo di circuito, l'ampiezza di oscillazione può dipendere dalla frequenza.
Come ti ha anche detto
In ogni caso, se si vuole che l'ampiezza di oscillazione sia ben definita e veramente indipendente dalla frequenza, bisogna usare un altro tipo di circuito di controllo del guadagno, uno come quello descritto nella nota applicativa di cui si è parlato nella precedente discussione.
It's a sin to write
instead of
(Anonimo).
...'cos you know that
ain't
, right?
You won't get a sexy tan if you write
in lieu of
.
Take a log for a fireplace, but don't take
for
arithm.
instead of
(Anonimo)....'cos you know that
ain't
, right?You won't get a sexy tan if you write
in lieu of
.Take a log for a fireplace, but don't take
for
arithm.-

DirtyDeeds
55,9k 7 11 13 - G.Master EY

- Messaggi: 7012
- Iscritto il: 13 apr 2010, 16:13
- Località: Somewhere in nowhere
0
voti
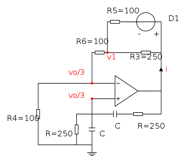
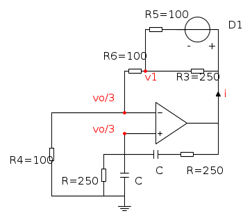
Per fare una stima dell'ampiezza delle oscillazioni, considero che il diodo D1 sia in conduzione (con una tensione Vd=0,7) utilizzando il modello a batteria, mentre D2 no.
La corrente
è data da:
Per determinare
, devo determinare
e 
Considerando il comportamento ideale dell'operazionale:

in seguito alle condizioni di Barkhausen
abbiamo 
quindi se
--> 
ora posso determinare
e 

sostituendo nella prima equazione ottengo:
con

pensavo se posso fare una stima approssimativa dell'ampiezza, considerando il comportamento ideale dell'oamp per le basse frequenze, nel senso che, faccio in modo di dimensionare i componenti in modo che alle basse frequenze sono sicuro che l'operazionale non saturi
sostituendo i valori ottengo
=4.5V (potrei fare in modo di diminuirla ancora per sicurezza)alle frequenze più alte, il Guadagno dell'operazionale dovrebbe diminuire e di conseguenza anche la tensione di uscita, quindi il "limite massimo" non dovrebbe essere superato, evitando il fenomeno della saturazione.
Ps: mentre hai risposto stavo già scrivendo
-

darkweader
61 2 7 - Frequentatore

- Messaggi: 271
- Iscritto il: 8 mag 2011, 17:32
1
voti
darkweader ha scritto:
Questa non è sicuramente vera
Comunque, no, i conti che hai fatto non vanno bene, come ho scritto sopra il comportamento è molto più complesso da analizzare.
It's a sin to write
instead of
(Anonimo).
...'cos you know that
ain't
, right?
You won't get a sexy tan if you write
in lieu of
.
Take a log for a fireplace, but don't take
for
arithm.
instead of
(Anonimo)....'cos you know that
ain't
, right?You won't get a sexy tan if you write
in lieu of
.Take a log for a fireplace, but don't take
for
arithm.-

DirtyDeeds
55,9k 7 11 13 - G.Master EY

- Messaggi: 7012
- Iscritto il: 13 apr 2010, 16:13
- Località: Somewhere in nowhere
0
voti
mi serviva solo sapere se poteva andare bene come ragionamento, in linea di massima per evitare solamente che l'operazionale saturasse,
i conti sono quelli del libro di testo, e analizza un oscillatore a ponte di wien con medesimo controllo d'ampiezza in questo modo...
i conti sono quelli del libro di testo, e analizza un oscillatore a ponte di wien con medesimo controllo d'ampiezza in questo modo...
-

darkweader
61 2 7 - Frequentatore

- Messaggi: 271
- Iscritto il: 8 mag 2011, 17:32
3
voti
DirtyDeeds ha scritto:Comunque, no, i conti che hai fatto non vanno bene, come ho scritto sopra il comportamento è molto più complesso da analizzare.
Ultima modifica di
EnChamade il 13 giu 2012, 14:52, modificato 1 volta in totale.
-

EnChamade
6.498 2 8 12 - G.Master EY

- Messaggi: 588
- Iscritto il: 18 giu 2009, 12:00
- Località: Padova - Feltre
0
voti
Non è che magari la corrente
è quella indicata qua sotto?
In ogni caso, sebbene quello sia un conto moo...oolto spannometrico, supponiamo che la
sia proprio quella data dalla formula sopra: a te viene
(non ho controllato); secondo te, tenendo conto del grafico di p. 6 in basso a destra, la rete limitatrice funzionerebbe correttamente 
è quella indicata qua sotto? In ogni caso, sebbene quello sia un conto moo...oolto spannometrico, supponiamo che la
sia proprio quella data dalla formula sopra: a te viene
(non ho controllato); secondo te, tenendo conto del grafico di p. 6 in basso a destra, la rete limitatrice funzionerebbe correttamente It's a sin to write
instead of
(Anonimo).
...'cos you know that
ain't
, right?
You won't get a sexy tan if you write
in lieu of
.
Take a log for a fireplace, but don't take
for
arithm.
instead of
(Anonimo)....'cos you know that
ain't
, right?You won't get a sexy tan if you write
in lieu of
.Take a log for a fireplace, but don't take
for
arithm.-

DirtyDeeds
55,9k 7 11 13 - G.Master EY

- Messaggi: 7012
- Iscritto il: 13 apr 2010, 16:13
- Località: Somewhere in nowhere
0
voti
EnChamade ha scritto:Se proprio vuoi avere un'idea, il più semplice che mi viene in mente potrebbe essere quello di calcolare la resistenza equivalente di prima armonica della rete non lineare, sotto l'ipotesi di considerare un'oscillazione puramente sinusoidale, e dimensionare la rete in modo da soddisfare la condizione teorica di oscillazione sulla fondamentale.
E ad avere proprio voglia di mettercisi, uno potrebbe usare una tecnica di bilancio armonico: si scrive l'equazione di stato del circuito, approssimando la caratteristica non lineare dell'amplificatore con uno sviluppo in serie troncato al secondo o terzo ordine, e dopodiché si cerca una soluzione stazionaria del sistema in forma di sviluppo in serie di Fourier.
Nello spazio degli stati dell'oscillatore, questa soluzione corrisponde ad un ciclo limite. A considerare, però, anche la risposta in frequenza dell'amplificatore c'è da diventare vecchi
It's a sin to write
instead of
(Anonimo).
...'cos you know that
ain't
, right?
You won't get a sexy tan if you write
in lieu of
.
Take a log for a fireplace, but don't take
for
arithm.
instead of
(Anonimo)....'cos you know that
ain't
, right?You won't get a sexy tan if you write
in lieu of
.Take a log for a fireplace, but don't take
for
arithm.-

DirtyDeeds
55,9k 7 11 13 - G.Master EY

- Messaggi: 7012
- Iscritto il: 13 apr 2010, 16:13
- Località: Somewhere in nowhere
0
voti
tenendo conto del grafico di p. 6 in basso a destra, la rete limitatrice funzionerebbe correttamente
il grafico di p.6 non l'ho capito, questo è ovvio, non riesco a capire che informazioni trarne, come non ho capito come si arriva a quella "famosa formula" tenendo conto dell'altro grafico e delle altre considerazioni (ma questo è un'altra storia XD) , non è che non voglia provarci, altrimenti essendo le specifiche sono rispettate e avrei lasciato perdere...
sto cercando di imparare qualcosa...
-

darkweader
61 2 7 - Frequentatore

- Messaggi: 271
- Iscritto il: 8 mag 2011, 17:32
0
voti
mi potreste far capire come dimensionare la rete limitatrice tenendo conto del grafico?
Niente non ci sono arrivato...
Quel Load Resistence, cosa sta a significare, la resistenza equivalente che risulta ai morsetti dell'oamp?
Niente non ci sono arrivato...
Quel Load Resistence, cosa sta a significare, la resistenza equivalente che risulta ai morsetti dell'oamp?
-

darkweader
61 2 7 - Frequentatore

- Messaggi: 271
- Iscritto il: 8 mag 2011, 17:32
33 messaggi
• Pagina 2 di 4 • 1, 2, 3, 4
Chi c’è in linea
Visitano il forum: Nessuno e 50 ospiti

Elettrotecnica e non solo (admin)
Un gatto tra gli elettroni (IsidoroKZ)
Esperienza e simulazioni (g.schgor)
Moleskine di un idraulico (RenzoDF)
Il Blog di ElectroYou (webmaster)
Idee microcontrollate (TardoFreak)
PICcoli grandi PICMicro (Paolino)
Il blog elettrico di carloc (carloc)
DirtEYblooog (dirtydeeds)
Di tutto... un po' (jordan20)
AK47 (lillo)
Esperienze elettroniche (marco438)
Telecomunicazioni musicali (clavicordo)
Automazione ed Elettronica (gustavo)
Direttive per la sicurezza (ErnestoCappelletti)
EYnfo dall'Alaska (mir)
Apriamo il quadro! (attilio)
H7-25 (asdf)
Passione Elettrica (massimob)
Elettroni a spasso (guidob)
Bloguerra (guerra)
