da
dimitri94 » 22 giu 2012, 8:13
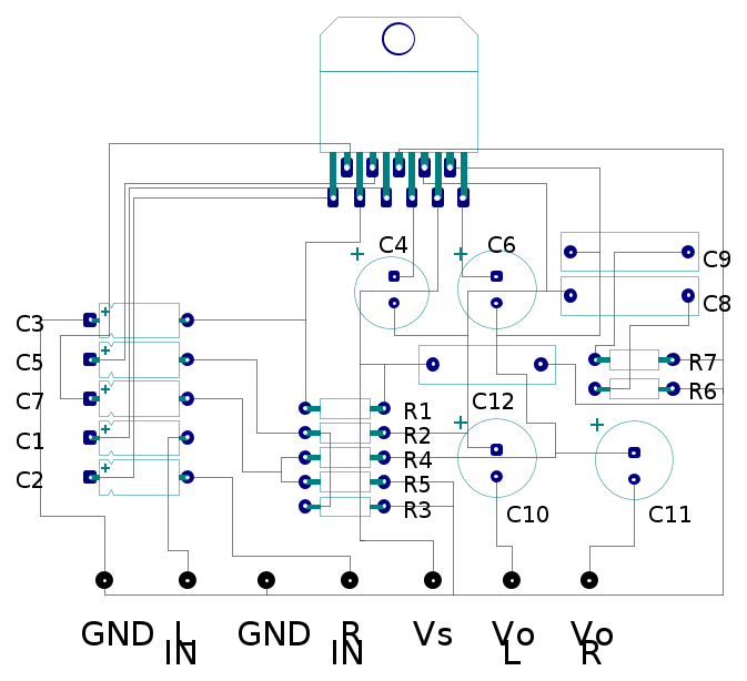
marco438 ha scritto:Ho controllato lo schema e mi sembra che non ci siano errori nel layout.
bene bene...
marco438 ha scritto:Unica cosa che ho rilevato e che hai messo a roverscio (almeno sullo schema) il condensatore C3, che deve avere il positivo rivolto verso il pin 3 dell'integrato.
è vero mi deve essere sfuggito questo particolare...
per le tensioni quindi (calcolando il tipo di batteria) la cosa migliore sarebero magari 3 batterie da 6V in serie così da avere tutti i 10W in uscita che ne dici? ....

però per quanta riguarda la corrente che erogano le batterie..?
ho guardato nel datasheet ma non c è scritta la massima corrente in entrata come parametro.. (se c' è mi è scappata

)
