Io continuo a non capire...
Consigli su piccolo quadro
Moderatori:
sebago,
MASSIMO-G,
lillo,
Mike
41 messaggi
• Pagina 4 di 5 • 1, 2, 3, 4, 5
0
voti
Scusate, ma quando voi parlate di ulteriori contatta NA come si fanno a realizzare nella realtà? Sono contatti di relè?
Io continuo a non capire...

Io continuo a non capire...
-

Interested
90 4 - New entry

- Messaggi: 59
- Iscritto il: 12 apr 2012, 14:57
0
voti
Interested ha scritto:quando voi parlate di ulteriori contatta NA come si fanno a realizzare nella realtà? Sono contatti di relè?
esatto, sono contatti del relativo relè; ci sono relè in commercio con più contatti NO ed NC come questo per fare un esempio.
0
voti
Carucci... quelli che ho io da due scambi sono da 7€...
Mah, per semplicità credo di utilizzare l'ultimo mio schema (quello corretto ovviamente).
Mah, per semplicità credo di utilizzare l'ultimo mio schema (quello corretto ovviamente).
-

Interested
90 4 - New entry

- Messaggi: 59
- Iscritto il: 12 apr 2012, 14:57
0
voti
Alla fine ho realizzato il quadro in modo un po' più semplice con un solo relè ad uno scambio che avevo già.
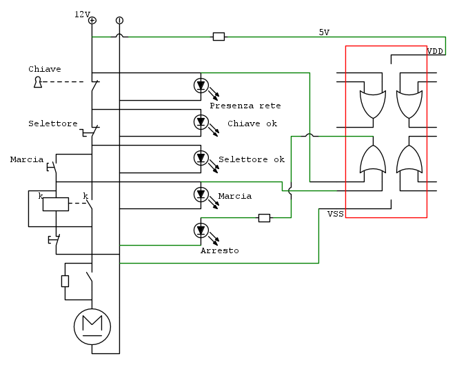
Adesso però volevo aggiungere il famoso led "rosso", però gli schemi di cui abbiamo parlato prima mi sembravano un po' costosi, allora ho pensato di usare le porte logiche.
Vi ho fatto uno schema che secondo me dovrebbe essere ok, ma essendo la prima volta che uso le porte logiche volevo prima sapere la vostra.
La porta logica che ho già acquistato è la seguente: MC14071BCL. Ecco qua un datasheet: http://www.alldatasheet.com/datasheet-p ... 71BCL.html
Le OR sono 4, io ne userò 2, uno per il led, l'altro vedrò più avanti.
Essendo di tipo CMOS la tensione di alimentazione dovrebbe non essere obbligatoriamente 5V con margini stretti, o erro? Perché così potrei evitare di mettere una resistenza che nel disegno c'è...
In verde quello da realizzare, in nero quello già fatto.
Adesso però volevo aggiungere il famoso led "rosso", però gli schemi di cui abbiamo parlato prima mi sembravano un po' costosi, allora ho pensato di usare le porte logiche.
Vi ho fatto uno schema che secondo me dovrebbe essere ok, ma essendo la prima volta che uso le porte logiche volevo prima sapere la vostra.
La porta logica che ho già acquistato è la seguente: MC14071BCL. Ecco qua un datasheet: http://www.alldatasheet.com/datasheet-p ... 71BCL.html
Le OR sono 4, io ne userò 2, uno per il led, l'altro vedrò più avanti.
Essendo di tipo CMOS la tensione di alimentazione dovrebbe non essere obbligatoriamente 5V con margini stretti, o erro? Perché così potrei evitare di mettere una resistenza che nel disegno c'è...
In verde quello da realizzare, in nero quello già fatto.
-

Interested
90 4 - New entry

- Messaggi: 59
- Iscritto il: 12 apr 2012, 14:57
0
voti
1) Gli schemi non si fanno in quel modo: quado si rappresenta un schema funzionale, non si includono elementi dello schema pratico. Sono due modi diversi di rappresentare uno schema. E' come se si scrivesse un articolo con frasi in diverse lingue...
2) La resistenza (innominata), con a sinistra il 12 V ed a destra il 5 V a cosa serve? Dove nasce tale 5 V? Una resistenza in quel punto non serve a nulla. Oppure manca il circuito di limitazione e stabilizzazione? Cosa volevi fare?
3) Impiegare un integrato in quel punto del ciurcuito, senza filtri dei segnali di ingresso è pericoloso: è un circuito destinato a non funzionare. E per fare cosa poi? Quando si accende il LED di marcia, si accende anche il led di arresto? Tanto valeva metterli in serie.
Cosa vorresti fare? Perché sono convinto che tu sia parecchio fuori strada.
2) La resistenza (innominata), con a sinistra il 12 V ed a destra il 5 V a cosa serve? Dove nasce tale 5 V? Una resistenza in quel punto non serve a nulla. Oppure manca il circuito di limitazione e stabilizzazione? Cosa volevi fare?
3) Impiegare un integrato in quel punto del ciurcuito, senza filtri dei segnali di ingresso è pericoloso: è un circuito destinato a non funzionare. E per fare cosa poi? Quando si accende il LED di marcia, si accende anche il led di arresto? Tanto valeva metterli in serie.
Cosa vorresti fare? Perché sono convinto che tu sia parecchio fuori strada.
-

Candy
32,5k 7 10 13 - CRU - Account cancellato su Richiesta utente
- Messaggi: 10123
- Iscritto il: 14 giu 2010, 22:54
0
voti
1) Scusa, era solo per praticità, la prossima volta so come fare.
2) La resistenza l'ho messa perché le porte logiche vanno a 5V e quindi volevo ridurre la tensione da 12 a 5V.
3) Ho chiesto appunto qui per sapere se poteva funzionare, cosa sono i segnali di ingresso?
Essendo una OR il led si accende quando c'è presenza di rete (sempre) e la marcia no (quindi il motore è in arresto). Almeno, ho studiato questo.
2) La resistenza l'ho messa perché le porte logiche vanno a 5V e quindi volevo ridurre la tensione da 12 a 5V.
3) Ho chiesto appunto qui per sapere se poteva funzionare, cosa sono i segnali di ingresso?
Essendo una OR il led si accende quando c'è presenza di rete (sempre) e la marcia no (quindi il motore è in arresto). Almeno, ho studiato questo.
-

Interested
90 4 - New entry

- Messaggi: 59
- Iscritto il: 12 apr 2012, 14:57
0
voti
Uhmm, hai studiato male.
2) La resistenza non ha alcun uso per ridurre la tensione da
a
. Potresti fare un regolatore semplice con un diodo zener, e quindi una resistenza di limitazione adeguata, non ultimo dei condensatori di filtro. Uno zener di
, e poi si dimensiona la resistenza.
3) OR significa sostanzialmente parallelo, ed una porta OR attiva l'ustia se uno qualunque degli ingressi è ad uno. Nel tuo schema quindi, a ben guardare, il LED di arresto è praticamente sempre acceso, rendendo inutile la porta.
2) La resistenza non ha alcun uso per ridurre la tensione da
a
. Potresti fare un regolatore semplice con un diodo zener, e quindi una resistenza di limitazione adeguata, non ultimo dei condensatori di filtro. Uno zener di
, e poi si dimensiona la resistenza.candy ha scritto:Una resistenza in quel punto non serve a nulla. Oppure manca il circuito di limitazione e stabilizzazione?
3) OR significa sostanzialmente parallelo, ed una porta OR attiva l'ustia se uno qualunque degli ingressi è ad uno. Nel tuo schema quindi, a ben guardare, il LED di arresto è praticamente sempre acceso, rendendo inutile la porta.
candy ha scritto:Quando si accende il LED di marcia, si accende anche il led di arresto?
-

Candy
32,5k 7 10 13 - CRU - Account cancellato su Richiesta utente
- Messaggi: 10123
- Iscritto il: 14 giu 2010, 22:54
0
voti
E quindi come potrei risolvere?
Comunque adesso mi sono riguardato bene la teoria ed in effetti nella fretta mi ero dimensticato che la or è 1 anche quando tutti e due sono 1
Forse usare una XOR...
Comunque adesso mi sono riguardato bene la teoria ed in effetti nella fretta mi ero dimensticato che la or è 1 anche quando tutti e due sono 1

Forse usare una XOR...
-

Interested
90 4 - New entry

- Messaggi: 59
- Iscritto il: 12 apr 2012, 14:57
1
voti
Immagino sia questa la resistenza in questione, stavo cercando di capire cosa fosse, poi ho continuato a leggere
⋮ƎlectroYou e ne sai di più!
41 messaggi
• Pagina 4 di 5 • 1, 2, 3, 4, 5
Torna a Impianti, sicurezza e quadristica
Chi c’è in linea
Visitano il forum: Nessuno e 110 ospiti

Elettrotecnica e non solo (admin)
Un gatto tra gli elettroni (IsidoroKZ)
Esperienza e simulazioni (g.schgor)
Moleskine di un idraulico (RenzoDF)
Il Blog di ElectroYou (webmaster)
Idee microcontrollate (TardoFreak)
PICcoli grandi PICMicro (Paolino)
Il blog elettrico di carloc (carloc)
DirtEYblooog (dirtydeeds)
Di tutto... un po' (jordan20)
AK47 (lillo)
Esperienze elettroniche (marco438)
Telecomunicazioni musicali (clavicordo)
Automazione ed Elettronica (gustavo)
Direttive per la sicurezza (ErnestoCappelletti)
EYnfo dall'Alaska (mir)
Apriamo il quadro! (attilio)
H7-25 (asdf)
Passione Elettrica (massimob)
Elettroni a spasso (guidob)
Bloguerra (guerra)




