potete darmi qualche spiegazione o qualche parola chiave per comprendere l 'uso di resistenze molto basse per disaccoppiare ingressi per tensioni di riferimento.
Solitamente le vedo da 33 ohm con il solito condensatore in parallelo in gnd
Grazie
resistenza molto bassa per disaccoppiare
Moderatori:
carloc,
g.schgor,
BrunoValente,
IsidoroKZ
0
voti
0
voti
Valutando l' alimentazione di un attiny...leggevo un post dove viene riportato:
"...Molto importante anche disaccoppiare gli ingressi usati come riferimento di tensione, in questo caso è meglio mettere una resistenza da 33-100 ohm in serie alla tensione un condensatore da 220 nF tra il pin e GND, sempre con i collegamenti il più corti possibile......"
Che funzione ha una resistenza così bassa ?
e facendo mente locale .... vedo spesso nei PCB resistenze molto basse.
Saluto
"...Molto importante anche disaccoppiare gli ingressi usati come riferimento di tensione, in questo caso è meglio mettere una resistenza da 33-100 ohm in serie alla tensione un condensatore da 220 nF tra il pin e GND, sempre con i collegamenti il più corti possibile......"
Che funzione ha una resistenza così bassa ?
e facendo mente locale .... vedo spesso nei PCB resistenze molto basse.
Saluto
0
voti
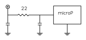
A me è capitato una volta di dover inserire una 22 ohm con un condensatore da 1 micro in serie all'alimentazione di un microcontrollore per eliminare dei disturbi su un segnale video. Un'altra volta invece ho dovuto mettere delle 100 ohm su una linea IIC e dei condensatori da 1 nF sempre per lo stesso motivo.
2
voti

"La follia sta nel fare sempre la stessa cosa aspettandosi risultati diversi".
"Parla soltanto quando sei sicuro che quello che dirai è più bello del silenzio".
Rispondere è cortesia, ma lasciare l'ultima parola ai cretini è arte.
"Parla soltanto quando sei sicuro che quello che dirai è più bello del silenzio".
Rispondere è cortesia, ma lasciare l'ultima parola ai cretini è arte.
-

TardoFreak
73,9k 8 12 13 - -EY Legend-

- Messaggi: 15754
- Iscritto il: 16 dic 2009, 11:10
- Località: Torino - 3° pianeta del Sistema Solare
0
voti
ok, quindi qual è la funzione che svolge una resistenza così bassa ?
grazie
grazie
0
voti
sisi ha scritto:ok, quindi qual è la funzione che svolge una resistenza così bassa?
Ti è stato chiesto uno schema per fare più chiarezza, se non lo vuoi postare almeno posta un link a dove hai visto questa configurazione.
La resistenza con condensatore in serie all' alimentazione del micro, è qualcosa che non ha molto senso. Gli schemi non si spiegano solo a parole.
Mi associo a
0
voti
Giusto allora metto lo schema così si capisce meglio cosa intendevo dire :)
@ sisi, ti conviene seguire il loro consiglio, sennò non si sa di cosa si tratti
@ sisi, ti conviene seguire il loro consiglio, sennò non si sa di cosa si tratti

1
voti
Scusate la confusione, non era mio obbiettivo.
Allora il dubio nasce leggendo questo intrervento di un utente in questo forum:
http://arduino.cc/forum/index.php?topic=79858.0;wap2
L' utente risponde:
Qualcuno utilizza un condensatore da 0.1uF, chi da 100nF, chi altri ne mette 2 in parallelo : 10uF e 100nF.
Cerco di spiegartelo in modo semplice, però l'argomento è molto complesso e delicato.
0.1 uF = 100 nf, cioè è lo stesso valore espresso con diversi prefissi dell'unità di misura.
Il condensatore tra Vdd e GND va messo sempre su tutti gli integrati e deve essere collegato con le piste più brevi possibili ai relativi pin, se l'IC ha più punti di connessione per Vdd e GND tra loro non contigui deve essere posto un condensatore per ogni coppia, il valore standard è 100nf, ma a volte si usano valori minori o maggiori a seconda delle raccomandazioni del produttore.
Questi condensatori svolgono l'importante compito di disaccoppiare l'alimentazione del micro da quella generale, tieni presente che le piste del PCB possiedono una loro resitenza, seppur piccola, e durante i vari picchi di corrente, che possono essere anche di centinaia di mA, fanno abbassare la tensione di alimentazione generando del rumore sincronizzato con l'andamento della corrente assorbita dal componente.
La presenza del condensatore, che risulta in serie alla r parassita del PCB, forma sia un filtro passa basso che una riserva di energia che permette di ridurre notevolmente le variazioni di tensione su i pin di alimentazione con la conseguente riduzione del rumore generale su tutto il PCB.
Molto importante anche disaccoppiare gli ingressi usati come riferimento di tensione, in questo caso è meglio mettere una resistenza da 33-100 ohm in serie alla tensione un condensatore da 220 nF tra il pin e GND, sempre con i collegamenti il più corti possibile.
Nel caso di pin di alimentazione ADC, il classico AVcc, è buona norma disaccopiarlo con la resistenza da 33 ohm e il condensatore da 220 nf, se c'è anche un AGND (ground analogico) sarebbe il caso di disaccoppiare la massa digitale da quella analogica tenendole separate sul PCB salvo un piccolo punto di contatto opportunamente filtrato, e qui cominci a capire perché realizzare un PCB fatto bene non è una cosa semplice
"
NON capisco l' importanza di una resistenza a 33 ohm
Grazie
Allora il dubio nasce leggendo questo intrervento di un utente in questo forum:
http://arduino.cc/forum/index.php?topic=79858.0;wap2
L' utente risponde:
Qualcuno utilizza un condensatore da 0.1uF, chi da 100nF, chi altri ne mette 2 in parallelo : 10uF e 100nF.
Cerco di spiegartelo in modo semplice, però l'argomento è molto complesso e delicato.
0.1 uF = 100 nf, cioè è lo stesso valore espresso con diversi prefissi dell'unità di misura.
Il condensatore tra Vdd e GND va messo sempre su tutti gli integrati e deve essere collegato con le piste più brevi possibili ai relativi pin, se l'IC ha più punti di connessione per Vdd e GND tra loro non contigui deve essere posto un condensatore per ogni coppia, il valore standard è 100nf, ma a volte si usano valori minori o maggiori a seconda delle raccomandazioni del produttore.
Questi condensatori svolgono l'importante compito di disaccoppiare l'alimentazione del micro da quella generale, tieni presente che le piste del PCB possiedono una loro resitenza, seppur piccola, e durante i vari picchi di corrente, che possono essere anche di centinaia di mA, fanno abbassare la tensione di alimentazione generando del rumore sincronizzato con l'andamento della corrente assorbita dal componente.
La presenza del condensatore, che risulta in serie alla r parassita del PCB, forma sia un filtro passa basso che una riserva di energia che permette di ridurre notevolmente le variazioni di tensione su i pin di alimentazione con la conseguente riduzione del rumore generale su tutto il PCB.
Molto importante anche disaccoppiare gli ingressi usati come riferimento di tensione, in questo caso è meglio mettere una resistenza da 33-100 ohm in serie alla tensione un condensatore da 220 nF tra il pin e GND, sempre con i collegamenti il più corti possibile.
Nel caso di pin di alimentazione ADC, il classico AVcc, è buona norma disaccopiarlo con la resistenza da 33 ohm e il condensatore da 220 nf, se c'è anche un AGND (ground analogico) sarebbe il caso di disaccoppiare la massa digitale da quella analogica tenendole separate sul PCB salvo un piccolo punto di contatto opportunamente filtrato, e qui cominci a capire perché realizzare un PCB fatto bene non è una cosa semplice
NON capisco l' importanza di una resistenza a 33 ohm
Grazie
Chi c’è in linea
Visitano il forum: Majestic-12 [Bot] e 191 ospiti

Elettrotecnica e non solo (admin)
Un gatto tra gli elettroni (IsidoroKZ)
Esperienza e simulazioni (g.schgor)
Moleskine di un idraulico (RenzoDF)
Il Blog di ElectroYou (webmaster)
Idee microcontrollate (TardoFreak)
PICcoli grandi PICMicro (Paolino)
Il blog elettrico di carloc (carloc)
DirtEYblooog (dirtydeeds)
Di tutto... un po' (jordan20)
AK47 (lillo)
Esperienze elettroniche (marco438)
Telecomunicazioni musicali (clavicordo)
Automazione ed Elettronica (gustavo)
Direttive per la sicurezza (ErnestoCappelletti)
EYnfo dall'Alaska (mir)
Apriamo il quadro! (attilio)
H7-25 (asdf)
Passione Elettrica (massimob)
Elettroni a spasso (guidob)
Bloguerra (guerra)




