Cos'è ElectroYou | Login Iscriviti

ElectroYou - la comunità dei professionisti del mondo elettrico

resistenza molto bassa per disaccoppiare

Elettronica lineare e digitale: didattica ed applicazioni

Moderatori: Foto Utentecarloc, Foto Utenteg.schgor, Foto UtenteBrunoValente, Foto UtenteIsidoroKZ

0
voti

[21] Re: resistenza molto bassa per disaccoppiare

Messaggioda Foto UtenteBonax » 26 giu 2012, 13:02

Libro 1:

http://www.google.it/url?sa=t&rct=j&q=t ... 5A&cad=rja

Libro 2:

http://www.amazon.com/Real-World-Spring ... 1402071302

Bonax ha scritto:L'ho scritta ma dev'essere andata persa.

Premetto che libri di progettazione dei circuiti stampati e ne ho appena presi 2 nuovi, perciò non è frutto della mia immaginazione ma di prove sperimentali fatte da esperti.

Oggi i uP hanno frequenze di lavoro molto alte, io uso PIC con clock da 64MHz, capisci che queste frequenze possono essere usate anche per trasmissioni radio.
Quando c'è una pista di rame che commuta molto velocemente per trasmettere un segnale digitale, questa genera una corrente di ritorno sul piano di rame sottostante che solitamente è la massa.


Libro 2 capitolo 4

Bonax ha scritto:Inoltre la massa a causa di queste veloci commutazioni e alle operazioni all'interno del micro, non è a zero volt costante, ma varia anche se di poco proprio per questi motivi.


Libro 1 Pag.189

Bonax ha scritto:Ora i disturbi ad alta frequenza presenti sulla massa, quando incontrano una spaccatura nel rame causata dalla connessione delle 2 parti tramite la resistenza a zero ohm, non riescono a superare l'ostacolo, perché a causa della loro natura che gli fa "vedere" un alta impedenza dovuta al passaggio da rame a conduttre della resistenza.


Libro 2 Cap.5.2 Split Reference Planes
E per la resistenza zero ohm Libro 2 pag.168 cap9.4.3 Non-Ideal Zero Ohm Resistor

Ora i punti negativi mi sono stati dati, questo mi offende perché chi me li ha dati si è ostinato sulle sue conoscenze senza approfondire prima di agire e senza mettersi in discussione, quello che io ho fatto perché tutti possiamo sbagliare, e secondo me sbagliare è un occasione per poter imparare quello che non sapevamo o che abbiamo capito male.

Dopo questa esperienza non so se rimmarrò su questo forum e non so che opinione averne perché dopo questa esperienza posso aspettarmi che persone con reputazione altissima non conoscano bene l'argomento o perlomeno non abbiano intenzione di approfondire restando nella loro cocciutaggine.
Avatar utente
Foto UtenteBonax
-17 2
 
Messaggi: 46
Iscritto il: 24 giu 2012, 13:21

0
voti

[22] Re: resistenza molto bassa per disaccoppiare

Messaggioda Foto UtenteIsidoroKZ » 26 giu 2012, 13:20

Non ho l'abitudine di dare voti negativi. Ma cio` non toglie che non basti comprare dei libri, si debbano anche capire. Ad esempio quello che hai scritto sulle spaccature di piani di riferimento non e` quello che c'e` scritto nel capitolo 5.2 del libro: non hai chiaro l'argomento e hai detto una fesseria.

Nella trasmissione dell'informazioni ci sono tre passaggi che possono introdurre errori: la sorgente potrebbe non essere corretta (e si`, anche i libri talvolta dicono delle cose sbagliate), la comprensione della sorgente potrebbe essere deficitaria, e infine la spiegazione di quanto si e` capito puo` non essere precisa.

Non so chi ti abbia dato i punti negativi, non ne do mai, probabilmente ti sono stati dati per l'atteggiamento, di errori ne fanno tutti: anche se con la compatibilita` ci pago le bollette, capita anche a me di farne. In questo caso pero` no, hai detto delle cose senza senso.

Se vuoi lasciare questo forum devo dire che non me ne dispiacero`: ci saranno un po' di errori in meno da correggere, e sull'emc e` particolarmente oneroso spiegare come stanno le cose la materia e` complicata e in questo periodo ho poco tempo.
Per usare proficuamente un simulatore, bisogna sapere molta più elettronica di lui
Plug it in - it works better!
Il 555 sta all'elettronica come Arduino all'informatica! (entrambi loro malgrado)
Se volete risposte rispondete a tutte le mie domande
Avatar utente
Foto UtenteIsidoroKZ
121,2k 1 3 8
G.Master EY
G.Master EY
 
Messaggi: 21059
Iscritto il: 17 ott 2009, 0:00

0
voti

[23] Re: resistenza molto bassa per disaccoppiare

Messaggioda Foto UtenteRenzoDF » 26 giu 2012, 13:46

Per i curiosi posto quanto detto a pag. 168 del secondo testo citato (Libro2) sull'uso degli zero ohm resistors come "place holders" :!:

2012-06-26_134408.gif
2012-06-26_134408.gif (27.52 KiB) Osservato 2356 volte
"Il circuito ha sempre ragione" (Luigi Malesani)
Avatar utente
Foto UtenteRenzoDF
55,9k 8 12 13
G.Master EY
G.Master EY
 
Messaggi: 13189
Iscritto il: 4 ott 2008, 9:55

0
voti

[24] Re: resistenza molto bassa per disaccoppiare

Messaggioda Foto UtenteBonax » 26 giu 2012, 17:58

Ciao Isidoro, il mio atteggamento è sempre stato cordiale, ti ho chiesto di spiegare te meglio e di correggermi, perché sono il primo a mettermi in discussione.

Come ti ho già scritto le mie intenzioni erano di dare delle indicazioni sull'argomento, che davano la possibilità a chi era interessato di approfondire facendo ricerche su internet.

Io non ho parlato di problemi riguardanti l'integrità del segnale, ma il capitolo 5.2 era l'inizio per capire il fenomeno che rende il passaggio attraverso uno split un ostacolo per i disturbi ad alta frequenza, così come le resistenze da zero ohm, a causa dell'induttanza parassita.

Sicuramente ne saprai di + di me, ma ripeto, si può dire che ho riassunto alcuni capitoli in una frase, con l'intenzione di far sapere l'esistenza di alcuni fenomeni. Non sono qui a fare il professore a nessuno.
Avatar utente
Foto UtenteBonax
-17 2
 
Messaggi: 46
Iscritto il: 24 giu 2012, 13:21

0
voti

[25] Re: resistenza molto bassa per disaccoppiare

Messaggioda Foto UtenteIsidoroKZ » 26 giu 2012, 19:40

Bonax ha scritto: il capitolo 5.2 era l'inizio per capire il fenomeno che rende il passaggio attraverso uno split un ostacolo per i disturbi ad alta frequenza,

A me sembra che il capitolo 5.2 dica delle cose completamente diverse. Quella che hai scritto (alta impedenza dovuta al passaggio da rame a conduttre della resistenza) e` una fesseria per se, e il capitolo 5.2 si riferisce alle radiate delle correnti di ritorno. La corrente di ritorno non puo` passare oltre l'interruzione e quindi irradia! Quel capitolo non ha niente a che vedere con il confinamento dei disturbi.
Bonax ha scritto:così come le resistenze da zero ohm, a causa dell'induttanza parassita.

Anche qui non ci siamo. Quanto vale l'induttanza di una R da 0Ω? A quale contesto si riferisce il problema?
Per usare proficuamente un simulatore, bisogna sapere molta più elettronica di lui
Plug it in - it works better!
Il 555 sta all'elettronica come Arduino all'informatica! (entrambi loro malgrado)
Se volete risposte rispondete a tutte le mie domande
Avatar utente
Foto UtenteIsidoroKZ
121,2k 1 3 8
G.Master EY
G.Master EY
 
Messaggi: 21059
Iscritto il: 17 ott 2009, 0:00

0
voti

[26] Re: resistenza molto bassa per disaccoppiare

Messaggioda Foto UtenteBonax » 26 giu 2012, 20:29

Va bene isidoro, hai ragione te, mi hai rotto.

Come hai scritto te, la corrente di ritorno non passa attraverso gli split della schede, e viene irradiata, questo perciò crea un ostacolo alle correnti "di disturbo" sul piano di massa, che non raggiungono la massa della parte analogica da proteggere. Sei d'accordo?
Può darsi che il problema sia che fraintendi quello che dico, le correnti presenti nel piano di massa possono raggiungere anche parti al di fuori della pista che le genera. Sapere che il piano di massa le disperde può essere un vantaggio nel caso in cui si voglia "proteggere" un piano in particolare, a scapito dell' emc.

Il contesto è sempre stato quello della protezione dell'alimentazione di una parte di circuito dai disturbi generati da microprocessori ecc... L'itegrità del segnale l'hai tirata fuori te.

Che mi chiedi quanto vale l'induttanza di una zero ohm adesso mi preoccupa...
Ho sempre detto che la zero ohm, come tutte le resistenze, ha un'induttanza parassita, che alle alte frequenze si fa "sentire", e questo lo ha anche pubblicato con l'immagine RenzoDF:
......."zero ohm" resistor is actualy a small inductor......

Sei d'accordo sull'esistenza dell'induttanza parassita un una resistenza da zero ohm.
Avatar utente
Foto UtenteBonax
-17 2
 
Messaggi: 46
Iscritto il: 24 giu 2012, 13:21

0
voti

[27] Re: resistenza molto bassa per disaccoppiare

Messaggioda Foto UtenteBonax » 26 giu 2012, 21:00

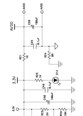
Qui si può vedere quello che l'autore dice a riguardo della resistenza.

Circuito.JPG
Circuito.JPG (10.86 KiB) Osservato 2280 volte


Il documento originale si trova qui.

http://ww1.microchip.com/downloads/en/D ... 70610A.PDF

Divide la massa del micro da quella analogica.
Avatar utente
Foto UtenteBonax
-17 2
 
Messaggi: 46
Iscritto il: 24 giu 2012, 13:21

2
voti

[28] Re: resistenza molto bassa per disaccoppiare

Messaggioda Foto UtenteTardoFreak » 26 giu 2012, 21:48

Non sono un analogico ma un microcontrollista.
Ciò detto,
Leggendo quello che ha riportato Foto UtenteRenzoDF nel post [23] e vedendo il circuito che hai postato la mia chiave di lettura è: "mettici una resistenza da 0 ohm, se poi ti accorgi che passano troppi disturbi la puoi sempre sostituire con una ferrite senza dover rifare il circuito stampato".
"La follia sta nel fare sempre la stessa cosa aspettandosi risultati diversi".
"Parla soltanto quando sei sicuro che quello che dirai è più bello del silenzio".
Rispondere è cortesia, ma lasciare l'ultima parola ai cretini è arte.
Avatar utente
Foto UtenteTardoFreak
73,9k 8 12 13
-EY Legend-
-EY Legend-
 
Messaggi: 15754
Iscritto il: 16 dic 2009, 11:10
Località: Torino - 3° pianeta del Sistema Solare

0
voti

[29] Re: resistenza molto bassa per disaccoppiare

Messaggioda Foto UtenteBonax » 26 giu 2012, 22:07

Si Tardo ci puoi leggere questo, ma l'autore dice che:

the zero ohm is actually a small inductor as a result of the interconnect and component parasitics and therefore provides a small amount of series filtering.

quindi le interconnessioni e le componenti parassite della resistenza forniscono un piccolo filtraggio che dipende sicuramente dalla frequenza del disturbo.


Ma hai un'attività di progettazione elettronica?
Avatar utente
Foto UtenteBonax
-17 2
 
Messaggi: 46
Iscritto il: 24 giu 2012, 13:21

0
voti

[30] Re: resistenza molto bassa per disaccoppiare

Messaggioda Foto UtenteTardoFreak » 26 giu 2012, 22:21

Bonax ha scritto:the zero ohm is actually a small inductor as a result of the interconnect and component parasitics and therefore provides a small amount of series filtering.

Infatti. In pratica dice che ha una debole induttanza che introduce un leggero filtraggio in serie.
Che io traduco in "piuttosto che niente, meglio piuttosto".
Ma se non basta il piuttosto ci metto una ferrite e vivo felice.
Bonax ha scritto:Ma hai un'attività di progettazione elettronica?

Beh, si. Non solo di progettazione.
Eh, lo so, nessuno è perfetto. :mrgreen:
"La follia sta nel fare sempre la stessa cosa aspettandosi risultati diversi".
"Parla soltanto quando sei sicuro che quello che dirai è più bello del silenzio".
Rispondere è cortesia, ma lasciare l'ultima parola ai cretini è arte.
Avatar utente
Foto UtenteTardoFreak
73,9k 8 12 13
-EY Legend-
-EY Legend-
 
Messaggi: 15754
Iscritto il: 16 dic 2009, 11:10
Località: Torino - 3° pianeta del Sistema Solare

PrecedenteProssimo

Torna a Elettronica generale

Chi c’è in linea

Visitano il forum: Majestic-12 [Bot] e 166 ospiti