Nico89 ha scritto:Percorso chiuso costituito da lati che non tocca alcun nodo più di una volta.
Quindi perché ci racconti che non riesci ad "evitare le maglie chiuse"?
Moderatori:
g.schgor,
IsidoroKZ
Nico89 ha scritto:Percorso chiuso costituito da lati che non tocca alcun nodo più di una volta.
RenzoDF ha scritto:Quindi perché ci racconti che non riesci ad "evitare le maglie chiuse"?
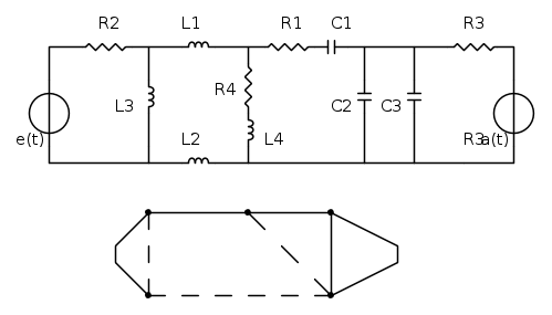
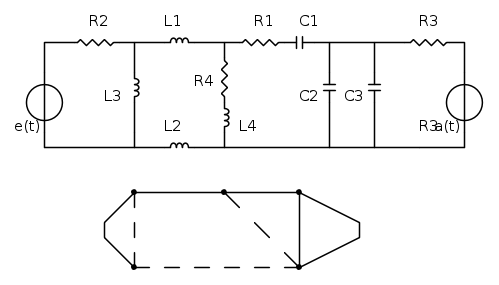
Nico89 ha scritto:Da quello che so non si può presentare una situazione come all'estrema destra del disegno ...ho seri dubbi sull'esattezza del grafo visto che i rami sono 5 quando dovrebbero essere 4,
Nico89 ha scritto:Le linee continue rappresentano l'albero, mentre quelle tratteggiate il coalbero.
Nico89 ha scritto:... ma non saprei come trattare gli induttori..
RenzoDF ha scritto:.. nel tuo sono già passati con la motosega.

Nico89 ha scritto:Potrebbe essere così?
Anche se non son sicuro visto che ho 5 rami che invece dovrebbero essere 4
Torna a Elettrotecnica generale
Visitano il forum: Google Adsense [Bot] e 22 ospiti