
e quindi con tale convenzione

è corretto?
Moderatori:
g.schgor,
IsidoroKZ


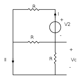
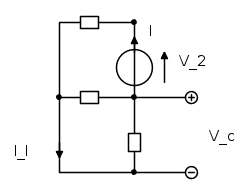
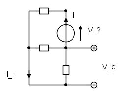
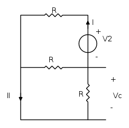
per t >0, nell'ipotesi in cui la rete sia a regime prima dell'istante t = 0, in cui si ha la chiusura dell'interruttore k.


, dove
è la resistenza equivalente vista ai capi del generatore 




Torna a Elettrotecnica generale
Visitano il forum: Nessuno e 57 ospiti