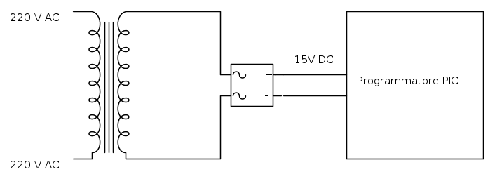
Buongiorno, ho comprato un programmatore per PIC e per alimentarlo richiede un alimentatore che fornisca una tensione non stabilizzata tra 12 e 15 volt e sia in grado di fornire almeno 300ma.
Io ho un trasformatore che fornisce 15V, ma non so la corrente che sia in grado di erogare.
Dato che la tensione non deve essere stabilizzata, è sufficiente che io colleghi il trasformatore ad un ponte diodi e poi le uscite, che danno la tensione continua, le colleghi al programmatore?
Alimentatore
Moderatori:
carloc,
g.schgor,
BrunoValente,
IsidoroKZ
3 messaggi
• Pagina 1 di 1
0
voti
[2] Re: Alimentatore
Gammaray ha scritto:Dato che la tensione non deve essere stabilizzata, è sufficiente che io colleghi il trasformatore ad un ponte diodi e poi le uscite, che danno la tensione continua, le colleghi al programmatore?
No, non è sufficiente: hai bisogno di un condensatore elettrolitico di filtro a valle del ponte di Graetz: un
dovrebbe andare bene.Ad ogni modo la tensione DC che otteresti, livellata dal condensatore, si aggirerebbe sui 19..20V non 15V (che è la tensione efficace ai capi del secondario del trasformatore).
3 messaggi
• Pagina 1 di 1
Chi c’è in linea
Visitano il forum: Nessuno e 145 ospiti

Elettrotecnica e non solo (admin)
Un gatto tra gli elettroni (IsidoroKZ)
Esperienza e simulazioni (g.schgor)
Moleskine di un idraulico (RenzoDF)
Il Blog di ElectroYou (webmaster)
Idee microcontrollate (TardoFreak)
PICcoli grandi PICMicro (Paolino)
Il blog elettrico di carloc (carloc)
DirtEYblooog (dirtydeeds)
Di tutto... un po' (jordan20)
AK47 (lillo)
Esperienze elettroniche (marco438)
Telecomunicazioni musicali (clavicordo)
Automazione ed Elettronica (gustavo)
Direttive per la sicurezza (ErnestoCappelletti)
EYnfo dall'Alaska (mir)
Apriamo il quadro! (attilio)
H7-25 (asdf)
Passione Elettrica (massimob)
Elettroni a spasso (guidob)
Bloguerra (guerra)



