Ripeto la domanda 2.
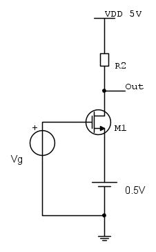
2) Sulla resistenza R2 a riposo ci sono 2.5V. Se si abbassa la tensione VGS la caduta di tensione su R2 si abbassa. Supponiamo di abbassare la tensione di gate finche' il MOS arriva praticamente alla interdizione. Anche la caduta di tensione su R2 sara` nulla.
Ora la domanda: di quanto vuoi che si abbassi la tensione di gate, e quindi la VGS per passare da 2.5V su R2 a 0V ai capi di R2? Non ho chiesto quanto deve valere la tensione di gate, ma di quanto deve abbassarsi per spegnere il MOS.
(si potrebbe anche fare nell'altro verso, andando verso un aumento di corrente finche' il MOS esce dalla saturazione e va in zona triodo, ma e` piu` complicato)
Dimensionare nMos
Moderatori:
carloc,
g.schgor,
BrunoValente,
IsidoroKZ
0
voti
Per usare proficuamente un simulatore, bisogna sapere molta più elettronica di lui
Plug it in - it works better!
Il 555 sta all'elettronica come Arduino all'informatica! (entrambi loro malgrado)
Se volete risposte rispondete a tutte le mie domande
Plug it in - it works better!
Il 555 sta all'elettronica come Arduino all'informatica! (entrambi loro malgrado)
Se volete risposte rispondete a tutte le mie domande
0
voti
non sono sicuro di aver capito. per fare andare a 0 la tensione su R2, devo mandare tutta la corrente su R1 (infatti la Id sarebbe 0) e la corrente su R1 sarebbe
.
devo fare la klv sulla maglia superiore?
Edit: se la VDSsat = 5%VDD e
, risulterebbe
. per fare in modo che si spenga il MOS, la Vgs deve diminuire di una quantità superiore a 0.25V
o non è questo che intedevi?
.devo fare la klv sulla maglia superiore?
Edit: se la VDSsat = 5%VDD e
, risulterebbe
. per fare in modo che si spenga il MOS, la Vgs deve diminuire di una quantità superiore a 0.25Vo non è questo che intedevi?
0
voti
Non riesco a spiegarmi, provo a prenderla al contrario.
Supponiamo che sul source ci sia 0.5V, che hai scelto tu, e mi pare una buona scelta.
Supponiamo che Vg sia 1.2V, cioe` la tensione di source (quella e` fissa) piu` la tensione di soglia.
In queste condizioni Id=0 e la tensione Vout e` di 5V. La caduta di tensione su R2 e` nulla.
Adesso alziamo Vg. Quando Vg si alza Id comincia a crescere, la caduta di tensione su R2 aumenta. A un certo punto Vout diventa di 2.5V, e la caduta di tensione su R2 e` anche di 2.5V.
In queste condizioni quanto vuoi che sia la tensione Vg? O analogamente, togliendo mezzo volt, la tensione Vgs?
Supponiamo che sul source ci sia 0.5V, che hai scelto tu, e mi pare una buona scelta.
Supponiamo che Vg sia 1.2V, cioe` la tensione di source (quella e` fissa) piu` la tensione di soglia.
In queste condizioni Id=0 e la tensione Vout e` di 5V. La caduta di tensione su R2 e` nulla.
Adesso alziamo Vg. Quando Vg si alza Id comincia a crescere, la caduta di tensione su R2 aumenta. A un certo punto Vout diventa di 2.5V, e la caduta di tensione su R2 e` anche di 2.5V.
In queste condizioni quanto vuoi che sia la tensione Vg? O analogamente, togliendo mezzo volt, la tensione Vgs?
Per usare proficuamente un simulatore, bisogna sapere molta più elettronica di lui
Plug it in - it works better!
Il 555 sta all'elettronica come Arduino all'informatica! (entrambi loro malgrado)
Se volete risposte rispondete a tutte le mie domande
Plug it in - it works better!
Il 555 sta all'elettronica come Arduino all'informatica! (entrambi loro malgrado)
Se volete risposte rispondete a tutte le mie domande
0
voti
scusami, ma non ti seguo.
Intanto, che significa "quanto vuoi che valga"? che la Vg è un valore che devo imporre e non ricavare?
Se la Vg=1.2V in partenza, significa che la Vgs=0.7V all'inizio.
Dobbiamo alzare la Vg, finché Vout(=Vd)=2.5V, cioè Vds=2V.
Sarà una cavolata, ma mi sfugge il collegamento diretto tra la Vg (o Vgs) e la Vd
Intanto, che significa "quanto vuoi che valga"? che la Vg è un valore che devo imporre e non ricavare?
Se la Vg=1.2V in partenza, significa che la Vgs=0.7V all'inizio.
Dobbiamo alzare la Vg, finché Vout(=Vd)=2.5V, cioè Vds=2V.
Sarà una cavolata, ma mi sfugge il collegamento diretto tra la Vg (o Vgs) e la Vd
0
voti
Non il legame fra Vgs e Vd ma fra la variazione di Vgs (e quindi anche di Vg) e la variazione di Vd. E` il punto cruciale per non trovarsi con valori negativi.
Per usare proficuamente un simulatore, bisogna sapere molta più elettronica di lui
Plug it in - it works better!
Il 555 sta all'elettronica come Arduino all'informatica! (entrambi loro malgrado)
Se volete risposte rispondete a tutte le mie domande
Plug it in - it works better!
Il 555 sta all'elettronica come Arduino all'informatica! (entrambi loro malgrado)
Se volete risposte rispondete a tutte le mie domande
0
voti
parlando di rapporti fra variazioni, mi vengono in mente solo la transconduttanza gm e la conduttanza d'uscita g0,
ma quelle comprendono la variazione della Id, imponendo costante la Vgs o la Vds
Per il collegamento fra le variazioni di Vgs e Vds ho trovato solo il circuito invertitore a mosfet, dal cui grafico si vede che aumentando la Vgs, la Vds diminuisce.
Ma non so se è questo il caso che intendi tu
ma quelle comprendono la variazione della Id, imponendo costante la Vgs o la Vds
Per il collegamento fra le variazioni di Vgs e Vds ho trovato solo il circuito invertitore a mosfet, dal cui grafico si vede che aumentando la Vgs, la Vds diminuisce.
Ma non so se è questo il caso che intendi tu
0
voti
Ti lascio cuocere un po' sul problema. Rileggi bene le specifiche che devi soddisfare nel progettare lo stadio.
Per usare proficuamente un simulatore, bisogna sapere molta più elettronica di lui
Plug it in - it works better!
Il 555 sta all'elettronica come Arduino all'informatica! (entrambi loro malgrado)
Se volete risposte rispondete a tutte le mie domande
Plug it in - it works better!
Il 555 sta all'elettronica come Arduino all'informatica! (entrambi loro malgrado)
Se volete risposte rispondete a tutte le mie domande
0
voti
Nessuna idea? Rapporto di variazioni, qualcosa tipo
? O magari anche
?
E` qualcosa di analogo alla gm, ma la gm e` solo per il dispositivo, mentre qui mi sto riferendo a tutto lo stadio.
? O magari anche
? E` qualcosa di analogo alla gm, ma la gm e` solo per il dispositivo, mentre qui mi sto riferendo a tutto lo stadio.
Per usare proficuamente un simulatore, bisogna sapere molta più elettronica di lui
Plug it in - it works better!
Il 555 sta all'elettronica come Arduino all'informatica! (entrambi loro malgrado)
Se volete risposte rispondete a tutte le mie domande
Plug it in - it works better!
Il 555 sta all'elettronica come Arduino all'informatica! (entrambi loro malgrado)
Se volete risposte rispondete a tutte le mie domande
1
voti
Quello e` il guadagno dello stadio, quello che deve essere almeno 29. Poi a causa delle non linearita` lo si fara` un po' piu` alto.
Per avere 2V di variazione sul drain il gate deve spostarsi AL MASSIMO di 2V/29=60mV circa.
Vuol dire che a riposto la VGS deve essere pari a VTH piu` 60mV: quando la tensione di gate scende di 60mV la tensione di drain sale di 2V: questo e` il guadagno che ti serve per far oscillare l'oscillatore.
Se il tutto fosse lineare (non lo e`) allora alzando di 60mV la tensione di gate, la tensione VDS dovrebbe scendere quasi a 0V: ci scende ma molto prima di aver raggiunto Vriposo+60mV.
Comunque hai una prima stima della tensione minima che ci puo` essere sul drain prima che il MOS vada in zona triodo.
A questo punto scegli una corrente di bias, la resistenza di drain, sai quanto deve guadagnare e hai la gm. Data la gm e la corrente di drain, calcoli W/L.
Devo scappare, continuo dopo.
Per avere 2V di variazione sul drain il gate deve spostarsi AL MASSIMO di 2V/29=60mV circa.
Vuol dire che a riposto la VGS deve essere pari a VTH piu` 60mV: quando la tensione di gate scende di 60mV la tensione di drain sale di 2V: questo e` il guadagno che ti serve per far oscillare l'oscillatore.
Se il tutto fosse lineare (non lo e`) allora alzando di 60mV la tensione di gate, la tensione VDS dovrebbe scendere quasi a 0V: ci scende ma molto prima di aver raggiunto Vriposo+60mV.
Comunque hai una prima stima della tensione minima che ci puo` essere sul drain prima che il MOS vada in zona triodo.
A questo punto scegli una corrente di bias, la resistenza di drain, sai quanto deve guadagnare e hai la gm. Data la gm e la corrente di drain, calcoli W/L.
Devo scappare, continuo dopo.
Per usare proficuamente un simulatore, bisogna sapere molta più elettronica di lui
Plug it in - it works better!
Il 555 sta all'elettronica come Arduino all'informatica! (entrambi loro malgrado)
Se volete risposte rispondete a tutte le mie domande
Plug it in - it works better!
Il 555 sta all'elettronica come Arduino all'informatica! (entrambi loro malgrado)
Se volete risposte rispondete a tutte le mie domande
Chi c’è in linea
Visitano il forum: Majestic-12 [Bot] e 46 ospiti

Elettrotecnica e non solo (admin)
Un gatto tra gli elettroni (IsidoroKZ)
Esperienza e simulazioni (g.schgor)
Moleskine di un idraulico (RenzoDF)
Il Blog di ElectroYou (webmaster)
Idee microcontrollate (TardoFreak)
PICcoli grandi PICMicro (Paolino)
Il blog elettrico di carloc (carloc)
DirtEYblooog (dirtydeeds)
Di tutto... un po' (jordan20)
AK47 (lillo)
Esperienze elettroniche (marco438)
Telecomunicazioni musicali (clavicordo)
Automazione ed Elettronica (gustavo)
Direttive per la sicurezza (ErnestoCappelletti)
EYnfo dall'Alaska (mir)
Apriamo il quadro! (attilio)
H7-25 (asdf)
Passione Elettrica (massimob)
Elettroni a spasso (guidob)
Bloguerra (guerra)




, ma ponendolo uguale a cosa?