Amplificatore differenziale
Moderatori:
carloc,
g.schgor,
BrunoValente,
IsidoroKZ
22 messaggi
• Pagina 2 di 3 • 1, 2, 3
0
voti
ciao ragazzi,ho anche io lo stesso problema nel capire che tipo di retroazione è presente in un circuito-Volevo chiedere questo metodo di cortocircuitare la resistenza e poi di aprirla da dove l'avete imparato?c'è qualche testo di riferimento,perché non l'ho ben capito ad esempio se prendiamo un AO invertente classico, alla cui uscita c'è il carico,se studiamo il modello equivalente associato quello con il pilotato muVid e la ro al secondario per intenderci facendo il vosto ragionamento se cortocircuito il carico il segnale va verso massa e non va nel pilotato che a quanto ho capito mi permette di far ritornare il segnale all'ingresso dell'operazionale ..e sono certo che il tipo do retroazione è parallelo-parallelo-Da qualche altra parte ho letto che l'utilizzo di Thevenin e Norton permetterebbero di capire ancora con più semplicità il tipo di retroazione vedendo(riferendomi sempre all'esempio di cui sopra)se generatore di alimentazione è collegato direttamente all'ingresso dell'operazionale o se c'è di mezzo ad esempio una resistenza,nel primo caso riporterei all'ingresso dell'operazionale direttamente una tensione ,quindi sommerei tensioni...all'ingresso e avrei una retroazione serie...spero di aver presentato bene il problema.
ho le idee un po confuse...qualcuno ha capito meglio come risolvere il problema?
ho le idee un po confuse...qualcuno ha capito meglio come risolvere il problema?
-

electrosasa
3 2 - Messaggi: 28
- Iscritto il: 30 giu 2012, 17:07
0
voti
Fai gli schemi con fidocad, si capiscono meglio e ti posso spiegare come fare.
Il modo di determinare il prelievo e il confronto che avevo descritto non mi pare sia molto diffuso, e` una regola pratica che ho "inventato" io e come me molti altri. E` poi anche finita sul libro di Franco sugli operazionali, ma solo dalla seconda edizione in avanti.
Il modo di determinare il prelievo e il confronto che avevo descritto non mi pare sia molto diffuso, e` una regola pratica che ho "inventato" io e come me molti altri. E` poi anche finita sul libro di Franco sugli operazionali, ma solo dalla seconda edizione in avanti.
Per usare proficuamente un simulatore, bisogna sapere molta più elettronica di lui
Plug it in - it works better!
Il 555 sta all'elettronica come Arduino all'informatica! (entrambi loro malgrado)
Se volete risposte rispondete a tutte le mie domande
Plug it in - it works better!
Il 555 sta all'elettronica come Arduino all'informatica! (entrambi loro malgrado)
Se volete risposte rispondete a tutte le mie domande
0
voti
libro di franco..di quale libro parli?
Ultima modifica di
simo85 il 1 lug 2012, 23:48, modificato 1 volta in totale.
Motivazione: Inserite immagini nel post in linea con il testo
Motivazione: Inserite immagini nel post in linea con il testo
-

electrosasa
3 2 - Messaggi: 28
- Iscritto il: 30 giu 2012, 17:07
0
voti
Fai gli schemi in Fidocad, è veloce da imparare e da usare e permette agli altri di modificarlo se necessario.
Per riferimenti guarda qui: http://www.electroyou.it/darwinne/wiki/fidocadj.
Visto che il metodo di
IsidoroKZ mi sembra interessante, lo posto io:
Io ho ragionato così: se cortocircuito l'uscita, non torna nulla in ingresso: il prelievo è di tensione; non capisco però la frase:
Per riferimenti guarda qui: http://www.electroyou.it/darwinne/wiki/fidocadj.
Visto che il metodo di
Io ho ragionato così: se cortocircuito l'uscita, non torna nulla in ingresso: il prelievo è di tensione; non capisco però la frase:
Se il segnale di retroazione arriva sullo stesso piedino del dispositivo di ingresso a cui arriva anche il segnale di corrente, il confronto e` in corrente, se arrivano su piedini diversi, il confrono e` in tensione.
-

angelsanct
196 1 5 - Frequentatore

- Messaggi: 112
- Iscritto il: 30 lug 2011, 21:46
6
voti
Questi sono i due casi per il confronto
Nel primo caso Vin e retroazione arrivano sullo stesso piedino: confronto in corrente, nel secondo arrivano su piedini diversi, confronto in tensione.
Nel primo caso Vin e retroazione arrivano sullo stesso piedino: confronto in corrente, nel secondo arrivano su piedini diversi, confronto in tensione.
Per usare proficuamente un simulatore, bisogna sapere molta più elettronica di lui
Plug it in - it works better!
Il 555 sta all'elettronica come Arduino all'informatica! (entrambi loro malgrado)
Se volete risposte rispondete a tutte le mie domande
Plug it in - it works better!
Il 555 sta all'elettronica come Arduino all'informatica! (entrambi loro malgrado)
Se volete risposte rispondete a tutte le mie domande
0
voti
quando scrivi confronto in corrente quindi intendi una configurazione parallelo in ingresso..e per l'uscita come ragioni?..anche l'uscita del primo operazionale dei due è un parallelo,,per intenderci il primo AO è in retroazione parallelo.parallelo... SEDRA docet
inoltre altri testi,scusate se mi ripeto suggeriscono che per capire il tipo di retroazione convienee trasformare l'ingresso dell ao con Norton e thevenin..ma poi non so che tipo di ragionamento fare..
grazie mille...anticipatamente per la disponibilità
inoltre altri testi,scusate se mi ripeto suggeriscono che per capire il tipo di retroazione convienee trasformare l'ingresso dell ao con Norton e thevenin..ma poi non so che tipo di ragionamento fare..
grazie mille...anticipatamente per la disponibilità
-

electrosasa
3 2 - Messaggi: 28
- Iscritto il: 30 giu 2012, 17:07
0
voti
Grazie
IsidoroKZ!
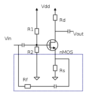
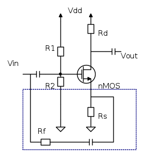
Quindi ad esempio nel seguente circuito:
La configurazione è di tipo parallelo-serie: il prelievo avviene in corrente, poiché se scollego tutto il carico connesso al drain esso rimane "appeso"; ed anche il confronto in corrente, poiché arrivano sullo stesso terminale sia il segnale di retroazione sia l'ingresso?
Quindi ad esempio nel seguente circuito:
La configurazione è di tipo parallelo-serie: il prelievo avviene in corrente, poiché se scollego tutto il carico connesso al drain esso rimane "appeso"; ed anche il confronto in corrente, poiché arrivano sullo stesso terminale sia il segnale di retroazione sia l'ingresso?
-

angelsanct
196 1 5 - Frequentatore

- Messaggi: 112
- Iscritto il: 30 lug 2011, 21:46
0
voti
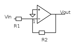
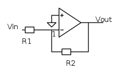
Mangiando mi è venuto in mente che anche il classico CS con degenerazione ha una sorta di retroazione:
Qui vi è un prelievo in corrente ed un confronto in tensione giusto?
Sempre mangiando ho pensato a questo schema circuitale:
Configurazione parallelo-parallelo: prelievo in tensione, confronto in corrente, è corretto?
Qui vi è un prelievo in corrente ed un confronto in tensione giusto?
Sempre mangiando ho pensato a questo schema circuitale:
Configurazione parallelo-parallelo: prelievo in tensione, confronto in corrente, è corretto?
-

angelsanct
196 1 5 - Frequentatore

- Messaggi: 112
- Iscritto il: 30 lug 2011, 21:46
4
voti
Per vedere il tipo di retroazione bisogna considerare chi e` il carico.
Se il carico e` Rd e la grandezza in uscita e` la corrente attraverso Rd. allora cortocircuitando Rd torna ancora retroazione, aprendo Rd non torna nulla quindi il prelievo e` in serie e la corrente e` la grandezza di uscita. L'uscita dell'ampli e` la corrente di collettore.
Se invece il carico e` dopo il condensatore, allora sia aprendo che chiudendo il carico torna sempre segnale di retroazione, la retroazione e` una combinazione lineare di I e di V, e l'impedenza di uscita, quella vista dal carico dopo il condensatore e` finita: nella relazione di Blackman c'e` sia Toc che Tsc.
Gli altri due schemi sono corretti: una R su source o su emettitore e` una retroazione con confronto in serie, prelievo in serie o in parallelo a seconda che sia in CE o un CC.
Per usare proficuamente un simulatore, bisogna sapere molta più elettronica di lui
Plug it in - it works better!
Il 555 sta all'elettronica come Arduino all'informatica! (entrambi loro malgrado)
Se volete risposte rispondete a tutte le mie domande
Plug it in - it works better!
Il 555 sta all'elettronica come Arduino all'informatica! (entrambi loro malgrado)
Se volete risposte rispondete a tutte le mie domande
22 messaggi
• Pagina 2 di 3 • 1, 2, 3
Chi c’è in linea
Visitano il forum: Nessuno e 177 ospiti

Elettrotecnica e non solo (admin)
Un gatto tra gli elettroni (IsidoroKZ)
Esperienza e simulazioni (g.schgor)
Moleskine di un idraulico (RenzoDF)
Il Blog di ElectroYou (webmaster)
Idee microcontrollate (TardoFreak)
PICcoli grandi PICMicro (Paolino)
Il blog elettrico di carloc (carloc)
DirtEYblooog (dirtydeeds)
Di tutto... un po' (jordan20)
AK47 (lillo)
Esperienze elettroniche (marco438)
Telecomunicazioni musicali (clavicordo)
Automazione ed Elettronica (gustavo)
Direttive per la sicurezza (ErnestoCappelletti)
EYnfo dall'Alaska (mir)
Apriamo il quadro! (attilio)
H7-25 (asdf)
Passione Elettrica (massimob)
Elettroni a spasso (guidob)
Bloguerra (guerra)






