effetto strobo led
Moderatore:
IsidoroKZ
31 messaggi
• Pagina 1 di 4 • 1, 2, 3, 4
0
voti
salve a tutti, sono nuovo di qui e volevo iniziare con il primo esperimento, dato ke mi piacciono i led volevo creare uno strobo, ho trovato questo schema, xo devo usare 30 led bianchi da 1,5 mm. con alimentazione di auto, 12-14 V. qualcuno mi può fornire un aiuto sui valori dei componenti da usare? ringrazio in anticipo!
Ultima modifica di
simo85 il 2 lug 2012, 0:20, modificato 1 volta in totale.
Motivazione: inserita immagine in linea con il testo
Motivazione: inserita immagine in linea con il testo
0
voti
1.5V come da schema non sono affatto sufficienti. I LED sono da mettere sul collettore del transistore.
Per i calcoli di frequenza e duty cycle vedi qui.
PS: su questo forum gli schemi si fanno in Fidocad.
Per i calcoli di frequenza e duty cycle vedi qui.
PS: su questo forum gli schemi si fanno in Fidocad.
0
voti
ho commesso un errore, i led sono da 3 mm. Kmq ho provato a dare un'occhiata a quella pagina ma nn ci ho capito tanto. Un'aiuto potresti darmelo?
EDIT gohan: non usare linguaggio SMS. Grazie
EDIT gohan: non usare linguaggio SMS. Grazie
0
voti
am91 ha scritto:Un'aiuto potresti darmelo?
Certamente. Dimenticavo, benvenuto sul forum. :)
Se vuoi ottenere un effetto a strobo il duty cycle deve essere molto breve, però la frequenza la devi stabilire tu.
Seconda cosa, il 555 lo puoi alimentare a 12V tranquillamente.
PS: nello schema fatto con LTspice ci sono due errori.
1) La batteria da 1.5V. Una tensione insufficente per alimentare il componente, come vedrai dal datasheet linkato. La tensione minore che mi viene in mente per il modello "low voltage" è 3V, comunque andiamo avanti.
2) Sui catodi dei LED manca il simbolo del riferimento.
Sei in grado di dimensionare la corrente per i LED e scegliere il transistore?
Se non capisci chiedi.

0
voti
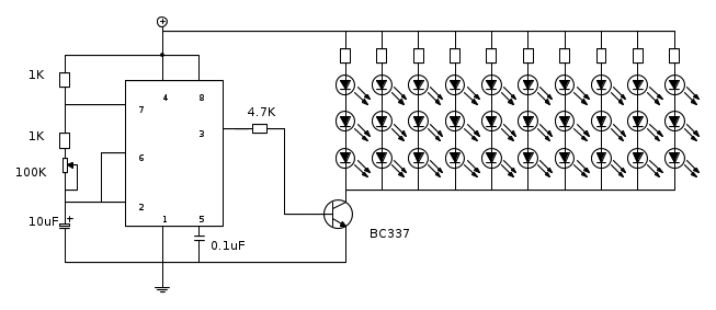
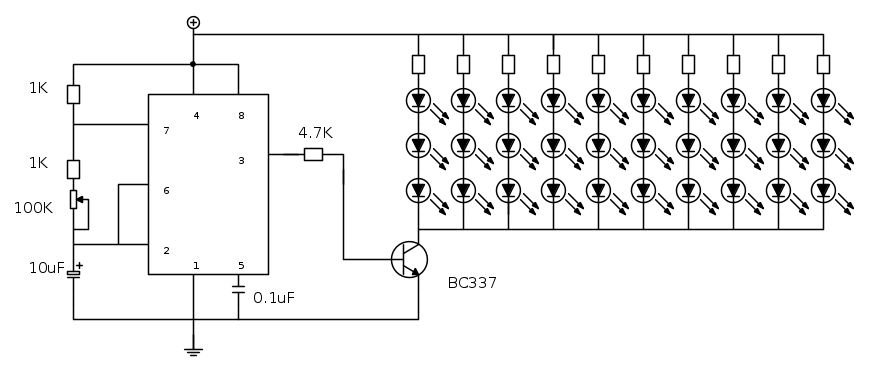
Non hai specificato quali sono precisamente le caratteristiche dei led (tensione/corrente) quindi non si puo' dimensionare un "circuito finale"; una possibile soluzione con NE555 potrebe essere questa:
che prevede pero' l'alimentazione a 12V.
Nel caso dell'auto pero' la tensione oscilla ed arriva anche a 14V, per cui forse sarebbe bene prevedere un regolatore di tensione in ingresso ( es. 7809 ) aumentando il numero dei paralleli e facendo serie di due led.
che prevede pero' l'alimentazione a 12V.
Nel caso dell'auto pero' la tensione oscilla ed arriva anche a 14V, per cui forse sarebbe bene prevedere un regolatore di tensione in ingresso ( es. 7809 ) aumentando il numero dei paralleli e facendo serie di due led.
marco
0
voti
Si hai ragione pero' visto che aveva parlato di "effetto" strobo e qel circuito lo avevo gia' pronto, ho pensato potesse andargli bene ugualmente su una frequenza intorno ai 7/8 Hz.
Comunque puo' essere usata la parte terminale.
Comunque puo' essere usata la parte terminale.
marco
0
voti
No,hai perfettamente ragione, non hai sbagliato.
Ho solo pensato che, visti gli effetti molto simili, potesse andare bene lo stesso.
Piu' tardi metto anche lo schema alternativo.
Ciao
Ho solo pensato che, visti gli effetti molto simili, potesse andare bene lo stesso.
Piu' tardi metto anche lo schema alternativo.
Ciao
marco
0
voti
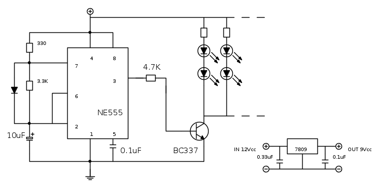
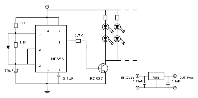
Di seguito lo schema modificato; ho previsto serie di due led e manca il valore delle resistenze in attesa delle notizie richieste.
C'e' anche lo schema per ridurre la tensione (in basso a destra).
Ci sara' forse da rivedere (modificando il valore delle resistenze 330/3.3k) la frequenza di lampeggio.
C'e' anche lo schema per ridurre la tensione (in basso a destra).
Ci sara' forse da rivedere (modificando il valore delle resistenze 330/3.3k) la frequenza di lampeggio.
marco
31 messaggi
• Pagina 1 di 4 • 1, 2, 3, 4
Torna a Elettronica e spettacolo
Chi c’è in linea
Visitano il forum: Nessuno e 9 ospiti

Elettrotecnica e non solo (admin)
Un gatto tra gli elettroni (IsidoroKZ)
Esperienza e simulazioni (g.schgor)
Moleskine di un idraulico (RenzoDF)
Il Blog di ElectroYou (webmaster)
Idee microcontrollate (TardoFreak)
PICcoli grandi PICMicro (Paolino)
Il blog elettrico di carloc (carloc)
DirtEYblooog (dirtydeeds)
Di tutto... un po' (jordan20)
AK47 (lillo)
Esperienze elettroniche (marco438)
Telecomunicazioni musicali (clavicordo)
Automazione ed Elettronica (gustavo)
Direttive per la sicurezza (ErnestoCappelletti)
EYnfo dall'Alaska (mir)
Apriamo il quadro! (attilio)
H7-25 (asdf)
Passione Elettrica (massimob)
Elettroni a spasso (guidob)
Bloguerra (guerra)





