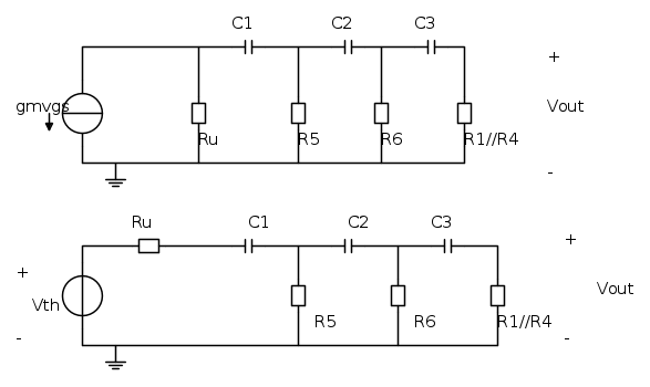
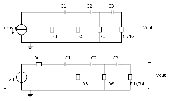
I1 corrente che scorre su C1, I2 che scorre su C2 e I3 che scorre su C3
ho posto Z=1/sC
![\[I1=-gmvgs \frac{R2//r0}{Z+R2//r0}\] \[I1=-gmvgs \frac{R2//r0}{Z+R2//r0}\]](/forum/latexrender/pictures/a8ef4738693cf245b2074c7de1410312.png)
![\[I2= I1*\frac{R5}{Z+R5}\] \[I2= I1*\frac{R5}{Z+R5}\]](/forum/latexrender/pictures/64d698468ae9dd4ea1252ea6d447f328.png)
![\[I3= I2*\frac{R6}{Z+R6}\] \[I3= I2*\frac{R6}{Z+R6}\]](/forum/latexrender/pictures/ae2d36305112c5c7d7d900914fb102f3.png)
![\[Vout=I3*R1//R4\] \[Vout=I3*R1//R4\]](/forum/latexrender/pictures/2023342bccc3f375e4813f473ab0c13e.png)
poi ho fatto
![\[\frac{Vout}{vgs}= -gm \frac{R2//r0}{Z+R2//ro}\frac{R^{3}}{(R+Z)^2}\] \[\frac{Vout}{vgs}= -gm \frac{R2//r0}{Z+R2//ro}\frac{R^{3}}{(R+Z)^2}\]](/forum/latexrender/pictures/ff547d351341b47805c09536bf45e723.png)
dove R=R5=R6=R1//R4
fin qui sarebbe corretto come procedimento?
Ho posto la Im[AB]=o, ottenendo
, che non se sia giusto o plausibileper quanto riguarda la Re[AB]>1, i calcoli sono abbastanza incasinati e non mi sembra il caso di metterli, anche perché mi ci vorrebbe un'ora.
Piuttosto chiedevo, sarebbe possibile, e corretto, moltiplicare direttamente il guadagno A del MOS con il guadagno beta della retroazione (che è una formula nota), o anche usare la tensione su R2//ro calcolata dal solo circuito AC del MOS,
, come tensione di ingresso alla retroazione, in modo da evitare l'utilizzo dei partitori di corrente?
Elettrotecnica e non solo (admin)
Un gatto tra gli elettroni (IsidoroKZ)
Esperienza e simulazioni (g.schgor)
Moleskine di un idraulico (RenzoDF)
Il Blog di ElectroYou (webmaster)
Idee microcontrollate (TardoFreak)
PICcoli grandi PICMicro (Paolino)
Il blog elettrico di carloc (carloc)
DirtEYblooog (dirtydeeds)
Di tutto... un po' (jordan20)
AK47 (lillo)
Esperienze elettroniche (marco438)
Telecomunicazioni musicali (clavicordo)
Automazione ed Elettronica (gustavo)
Direttive per la sicurezza (ErnestoCappelletti)
EYnfo dall'Alaska (mir)
Apriamo il quadro! (attilio)
H7-25 (asdf)
Passione Elettrica (massimob)
Elettroni a spasso (guidob)
Bloguerra (guerra)





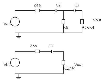
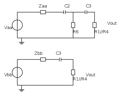
, con la omega ricavata prima sostituita? ma la C che fine ha fatto?
, ho messo il meno in modo da avere il + sopra e il - sotto
![\[Vout=Vbb\frac{R1//R4}{C+R1//R4+Zbb}\] \[Vout=Vbb\frac{R1//R4}{C+R1//R4+Zbb}\]](/forum/latexrender/pictures/002b5fbe9966eb3efcc01c82c3809df1.png)
