un pulsante comanda due relè
Moderatori:
carloc,
g.schgor,
BrunoValente,
IsidoroKZ
17 messaggi
• Pagina 2 di 2 • 1, 2
0
voti
finalmente questa mattina ci siamo messi d'impegno e grazie alle sue conoscenze di elettronica abbiamo realizzato questo. Cosa ne pensi?
ovviamente mancano le sigle dei componenti e dei due diodi per far si che il relè si scarichi
ovviamente mancano le sigle dei componenti e dei due diodi per far si che il relè si scarichi
-

alessandrocolos
5 2 - New entry

- Messaggi: 94
- Iscritto il: 1 nov 2009, 17:09
1
voti
Gli schemi qui si fanno con Fidocad, come ho fatto io al post #2. Non si capisce molto, anzi, quasi niente quindi preferisco non opinare. Ho visto un contatore se non erro e 2 flip flop SR.. Why?
Se non ti piace la soluzione con il flip flop D, che è a più semplice non so cosa dire.
Solo non ho voglia di fare schemi inutilmente per poi vederne di nuovi da parte di terzi, per poi doverli analizzare.. Capisci a me..
Vedi tu come vuoi procedere.
Se non ti piace la soluzione con il flip flop D, che è a più semplice non so cosa dire.
Solo non ho voglia di fare schemi inutilmente per poi vederne di nuovi da parte di terzi, per poi doverli analizzare.. Capisci a me..
Vedi tu come vuoi procedere.
0
voti
chiedo scusa, è che stavo finendo di scaricare Orcad per poterlo disegnare per bene. a breve posterò lo schema disegnato da PC
-

alessandrocolos
5 2 - New entry

- Messaggi: 94
- Iscritto il: 1 nov 2009, 17:09
0
voti
per quanto riguarda i componenti ti confermo che è presente un counter mentre gli altri due non ricordo come si chiamano. non appena lo disegno con orcad specificherò la natura di tutti i componenti
-

alessandrocolos
5 2 - New entry

- Messaggi: 94
- Iscritto il: 1 nov 2009, 17:09
2
voti
No, scarichi Fidocad e lo posti con Fidocad come ho fatto io al messaggio #2. Diversamente lo cancello.
Poi se cominci a postare schemi e soluzioni probabilmente sbagliate lo schema postato a cosa serve?
Io non faccio biomedica ma invece di fare uno schema intero con un contatore binario a 4 bit che non serve, come altrettanto i flip flop SR, fai lo schema per il ritardo di 3s e RESET che è meglio... Ricorda la logica spiegata sempre al post #2.
Poi se cominci a postare schemi e soluzioni probabilmente sbagliate lo schema postato a cosa serve?
Io non faccio biomedica ma invece di fare uno schema intero con un contatore binario a 4 bit che non serve, come altrettanto i flip flop SR, fai lo schema per il ritardo di 3s e RESET che è meglio... Ricorda la logica spiegata sempre al post #2.
1
voti
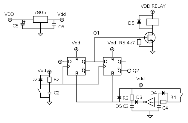
Dunque, questo è lo schema a cui avevo pensato io. L'ho adattato al 74HC come hai voluto tu.
Per le NOT usi un 74HC14
Per C5 e C6 vedi il datasheet del regolatore linkato al post #2.
Il primo RESET lo ottieni grazie alla carica di C3.
La costante di tempo è quella data da
Lo stesso discorso vale per R2C2, ed il ritardo deve essere minore rispetto a quella del primo RESET.
Per le reti RC corrispondenti al DATA, CLK e RESET (R3C3) fissi un valore per la resistenza ed il condensatore lo dimensioni in base ai ritardi dal minore al maggiore.
rCLK < rRESET
R4C4 invece li devi dimensionare in modo da ottenere una tensione uguale a
(vedi datasheet NOT) in 3s.
La formula a cui devi fare riferimento per questo calcolo è

Qui la spiegazione.
I possono essere un 1N4148.
D5 metterei un classico 1N4007.
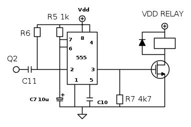
Su Q2 colleghi invece il monostabile.
Dove la temporizzazione di 2s è data da
. Risolvi l'equazione.
Non hai specificato la corrente e la tensione di alimentazione dei relè..
Se non vuoi usare i MOSFET (logici) puoi usare i BJT..
Spero di non essere stato confusionale.
Per le NOT usi un 74HC14
Per C5 e C6 vedi il datasheet del regolatore linkato al post #2.
Il primo RESET lo ottieni grazie alla carica di C3.
La costante di tempo è quella data da

Lo stesso discorso vale per R2C2, ed il ritardo deve essere minore rispetto a quella del primo RESET.
Per le reti RC corrispondenti al DATA, CLK e RESET (R3C3) fissi un valore per la resistenza ed il condensatore lo dimensioni in base ai ritardi dal minore al maggiore.
rCLK < rRESET
R4C4 invece li devi dimensionare in modo da ottenere una tensione uguale a
(vedi datasheet NOT) in 3s.La formula a cui devi fare riferimento per questo calcolo è

Qui la spiegazione.
I possono essere un 1N4148.
D5 metterei un classico 1N4007.
Su Q2 colleghi invece il monostabile.
Dove la temporizzazione di 2s è data da
. Risolvi l'equazione.Non hai specificato la corrente e la tensione di alimentazione dei relè..
Se non vuoi usare i MOSFET (logici) puoi usare i BJT..
Spero di non essere stato confusionale.
Ultima modifica di
simo85 il 5 lug 2012, 21:57, modificato 1 volta in totale.
Motivazione: EDIT: corretto schema.
Motivazione: EDIT: corretto schema.
17 messaggi
• Pagina 2 di 2 • 1, 2
Chi c’è in linea
Visitano il forum: Nessuno e 51 ospiti

Elettrotecnica e non solo (admin)
Un gatto tra gli elettroni (IsidoroKZ)
Esperienza e simulazioni (g.schgor)
Moleskine di un idraulico (RenzoDF)
Il Blog di ElectroYou (webmaster)
Idee microcontrollate (TardoFreak)
PICcoli grandi PICMicro (Paolino)
Il blog elettrico di carloc (carloc)
DirtEYblooog (dirtydeeds)
Di tutto... un po' (jordan20)
AK47 (lillo)
Esperienze elettroniche (marco438)
Telecomunicazioni musicali (clavicordo)
Automazione ed Elettronica (gustavo)
Direttive per la sicurezza (ErnestoCappelletti)
EYnfo dall'Alaska (mir)
Apriamo il quadro! (attilio)
H7-25 (asdf)
Passione Elettrica (massimob)
Elettroni a spasso (guidob)
Bloguerra (guerra)

