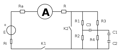
Nel seguente circuito sono noti:
C1= 32uF; C2= 8uF; C3= 20uF; R= 14 Ω; Ra= 0,1Ω;

Ri= 0,9Ω resistenza interna del generatore reale di tensione di f.e.m. E.
Si sa inoltre che:
a) con K1 chiuso e K2 aperto l'amperometro segna 3,5 A mentre le tensioni ai capi di C2 e C3 valgono entrambe 10 V;
b) con K1 e K2 entrambi chiusi l'amperometro segna una corrente di 9,2 A.
Determinare: E, R1, R2, R3, R4.
Soluzioni del libro:
E = 138 V; R3= 73Ω; R4=12,5Ω;
R1 ed R2 hanno 2 possibili soluzioni a seconda della polarità della carica del condensatore C3:
1. R1= 25,2Ω; R2= 9Ω.
2. R1= 33,2Ω; R2= 1Ω.

Elettrotecnica e non solo (admin)
Un gatto tra gli elettroni (IsidoroKZ)
Esperienza e simulazioni (g.schgor)
Moleskine di un idraulico (RenzoDF)
Il Blog di ElectroYou (webmaster)
Idee microcontrollate (TardoFreak)
PICcoli grandi PICMicro (Paolino)
Il blog elettrico di carloc (carloc)
DirtEYblooog (dirtydeeds)
Di tutto... un po' (jordan20)
AK47 (lillo)
Esperienze elettroniche (marco438)
Telecomunicazioni musicali (clavicordo)
Automazione ed Elettronica (gustavo)
Direttive per la sicurezza (ErnestoCappelletti)
EYnfo dall'Alaska (mir)
Apriamo il quadro! (attilio)
H7-25 (asdf)
Passione Elettrica (massimob)
Elettroni a spasso (guidob)
Bloguerra (guerra)




