Cos'è ElectroYou | Login Iscriviti

ElectroYou - la comunità dei professionisti del mondo elettrico

Potenze in sistema trifase

Circuiti, campi elettromagnetici e teoria delle linee di trasmissione e distribuzione dell’energia elettrica

Moderatori: Foto Utenteg.schgor, Foto UtenteIsidoroKZ

0
voti

[1] Potenze in sistema trifase

Messaggioda Foto UtenteTarlo » 9 lug 2012, 15:13

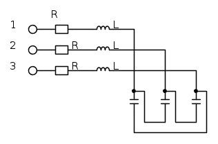
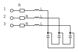
Allora ho il seguente circuito trifase



Ho una terna simmetrica di tensioni in valore efficace V1, V2, V3 e i valori di R, L, C

Devo trovare la potenza attiva e reattiva di linea e carico così collegati ma ho le idee un po' confuse.

Procedo come segue:
Trasformo il triangolo in una stella per cui l'impedenza di carico diventaZl=Zc/3
La sommo all'impedenza di linea che chiamo Zt e trovo le correnti di linea come I1=V1/Zt, I2=V2/Zt, I3=V3/Zt con le relative fasi.

Ora per calcolare la potenza reattiva del triangolo di condensatori ho pensato di fare in questo modo: sapendo che la potenza di un carico a triangolo è tre volte quella assorbita da un carico a stella, calcolo la potenza reattiva sulla stella di condensatori Qstella=3*Xc*(I1)^2 e la moltiplico per 3 avendo Qc=3*Qstella che dovrebbe essere la potenza reattiva assorbita dal triangolo. (Non so se il ragionamento è esatto)

Calcolo allo stesso modo la Potenza media assorbita dalle resistenze e la potenza reattiva assorbita dalle induttanze:
P= 3*R*(I1)^2
Ql= 3*Xl*(I1)^2

A questo punto sommando le potenze reattive ho la potenza reattiva totale Q=Qc+Ql

Probabilmente sbaglio qualche ragionamento ma non avendo la soluzione non posso verificare e spero possiate correggermi.

Grazie mille
Avatar utente
Foto UtenteTarlo
60 3
 
Messaggi: 37
Iscritto il: 29 giu 2012, 16:46

1
voti

[2] Re: Potenze in sistema trifase

Messaggioda Foto Utentelillo » 9 lug 2012, 15:43

la stella di condensatori è del tutto equivalente al triangolo iniziale.
io penso che dopo aver calcolato la potenza reattiva assorbita dalla stella, non sia il caso di andare avanti.
inoltre data la simmetria del circuito, potresti tranquillamente utilizzare un equivalente monofase.
Avatar utente
Foto Utentelillo
20,5k 7 12 13
G.Master EY
G.Master EY
 
Messaggi: 4176
Iscritto il: 25 nov 2010, 11:30
Località: Nuovo Mondo

0
voti

[3] Re: Potenze in sistema trifase

Messaggioda Foto UtenteTarlo » 9 lug 2012, 16:06

Lillo ma a questo punto ho un dubbio: la potenza assorbita da un carico a triangolo è 3 volte quella assorbita da uno a stella, per cui come fanno ad essere equivalenti?
Avatar utente
Foto UtenteTarlo
60 3
 
Messaggi: 37
Iscritto il: 29 giu 2012, 16:46

2
voti

[4] Re: Potenze in sistema trifase

Messaggioda Foto Utentelillo » 9 lug 2012, 16:09

se sia il triangolo che la stella, sono costituiti dagli stessi condensatori.... è un altro discorso.
tu hai effettuato una trasformazione circuitale, quindi ai morsetti, che sia un triangolo o una stella, poco importa.
Avatar utente
Foto Utentelillo
20,5k 7 12 13
G.Master EY
G.Master EY
 
Messaggi: 4176
Iscritto il: 25 nov 2010, 11:30
Località: Nuovo Mondo

2
voti

[5] Re: Potenze in sistema trifase

Messaggioda Foto UtenteTarlo » 9 lug 2012, 16:29

Non capisco: cioè tu dici che avendo calcolato la corrente di linea con i condensatori trasformati in stella, posso immediatamente calcolare le potenze senza preoccuparmi che prima i condensatori fossero a triangolo?

Ma allora se avessi avuto il circuito iniziale direttamente con i condensatori a stella, non sarebbe cambiato nulla rispetto alle potenze? Ovvero collegando quei condensatori a stella o a triangolo le potenze reattive assorbite sono le stesse?

Non riesco a capire.
Avatar utente
Foto UtenteTarlo
60 3
 
Messaggi: 37
Iscritto il: 29 giu 2012, 16:46

2
voti

[6] Re: Potenze in sistema trifase

Messaggioda Foto Utentelillo » 9 lug 2012, 16:35

Tarlo ha scritto:Non capisco: cioè tu dici che avendo calcolato la corrente di linea con i condensatori trasformati in stella, posso immediatamente calcolare le potenze senza preoccuparmi che prima i condensatori fossero a triangolo?

esatto
Tarlo ha scritto:Ma allora se avessi avuto il circuito iniziale direttamente con i condensatori a stella, non sarebbe cambiato nulla rispetto alle potenze?

no :!:
se tu avessi avuto a stella gli stessi condensatori che ora hai a triangolo, avresti ovviamente ottenuto risultati differenti.
Tarlo ha scritto:Ovvero collegando quei condensatori a stella o a triangolo le potenze reattive assorbite sono le stesse?

se ricapitoli quando detto......no.
Avatar utente
Foto Utentelillo
20,5k 7 12 13
G.Master EY
G.Master EY
 
Messaggi: 4176
Iscritto il: 25 nov 2010, 11:30
Località: Nuovo Mondo

1
voti

[7] Re: Potenze in sistema trifase

Messaggioda Foto UtenteTarlo » 9 lug 2012, 16:44

Ah forse ho capito: intendi il passaggio in cui trasformo Zl=Zc/3 vero?

Adesso credo di iniziare a capire.

Per cui ricapitolando posso direttamente calcolare la potenza reattiva sul nuovo circuito a stella e l'esercizio per cui è abbastanza banale.

Ora ci provo e se ho altri problemi posto di nuovo.

Grazie mille dell'aiuto. :-)
Avatar utente
Foto UtenteTarlo
60 3
 
Messaggi: 37
Iscritto il: 29 giu 2012, 16:46

1
voti

[8] Re: Potenze in sistema trifase

Messaggioda Foto Utentelillo » 9 lug 2012, 16:57

Tarlo ha scritto:Ah forse ho capito: intendi il passaggio in cui trasformo Zl=Zc/3 vero?

nel tuo caso si.
Tarlo ha scritto:Grazie mille dell'aiuto. :D

figurati :D
Avatar utente
Foto Utentelillo
20,5k 7 12 13
G.Master EY
G.Master EY
 
Messaggi: 4176
Iscritto il: 25 nov 2010, 11:30
Località: Nuovo Mondo


Torna a Elettrotecnica generale

Chi c’è in linea

Visitano il forum: Nessuno e 47 ospiti