Non devi presumere nulla; visto che te l'ho gia' fatto, devi guardare gli schemi.
Diversamente mi fai solo perdere tempo inutilmente.
Orologio digitale
Moderatori:
carloc,
g.schgor,
BrunoValente,
IsidoroKZ
0
voti
[122] Re: Orologio digitale
ho provato lo schema da te datomi ma credo ci sia qualcosa che non va...
allora mi sono messo li e, guardando il datasheet, sono riuscito a tirare fuori lo schema che segue, che ho provato e funziona...
ho fatto due considerazioni perché non mi tornava qualcosa e sono arrivato a queste conclusioni:
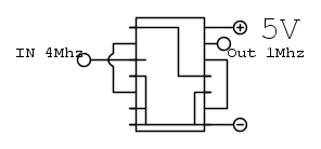
- nello schema del post precedente l' OUT è giusto ma è della prima divisione per 2...
- l' IN invece dovrebbe essere collegato al piedino 1 (che è appunto l' uscita del 1^ flip flop)...
- il piedino 10 dovrebbe essere collegato con l' 8 (quindi messo a massa con i piedini 7-6-4)
- di conseguenza l' IN è il piedino 3 ( sarebbe il clock del 1^ flip flop) e l' OUT diventa il piedino 13 (l' uscita
del 2^)
restando il fatto che uso un HCF4013BE
...secondo te sto farneticando o dico giusto..?

allora mi sono messo li e, guardando il datasheet, sono riuscito a tirare fuori lo schema che segue, che ho provato e funziona...
ho fatto due considerazioni perché non mi tornava qualcosa e sono arrivato a queste conclusioni:
- nello schema del post precedente l' OUT è giusto ma è della prima divisione per 2...
- l' IN invece dovrebbe essere collegato al piedino 1 (che è appunto l' uscita del 1^ flip flop)...
- il piedino 10 dovrebbe essere collegato con l' 8 (quindi messo a massa con i piedini 7-6-4)
- di conseguenza l' IN è il piedino 3 ( sarebbe il clock del 1^ flip flop) e l' OUT diventa il piedino 13 (l' uscita
del 2^)
restando il fatto che uso un HCF4013BE
...secondo te sto farneticando o dico giusto..?

0
voti
[123] Re: Orologio digitale
Come fai a dire che funziona?
E' possibile che lo schema non sia esatto ma, avendolo preso dagli schemi di una mia vecchia realizzazione ho dato per scontato che andasse bene senza andare a guardarmi (come avrei dovuto) il datasheet; probabilmente sara' poi stato corretto e non me lo ricordavo piu'.
E' possibile che lo schema non sia esatto ma, avendolo preso dagli schemi di una mia vecchia realizzazione ho dato per scontato che andasse bene senza andare a guardarmi (come avrei dovuto) il datasheet; probabilmente sara' poi stato corretto e non me lo ricordavo piu'.
marco
0
voti
[128] Re: Orologio digitale
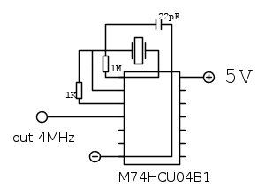
adesso mettero su millefori il clock... per il quarzo ho pensato a questo sbroglio.. (l' altro non mi piaceva
)


0
voti
[129] Re: Orologio digitale
Mi pare ci sia qualcosa che non torna e che manchi un condensatore; se vuoi avere la possibilita' di "regolare" il clock, metti un 10/60pF variabile.
A quale degli schemi che abbiamo visto ti sei riferito?
P.S. Dopo aver controllato, ho provveduto a sostituire lo schema errato del 4013.
A quale degli schemi che abbiamo visto ti sei riferito?
P.S. Dopo aver controllato, ho provveduto a sostituire lo schema errato del 4013.
marco
0
voti
[130] Re: Orologio digitale
si lo so devo andarlo a prendere...
comunque sono riuscito a testare su breadboard i secondi fino al 1 display (fino a 9 sec.) e funziona.. strabello...
per il clock dici..?

comunque sono riuscito a testare su breadboard i secondi fino al 1 display (fino a 9 sec.) e funziona.. strabello...
marco438 ha scritto:A quale degli schemi che abbiamo visto ti sei riferito?
per il clock dici..?

Chi c’è in linea
Visitano il forum: Nessuno e 217 ospiti

Elettrotecnica e non solo (admin)
Un gatto tra gli elettroni (IsidoroKZ)
Esperienza e simulazioni (g.schgor)
Moleskine di un idraulico (RenzoDF)
Il Blog di ElectroYou (webmaster)
Idee microcontrollate (TardoFreak)
PICcoli grandi PICMicro (Paolino)
Il blog elettrico di carloc (carloc)
DirtEYblooog (dirtydeeds)
Di tutto... un po' (jordan20)
AK47 (lillo)
Esperienze elettroniche (marco438)
Telecomunicazioni musicali (clavicordo)
Automazione ed Elettronica (gustavo)
Direttive per la sicurezza (ErnestoCappelletti)
EYnfo dall'Alaska (mir)
Apriamo il quadro! (attilio)
H7-25 (asdf)
Passione Elettrica (massimob)
Elettroni a spasso (guidob)
Bloguerra (guerra)





