Ciao a tutti, mi consigliate un schema semplice per un peak detector di segnali audio. Ho provato a realizzare questo
ma non mi soddisfa molto, non so forse ho sbagliato a scegliere i due diodi D1, D2 (ho usato due 1N4148).
Qualcuno mi può aiutare? sbaglio ad utilizzare gli 1N4148 o è meglio che usi un altro modello?
Grazie
consiglio peak detector
Moderatore:
IsidoroKZ
13 messaggi
• Pagina 1 di 2 • 1, 2
0
voti
certo non può andare molto bene, basta che pensi come può un operazionale caricare un condensatore da 10uF in un tempo così limitato!
per usare questo circuito proverei a mettere il condensatore tra il collettore e l'emettitore del transitor, secondo me, gia andrà meglio.
altrimenti devi considerare di usare il condensatore più piccolo possibile,
e dopo di questo usare un altro op, in configurazione a guadagno unitario oppure a comparatore, magari un TL08x con fet in ingresso, la sua impedenza molto elevata manterà acceso il led per lungo tempo con condensatore molto ma molto più piccolo.
il problema non è dovuto ad i diodi, vanno benissimo, ma all'uscita dell'op.
per usare questo circuito proverei a mettere il condensatore tra il collettore e l'emettitore del transitor, secondo me, gia andrà meglio.
altrimenti devi considerare di usare il condensatore più piccolo possibile,
e dopo di questo usare un altro op, in configurazione a guadagno unitario oppure a comparatore, magari un TL08x con fet in ingresso, la sua impedenza molto elevata manterà acceso il led per lungo tempo con condensatore molto ma molto più piccolo.
il problema non è dovuto ad i diodi, vanno benissimo, ma all'uscita dell'op.
-

lelerelele
4.899 3 7 9 - Master

- Messaggi: 5505
- Iscritto il: 8 giu 2011, 8:57
- Località: Reggio Emilia
0
voti
Ti ringrazio per la risposta. Pensavo però di usare qualcosa di più semplice rispetto a questo circuito, magari un peak detector a semi onda, perché questo capta se c'è un over sia nel ciclo positivo che negativo.
Qualcosa da suggerirmi?
Grazie
Qualcosa da suggerirmi?
Grazie
0
voti
Una cosa del genere potrebbe funzionare? Modificando il valore di R37 dovrei riuscire anche a cambiare la treshold alla quale il led si accende, giusto?
- Allegati
-
- peak det.jpg (23.71 KiB) Osservato 4462 volte
0
voti
per iniziare devo ricordarti che su questo forum gli schemi sono da realizzare e postare tramite fidocadj, http://www.electroyou.it/darwinne/wiki/fidocadj, sia per la semplicità della rappresentazione che di modifica da parte di chi ti aiuta.
il circuito da te postato, usa un op low noise, quindi specifico per uso audio o comunque lineare, questa specificità ritengo che sia anche la causa della caratteristica in uscita, la cui impedenza è data a 600ohm, per lo stesso motivo non è neanche specificato dal costruttore se protetto dal corto in uscita,
queste caratteristiche gia denotano la non adeguatezza del componente per l'uso che ne fai,
anche se può funzionare non è detto che possa durare a lungo;
inoltre devi considerare che l'uscita a 600ohm ti porterà meno di 25mA sul diodo, e la luminosità sarà comunque bassa.
il diodo si troverà a lavorare con tensione inversa di 15V, suppongo che possa non dare problemi, fermo restando che un'uso come questo di un componente al di fuori delle sue caratteristiche non è comunque salutare.
il circuito da te postato, usa un op low noise, quindi specifico per uso audio o comunque lineare, questa specificità ritengo che sia anche la causa della caratteristica in uscita, la cui impedenza è data a 600ohm, per lo stesso motivo non è neanche specificato dal costruttore se protetto dal corto in uscita,
queste caratteristiche gia denotano la non adeguatezza del componente per l'uso che ne fai,
anche se può funzionare non è detto che possa durare a lungo;
inoltre devi considerare che l'uscita a 600ohm ti porterà meno di 25mA sul diodo, e la luminosità sarà comunque bassa.
il diodo si troverà a lavorare con tensione inversa di 15V, suppongo che possa non dare problemi, fermo restando che un'uso come questo di un componente al di fuori delle sue caratteristiche non è comunque salutare.
-

lelerelele
4.899 3 7 9 - Master

- Messaggi: 5505
- Iscritto il: 8 giu 2011, 8:57
- Località: Reggio Emilia
0
voti
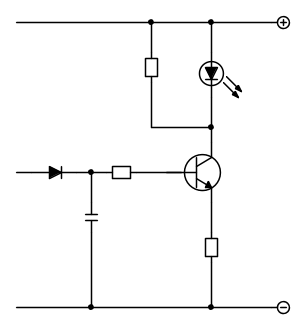
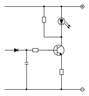
In alternativa ho trovato questo circuitino semplice semplice, che fa uso di un transistor. In uscita ci andrei a mettere un led. Che ne dite? Quale vi sembra il più affidabile?
- Allegati
-
- single_transistor_peak_detector.gif (10.51 KiB) Osservato 4436 volte
0
voti
mi pare che non sia un gran che, manca pure un disaccoppiamento in ingresso, e lavorando ad inseguitore ti da guadagno zero.
ma se guardi bene vedrai una certa somiglianza con il tuo schema iniziale, quando ti consigliai di spostare il condensatore in parallelo al transistor, hai provato a farlo?
ma se guardi bene vedrai una certa somiglianza con il tuo schema iniziale, quando ti consigliai di spostare il condensatore in parallelo al transistor, hai provato a farlo?
-

lelerelele
4.899 3 7 9 - Master

- Messaggi: 5505
- Iscritto il: 8 giu 2011, 8:57
- Località: Reggio Emilia
0
voti
Ciao, grazie ancora per l'aiuto. Si ho provato a fare come mi hai detto, però preferisco usare qualcosa di più semplice, perché il primo circuito che ho postato segnale se ci sono picchi sia nella semionda positiva che in quella negativa. A me basta un peak detector a semi onda. Quindi, in definitiva, il secondo circuito (una volta sostituito l'NE5534 con un LM1458) dovrebbe essere quello più semplice e più affidabile giusto?
0
voti
messo all'uscita di un opamp questo a me funziona con un alimentazione duale.
13 messaggi
• Pagina 1 di 2 • 1, 2
Torna a Elettronica e spettacolo
Chi c’è in linea
Visitano il forum: Nessuno e 8 ospiti

Elettrotecnica e non solo (admin)
Un gatto tra gli elettroni (IsidoroKZ)
Esperienza e simulazioni (g.schgor)
Moleskine di un idraulico (RenzoDF)
Il Blog di ElectroYou (webmaster)
Idee microcontrollate (TardoFreak)
PICcoli grandi PICMicro (Paolino)
Il blog elettrico di carloc (carloc)
DirtEYblooog (dirtydeeds)
Di tutto... un po' (jordan20)
AK47 (lillo)
Esperienze elettroniche (marco438)
Telecomunicazioni musicali (clavicordo)
Automazione ed Elettronica (gustavo)
Direttive per la sicurezza (ErnestoCappelletti)
EYnfo dall'Alaska (mir)
Apriamo il quadro! (attilio)
H7-25 (asdf)
Passione Elettrica (massimob)
Elettroni a spasso (guidob)
Bloguerra (guerra)


