Installazione di un salvamotore trifase
Moderatori:
sebago,
MASSIMO-G,
lillo,
Mike
23 messaggi
• Pagina 2 di 3 • 1, 2, 3
0
voti
..........Mi pare di capire che devo sollevare la pompa da 80 metri, far cambiare il cavo con un tre fili più massa e poi fare installare il salvamotore.......sono coscente che l'istallazione è stata fatta male ma possibile che non ci sia una giustificazione tecnica a quello che è stato fatto, è la seconda pompa che becco montata in questo modo........ quali danni può causare questa istallazione? Comunque se mi dite che non ci sono soluzioni sospendo tutto e quando potrò rifarò l'impianto.....addio orto....... 
0
voti
a me sembra di capire che una volta il motore/pompa sia stato tirato su, sia opportuno chiamare un'elettricista che valuterà per il tratto di 80 mt la sezione ed il tipo di cavo idoneo allo scopo, nonchè le giuste caratteristiche del relativo salvamotore.
visto che è la seconda sei sulle tracce giuste dell'installatore anonimo....
...scherzi a parte
Onurb giustificazioni non c'è ne sono e non c'è ne possono essere se si manca di seguire le elementari regole di installazione il resto vien da se .. 
Onurb ha scritto:possibile che non ci sia una giustificazione tecnica a quello che è stato fatto, è la seconda pompa che becco montata in questo modo........
visto che è la seconda sei sulle tracce giuste dell'installatore anonimo....
0
voti
....Be ragazzi ringrazio tutti...il sospetto che il lavoro fosse stato fatto con i piedi ce lo avevo già.....poi comperare il salvamotore così a occhio......tanto per farmi spendere i soldi........adesso gli chiedo se i dati di targa se li ricordava a memoria
...........vorrà dire che assisterò l'elettricista e imparerò come va installato il dispositivo
......ciao a tutti e grazie ancora!! 
......ciao a tutti e grazie ancora!! 
2
voti
Guerra ha scritto:ad esempio la Moeller (Eaton) produce dei blocchi differenziali da associare ad interruttori tripolari + neutro, quindi blocchi quadripolari. Oltre che interruttori quadripolari.
Si lo so, non solo Moeller, quasi tutti i produttori lo fanno.
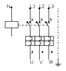
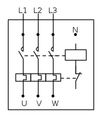
Quello che a memoria non ricordavo, (non avendone mai utilizzati ne visti, in ambito industriale) così da come era stato descritto al primo post, era un salvamotore dotato di morsetto di neutro e di terra, tutto qui.
Saluti
Ognuno sta solo sul cuor della terra
trafitto da un raggio di sole:
ed è subito sera
Salvatore Quasimodo
trafitto da un raggio di sole:
ed è subito sera
Salvatore Quasimodo
0
voti
Attilio ha scritto: un salvamotore dotato di morsetto di neutro e di terra, tutto qui.
Saluti
Non avevo inteso ti riferissi anche al morsetto di terra.

"Le domande non sono mai indiscrete. Le risposte lo sono a volte"
Per qualche dollaro in più
Per qualche dollaro in più
0
voti
............... giustificazioni non c'è ne sono e non c'è ne possono essere se si manca di seguire le elementari regole di installazione il resto vien da se ..
[/quote]
Ho parlato con la persona che aveva fatto il lavoro.........questa è stata la sua spiegazione: Il motore elettrico è dotato di un cavo di terra collegato al telaio metallico della pompa (che è sottacqua). Secondo lui il motore con questo sistema non deve essere collegato al giallo/verde dell'impianto perché è gia a terra, l'unica cosa non ortodossa è il colore della fase poiché è stato usato il cavo destinato alla terra, ma se l'inconveniente fosse solo questo eviterei di portare la pompa in superfice (lo so non è corretto ma lì le mani posso metterle solo io o elettricisti chiamati da me). In pratica ha detto che se avesse preso un cavo a tre fasi più terra il filo di terra non lo avrebbe potuto collegare perché il motore era già impostato in quel modo e ci sarebbe stato un filo non utilizzato. Per quanto riguarda il salvamotore mi ha detto (e qui ha ragione di sicuro) che bisognava istallarlo subito (il lavoro originario non l'ho fatto fare io) ora o si tira su il motore o se ne monta uno che possa metterci una pezza (sulla base della sua esperienza). I cavi mi ha assicurato che sono proporzionati. Io non me ne intendo, se può essere plausibile possiamo tornare a parlare del salvamotore altrimenti rifaccio rifare l'impianto.
Ho parlato con la persona che aveva fatto il lavoro.........questa è stata la sua spiegazione: Il motore elettrico è dotato di un cavo di terra collegato al telaio metallico della pompa (che è sottacqua). Secondo lui il motore con questo sistema non deve essere collegato al giallo/verde dell'impianto perché è gia a terra, l'unica cosa non ortodossa è il colore della fase poiché è stato usato il cavo destinato alla terra, ma se l'inconveniente fosse solo questo eviterei di portare la pompa in superfice (lo so non è corretto ma lì le mani posso metterle solo io o elettricisti chiamati da me). In pratica ha detto che se avesse preso un cavo a tre fasi più terra il filo di terra non lo avrebbe potuto collegare perché il motore era già impostato in quel modo e ci sarebbe stato un filo non utilizzato. Per quanto riguarda il salvamotore mi ha detto (e qui ha ragione di sicuro) che bisognava istallarlo subito (il lavoro originario non l'ho fatto fare io) ora o si tira su il motore o se ne monta uno che possa metterci una pezza (sulla base della sua esperienza). I cavi mi ha assicurato che sono proporzionati. Io non me ne intendo, se può essere plausibile possiamo tornare a parlare del salvamotore altrimenti rifaccio rifare l'impianto.
0
voti
Luky ha scritto:il tuo elettricista sicuramente saprà il da farsi, io mi affiderei a lui.
Probabilmente il neutro serve per la bobina. Comunque per accertarsi serve uno capace.
-

StefanoSunda
2.880 3 6 10 - Master

- Messaggi: 1962
- Iscritto il: 16 set 2010, 19:29
0
voti
...........Ho trovato la risposta al collegamento della massa della pompa all'impianto in un'altra sezione del forum e mi sono reso conto che l'usanza di tagliare il cavo giallo verde e usarlo per la fase deve essere abbastanza diffusa ancorché completamente errata .....comunque se riesco a ridurre ste benedette foto posto il salvamotore ......se non altro per la cortesia che avete messo nel rispondermi.........
0
voti
Credo che interessino i collegamenti ausiliari, e anche il tuo morsetto del neutro. Quindi avendo alimentazione 380 V la bobina funziona a 220 V (puoi leggere qualcosa sulla bobina?)- devi portare con le tre fasi anche il neutro, se la pompa è a 380 V. Ti consiglio per evitare il tirami su della pompa, di chiamare un competente, con gli strumenti si viene a sapere come è collegata la pompa.All'interno ci sono dei ponti realizzati con del cavo e un ponticello in rame (originali dalla casa) che ritengo non debbano essere toccati e non influiscano sui collegamenti.
PS) nel precedente post ho modificato l’interruttore generale di mir prendendolo per salvamotore, me ne scuso, questi ultimi tempi sono un po’ distratto.
-

StefanoSunda
2.880 3 6 10 - Master

- Messaggi: 1962
- Iscritto il: 16 set 2010, 19:29
23 messaggi
• Pagina 2 di 3 • 1, 2, 3
Torna a Impianti, sicurezza e quadristica
Chi c’è in linea
Visitano il forum: Nessuno e 64 ospiti

Elettrotecnica e non solo (admin)
Un gatto tra gli elettroni (IsidoroKZ)
Esperienza e simulazioni (g.schgor)
Moleskine di un idraulico (RenzoDF)
Il Blog di ElectroYou (webmaster)
Idee microcontrollate (TardoFreak)
PICcoli grandi PICMicro (Paolino)
Il blog elettrico di carloc (carloc)
DirtEYblooog (dirtydeeds)
Di tutto... un po' (jordan20)
AK47 (lillo)
Esperienze elettroniche (marco438)
Telecomunicazioni musicali (clavicordo)
Automazione ed Elettronica (gustavo)
Direttive per la sicurezza (ErnestoCappelletti)
EYnfo dall'Alaska (mir)
Apriamo il quadro! (attilio)
H7-25 (asdf)
Passione Elettrica (massimob)
Elettroni a spasso (guidob)
Bloguerra (guerra)







