Pulsante per set/reset S7-1200
Moderatori:
dimaios,
carlomariamanenti
26 messaggi
• Pagina 2 di 3 • 1, 2, 3
0
voti
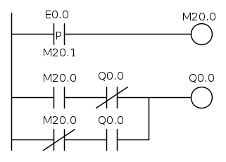
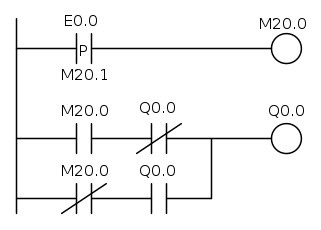
La soluzione N.1 del post [9] funziona, se elimini il contatto "E0.0" prima del rilevamento del fronte di salita di E0.0 stesso.
0
voti
Ciao spai , e grazie per la risposta
........ ho provato anche il tuo consiglio , funziona anche questo come gli altri.... vibra sempre il rele dell'uscita e il funzionamento non e costante...
0
voti
Allora hai qualche altro problema.
Quel sistema per generare un flip-flop è supercollaudato.
Sicuro di non usare, per esempio, il merker di appoggio per il fronte di salita anche in altre parti del programma?
Il segnale sull'ingresso, da dove arriva? Sicuro che non ci sia, per esempio, un contatto che rimbalza? Che filtro c'è impostato, in configurazione hardware, sull'ingresso?
Quel sistema per generare un flip-flop è supercollaudato.
Sicuro di non usare, per esempio, il merker di appoggio per il fronte di salita anche in altre parti del programma?
Il segnale sull'ingresso, da dove arriva? Sicuro che non ci sia, per esempio, un contatto che rimbalza? Che filtro c'è impostato, in configurazione hardware, sull'ingresso?
0
voti
Uso le impostazioni di fabbrica, tempo ciclo 150ms, filtro di inserimento 6,4 ms ,per attivare l'ingresso uso il simulatore, ci sono solo queste poche righe di programma nel plc.....
0
voti
Evidentemente esiste la magia. Io però non la conosco.
Ti ho già spiegato in [4] cosa occorre fare, ti ho già detto che le soluzioni in [9] sono da gettare. Ti ho detto che per programmare si una la conoscenza, non la politica.
STORIA DI UNA SIMULAZIONE.
...Lanciamo il TIA PORTAL. (Ma anche dopo il lavoro?) Uff...
1) Prepariamo l'ambiente di lavoro:
2) Controlliamo la config HW. 150 ms di watchdog sono il default, non ci serve, lasciamolo stare così.
3) Controlliamo che di default i merker di clock non siano linkati, tanto non ci servono.
Ok, è cosa ci serve.
4) Scriviamo il ladder in OB1:
5) La CPU concreta non ci serve, basta il simulatore:
Ok, girà. Sta in RUN. Proviamo.
6) Primo step. tutto a zero:
7) Simulo l'ingresso I0.0, sta premuto per un poco:
8) Rilascio I0.0... L'uscita Q0.0 non ha mai vibrato, è ad 1 per ora:
9) E' rimasta ad uno... Bene. Andiamo avanti, per ora non vibra. Ripremo I0.0:
10) Ancora bene, si è spenta Q0.0, ed ora? Se lascio I0.0? Proviamo:
Bene. Sembra funzionare. Non ha mai vibrato nulla. Ed il LADDER sembra quello postato in [4], non altrove.
Bene, è ancora come penso io: vince la logica sulla magia e sulla politica.
Verifica.
Ti ho già spiegato in [4] cosa occorre fare, ti ho già detto che le soluzioni in [9] sono da gettare. Ti ho detto che per programmare si una la conoscenza, non la politica.
STORIA DI UNA SIMULAZIONE.
...Lanciamo il TIA PORTAL. (Ma anche dopo il lavoro?) Uff...
1) Prepariamo l'ambiente di lavoro:
2) Controlliamo la config HW. 150 ms di watchdog sono il default, non ci serve, lasciamolo stare così.
3) Controlliamo che di default i merker di clock non siano linkati, tanto non ci servono.
Ok, è cosa ci serve.
4) Scriviamo il ladder in OB1:
5) La CPU concreta non ci serve, basta il simulatore:
Ok, girà. Sta in RUN. Proviamo.
6) Primo step. tutto a zero:
7) Simulo l'ingresso I0.0, sta premuto per un poco:
8) Rilascio I0.0... L'uscita Q0.0 non ha mai vibrato, è ad 1 per ora:
9) E' rimasta ad uno... Bene. Andiamo avanti, per ora non vibra. Ripremo I0.0:
10) Ancora bene, si è spenta Q0.0, ed ora? Se lascio I0.0? Proviamo:
Bene. Sembra funzionare. Non ha mai vibrato nulla. Ed il LADDER sembra quello postato in [4], non altrove.
Bene, è ancora come penso io: vince la logica sulla magia e sulla politica.
Verifica.
-

Candy
32,5k 7 10 13 - CRU - Account cancellato su Richiesta utente
- Messaggi: 10123
- Iscritto il: 14 giu 2010, 22:54
0
voti
ti ho già detto che le soluzioni in [9] sono da gettare.
Perché?
Io considero (la soluzione Nr.1) il modo migliore per fare un flip-flop.
Se ci fosse anche l'istruzione XOR (come, per esempio, in S7-300), diventerebbe ancora più semplice.
L'unica cosa sbagliata è il rilevamento del fronte di salita.
Sempre con riferimento al post [9] soluzione Nr.1, M20.0 è utilizzato come flag per la rilevazione del fronte di salita, e anche come fronte di salita stesso.
Mi dispiace essermene accorto solo ora, ma è evidente che così non può funzionare.
Tutto il resto però sì che funziona.
Ho buttato giù su una cpu S7-1212 il seguente codice:
Come c'era da aspettarsi, funziona alla grande.
Superfluo dire che mi sarei meravigliato del contrario.
0
voti
Quello che hai postato in [19] è ben diverso da quanto postato in [9]; per forza che funziona.
Anche se a dire il vero, la grafica da te usata in [19] non mi è familiare, forse appartiene a qualche CPU specifica? Mi ricorda di più le S7-200...
Anche se a dire il vero, la grafica da te usata in [19] non mi è familiare, forse appartiene a qualche CPU specifica? Mi ricorda di più le S7-200...
-

Candy
32,5k 7 10 13 - CRU - Account cancellato su Richiesta utente
- Messaggi: 10123
- Iscritto il: 14 giu 2010, 22:54
26 messaggi
• Pagina 2 di 3 • 1, 2, 3
Torna a Automazione industriale ed azionamenti
Chi c’è in linea
Visitano il forum: Nessuno e 27 ospiti

Elettrotecnica e non solo (admin)
Un gatto tra gli elettroni (IsidoroKZ)
Esperienza e simulazioni (g.schgor)
Moleskine di un idraulico (RenzoDF)
Il Blog di ElectroYou (webmaster)
Idee microcontrollate (TardoFreak)
PICcoli grandi PICMicro (Paolino)
Il blog elettrico di carloc (carloc)
DirtEYblooog (dirtydeeds)
Di tutto... un po' (jordan20)
AK47 (lillo)
Esperienze elettroniche (marco438)
Telecomunicazioni musicali (clavicordo)
Automazione ed Elettronica (gustavo)
Direttive per la sicurezza (ErnestoCappelletti)
EYnfo dall'Alaska (mir)
Apriamo il quadro! (attilio)
H7-25 (asdf)
Passione Elettrica (massimob)
Elettroni a spasso (guidob)
Bloguerra (guerra)

