vorrei una mano nella risoluzione di questo esercizio:
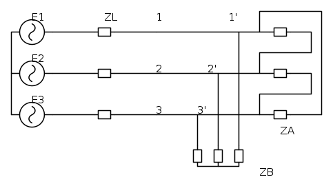
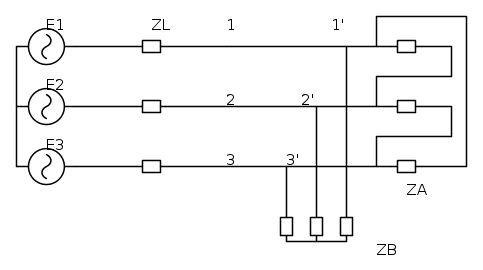
Dato il sistema trifase simmetrico ed equilibrato si determini la potenza trifase passante nella sezione 1-2-3. Se necessario, si effettui il rifasamento nella sezione 1-2-3.
DATI:

Ho pensato di procedere così ho eseguito la trasformazione triangolo-stella sul carico ZA in modo da poterla inserire con facilità nel monofase equivalente.
Prima di calcolare la corrente di linea ho calcolato la Zeq:

in seguito ho calcolato la corrente di linea:

ho calcolato quindi sfasamento fattore di potenza e potenza attiva nella sezione:

il fattore di potenza è superiore a 0.9 quindi non è necessario il rifasamento.
E giusto lo svolgimento dell'esercizio oppure ho sbagliato qualcosa?.

Elettrotecnica e non solo (admin)
Un gatto tra gli elettroni (IsidoroKZ)
Esperienza e simulazioni (g.schgor)
Moleskine di un idraulico (RenzoDF)
Il Blog di ElectroYou (webmaster)
Idee microcontrollate (TardoFreak)
PICcoli grandi PICMicro (Paolino)
Il blog elettrico di carloc (carloc)
DirtEYblooog (dirtydeeds)
Di tutto... un po' (jordan20)
AK47 (lillo)
Esperienze elettroniche (marco438)
Telecomunicazioni musicali (clavicordo)
Automazione ed Elettronica (gustavo)
Direttive per la sicurezza (ErnestoCappelletti)
EYnfo dall'Alaska (mir)
Apriamo il quadro! (attilio)
H7-25 (asdf)
Passione Elettrica (massimob)
Elettroni a spasso (guidob)
Bloguerra (guerra)

), il tuo ragionamento sembra esatto.






