Orologio digitale
Moderatori:
carloc,
g.schgor,
BrunoValente,
IsidoroKZ
0
voti
[202] Re: Orologio digitale
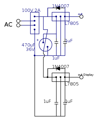
lo schema dovrebbe essere cosi:
la parte in blu è quella gia fatta

la parte in blu è quella gia fatta

0
voti
[203] Re: Orologio digitale
Evidentemente ti piace disegnare con FidocadJ; ma vuoi spiegarmi che senso ha perdere tempo su uno schema di un alimentatore con 7805? Sono due componenti in croce che si collegano in un minuto.
marco
0
voti
[205] Re: Orologio digitale
Invece di perdere tempo a disegnare, leggiti qualche datasheet in piu'.
Ne trarrai maggiori benefici.
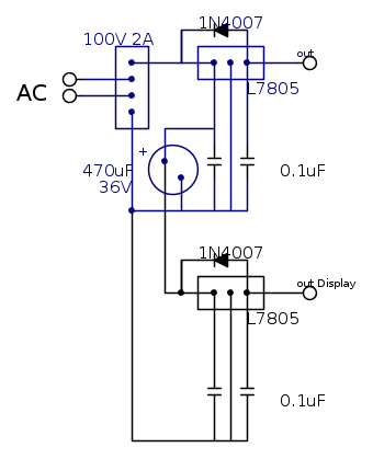
Ho guardato adesso lo schema; il positivo lo devi prelevare non sul ponte ma sui terminali dell'elettrolitico.
Ho corretto anche i valori dei condensatori ceramici che devono essere da 0.1uF (e non 1uF).
Ne trarrai maggiori benefici.
Ho guardato adesso lo schema; il positivo lo devi prelevare non sul ponte ma sui terminali dell'elettrolitico.
Ho corretto anche i valori dei condensatori ceramici che devono essere da 0.1uF (e non 1uF).
marco
0
voti
[210] Re: Orologio digitale
è sorto un problema...
premetto che fino alla prima cifra dei minuti va tutto...
oggi mi sono messo li ed ho collegato la seconda cifra dei inuti ma quando do alimentazione (gia con tutto inserito) i secondi fanno questo lavoro:
1-0-1-0-1-0-1-0
quando tolgo o il display o la decodifica (sempre della seconda cifra) allora incomincia a funzionare tutto...
per individuare il problema ho fatto su breadboard la decina dei minuti ed ho collegato l orologio (togliendo la decodifica dalla scheda)..
l' orologio andava benissimo... allora ho dedotto che il problema sta nella scheda dei display...
però non ho capito qual è...

premetto che fino alla prima cifra dei minuti va tutto...
oggi mi sono messo li ed ho collegato la seconda cifra dei inuti ma quando do alimentazione (gia con tutto inserito) i secondi fanno questo lavoro:
1-0-1-0-1-0-1-0
quando tolgo o il display o la decodifica (sempre della seconda cifra) allora incomincia a funzionare tutto...
per individuare il problema ho fatto su breadboard la decina dei minuti ed ho collegato l orologio (togliendo la decodifica dalla scheda)..
l' orologio andava benissimo... allora ho dedotto che il problema sta nella scheda dei display...
però non ho capito qual è...

Chi c’è in linea
Visitano il forum: Nessuno e 89 ospiti

Elettrotecnica e non solo (admin)
Un gatto tra gli elettroni (IsidoroKZ)
Esperienza e simulazioni (g.schgor)
Moleskine di un idraulico (RenzoDF)
Il Blog di ElectroYou (webmaster)
Idee microcontrollate (TardoFreak)
PICcoli grandi PICMicro (Paolino)
Il blog elettrico di carloc (carloc)
DirtEYblooog (dirtydeeds)
Di tutto... un po' (jordan20)
AK47 (lillo)
Esperienze elettroniche (marco438)
Telecomunicazioni musicali (clavicordo)
Automazione ed Elettronica (gustavo)
Direttive per la sicurezza (ErnestoCappelletti)
EYnfo dall'Alaska (mir)
Apriamo il quadro! (attilio)
H7-25 (asdf)
Passione Elettrica (massimob)
Elettroni a spasso (guidob)
Bloguerra (guerra)




