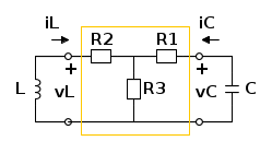
La rete è a regime per t<0.In t=0 l'interruttore si apre. Calcolare l'indicazione dell'amperometro per t=5ms. Successivamente calcolare l'energia immagazzinata nel capacitore per t=5ms. Per la NB: per la risoluzione è richiesta la teoria dei doppi bipoli
Circuito in regime transitorio
Moderatori:
g.schgor,
IsidoroKZ
13 messaggi
• Pagina 1 di 2 • 1, 2
0
voti
Salve a tutti volevo chiedere se qualcuno potrebbe darmi un suggerimento su come impostare la risoluzione per il circuito di cui ora inserirò grafico e dati. Grazie in anticipo a tutti
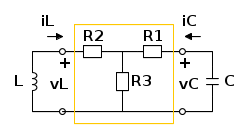
La rete è a regime per t<0.In t=0 l'interruttore si apre. Calcolare l'indicazione dell'amperometro per t=5ms. Successivamente calcolare l'energia immagazzinata nel capacitore per t=5ms. Per la NB: per la risoluzione è richiesta la teoria dei doppi bipoli
La rete è a regime per t<0.In t=0 l'interruttore si apre. Calcolare l'indicazione dell'amperometro per t=5ms. Successivamente calcolare l'energia immagazzinata nel capacitore per t=5ms. Per la NB: per la risoluzione è richiesta la teoria dei doppi bipoli
-

Electron86
8 3 - Messaggi: 24
- Iscritto il: 29 giu 2012, 21:28
0
voti
era sulla traccia dell'esercizio l'ho copiata così com'era comunque non è poi così raro trovarlo anche su alcuni libri di testo.
-

Electron86
8 3 - Messaggi: 24
- Iscritto il: 29 giu 2012, 21:28
0
voti
admin ha scritto:Electron86 ha scritto:[..]NB: per la risoluzione è richiesta la teoria dei doppi bipoli[..]
Ah, però, interessante...
La stessa cosa che ho detto io non appena il prof ha messo la traccia davanti ai miei occhi XD
-

Electron86
8 3 - Messaggi: 24
- Iscritto il: 29 giu 2012, 21:28
1
voti
Candy ha scritto:Una domanda ammazzatempo intanto che aspetti le risposte: ma il termine "capacitore" che hai scritto, da dove arriva?
Ciao
Dizionario Italiano Hoepli
capacitore
[ca-pa-ci-tó-re]
s.m. (pl. -ri)
ELETTR, non com. Condensatore
-

carlomariamanenti
60,1k 6 11 13 - G.Master EY

- Messaggi: 4324
- Iscritto il: 18 gen 2012, 10:44
4
voti
Electron86 ha scritto:...La stessa cosa che ho detto io non appena il prof ha messo la traccia davanti ai miei occhi XD
La richiesta può sembrare strana dal punto di vista di noi comuni idraulici, ma è del tutto normale dal punto di vista H-demico
Ecco come
di contorno ci aggiungiamo poi una bella descrizione del doppio bipolo via parametri ibridi

che ovviamente andrà associata alle equazioni costitutive

ed il gioco è fatto, ovvero abbiamo scritto le due equazioni di stato.
Lascio a te
1
voti
Candy ha scritto:Una domanda ammazzatempo intanto che aspetti le risposte: ma il termine "capacitore" che hai scritto, da dove arriva?
Dall'America! ... se un Professore italiano si è laureato negli USA o viene qui a SB ad insegnare Elettrotecnica ... il termine gli rimane poi appiccicato anche al ritorno in Italia
carlomariamanenti ha scritto:... anche se in disuso il termine è perfettamente corretto ...
In disuso?
BTW (a proposito) di capacitors ricordo ai curiosi questo vecchio thread
viewtopic.php?f=44&t=34172
"Il circuito ha sempre ragione" (Luigi Malesani)
3
voti
RenzoDF ha scritto:[..]
La richiesta può sembrare strana dal punto di vista di noi comuni idraulici, ma è del tutto normale dal punto di vista H-demico, ... e se vogliono che usiamo i doppi bipoli ... noi li useremo! [..]
Beh,
Ieri sera stavo per suggerire il solito obsoleto procedimento, ma di fronte a quella richiesta mi sono fermato. "Ci penserò", ho pensato...anzi no; in realtà ho pensato: "Ci penserà sicuramente Renzo!"

1
voti
Emanuele Lorina
- Chi lotta contro i mostri deve fare attenzione a non diventare lui stesso un mostro. E se tu riguarderai a lungo in un abisso, anche l'abisso vorrà guardare dentro di te (F. Nietzsche)
- Tavole della legge by admin
- Chi lotta contro i mostri deve fare attenzione a non diventare lui stesso un mostro. E se tu riguarderai a lungo in un abisso, anche l'abisso vorrà guardare dentro di te (F. Nietzsche)
- Tavole della legge by admin
-

Lele_u_biddrazzu
8.154 3 8 13 - Master EY

- Messaggi: 1288
- Iscritto il: 23 gen 2007, 16:13
- Località: Modena
13 messaggi
• Pagina 1 di 2 • 1, 2
Torna a Elettrotecnica generale
Chi c’è in linea
Visitano il forum: Google Adsense [Bot] e 58 ospiti

Elettrotecnica e non solo (admin)
Un gatto tra gli elettroni (IsidoroKZ)
Esperienza e simulazioni (g.schgor)
Moleskine di un idraulico (RenzoDF)
Il Blog di ElectroYou (webmaster)
Idee microcontrollate (TardoFreak)
PICcoli grandi PICMicro (Paolino)
Il blog elettrico di carloc (carloc)
DirtEYblooog (dirtydeeds)
Di tutto... un po' (jordan20)
AK47 (lillo)
Esperienze elettroniche (marco438)
Telecomunicazioni musicali (clavicordo)
Automazione ed Elettronica (gustavo)
Direttive per la sicurezza (ErnestoCappelletti)
EYnfo dall'Alaska (mir)
Apriamo il quadro! (attilio)
H7-25 (asdf)
Passione Elettrica (massimob)
Elettroni a spasso (guidob)
Bloguerra (guerra)




