Cos'è ElectroYou | Login Iscriviti

ElectroYou - la comunità dei professionisti del mondo elettrico

Baxandall attivo

hi-fi, luci, suoni, effetti speciali, palcoscenici...

Moderatore: Foto UtenteIsidoroKZ

0
voti

[1] Baxandall attivo

Messaggioda Foto Utentevalve90 » 27 lug 2012, 19:02

Ciao a tutti,
sono nuovo e mi sono iscritto, immagino come la maggior parte, perché ho bisogno di aiuto.
Sono appassionato di elettronica e costruisco soprattutto amplificatori per chitarra ed effetti a pedale.

ho provato ad aggiungere un controllo dei toni baxandall passivo ad un pedale, ma il segnale in uscita è troppo debole, quindi ho deciso di costruire la versione attiva.

ho trovato questo schema:
Immagine

avrei due domande:
1) è possibile utilizzare un opamp più economico? TL082?
2) avendo a disposizione solo +9 volt posso tranquillamente mettere a massa il V- e applicare all'input non invertente V/2 (4,5 volt) ?

Grazie in anticipo
Carlo
Avatar utente
Foto Utentevalve90
5 3
 
Messaggi: 8
Iscritto il: 27 lug 2012, 18:46

0
voti

[2] Re: Baxandall attivo

Messaggioda Foto Utentevalve90 » 27 lug 2012, 20:17

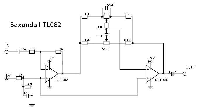
...rovistando un po' nella rete ho trovato questo schema, che utilizza un baxandall a 3 bande e un tl082

Immagine

cosa ne pensate?
meglio mettere un altro opamp che faccia da buffer a monte di tutto (tanto il package del 082 solitamente contiene 2 opamp)?
come fare per avere l'alimentazione singola a +9V?
Avatar utente
Foto Utentevalve90
5 3
 
Messaggi: 8
Iscritto il: 27 lug 2012, 18:46

0
voti

[3] Re: Baxandall attivo

Messaggioda Foto Utentevalve90 » 27 lug 2012, 21:24

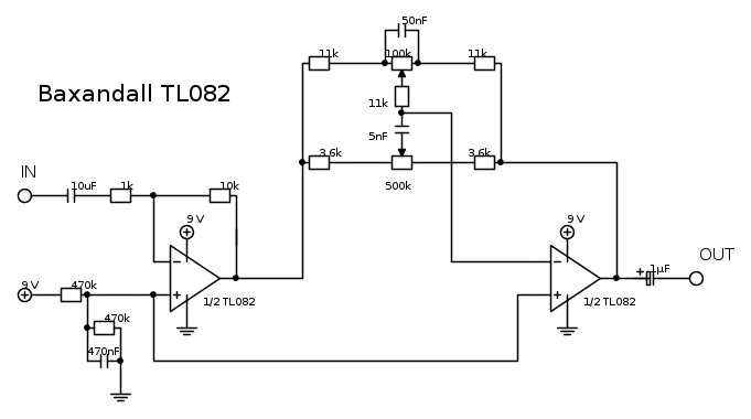
ho provato a buttare giù questo schema...
commenti? correzioni?

Immagine
Avatar utente
Foto Utentevalve90
5 3
 
Messaggi: 8
Iscritto il: 27 lug 2012, 18:46

3
voti

[4] Re: Baxandall attivo

Messaggioda Foto UtenteIsidoroKZ » 28 lug 2012, 7:20

Avevo scritto una risposta, ma sembra sparita: forse ho dimenticato di spedirla :(

Prima osservazione: se fai gli schemi con fidocad vengono piu` leggibili, si vedono anche quando si risponde e sono modificabili.

Non mi sembra ci siano cose evidenti che non vanno. Non ci sono saturazioni degli operazionali. Non ho verificato i valori, ce ne sono un paio che mi suonano sospetti.

Se smetti di fumare non puo` che farti bene :)
Per usare proficuamente un simulatore, bisogna sapere molta più elettronica di lui
Plug it in - it works better!
Il 555 sta all'elettronica come Arduino all'informatica! (entrambi loro malgrado)
Se volete risposte rispondete a tutte le mie domande
Avatar utente
Foto UtenteIsidoroKZ
121,2k 1 3 8
G.Master EY
G.Master EY
 
Messaggi: 21059
Iscritto il: 17 ott 2009, 0:00

1
voti

[5] Re: Baxandall attivo

Messaggioda Foto Utentevalve90 » 28 lug 2012, 11:17

Ciao Isidoro e grazie per la risposta!
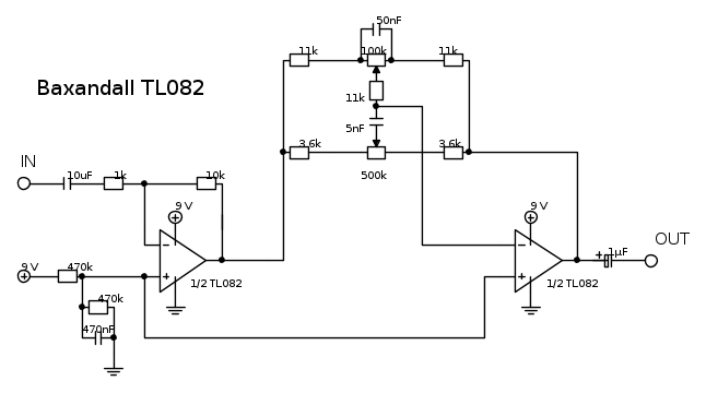
Ho fatto, come consigliavi, lo schema in fidocad.
Quali sono i valori che non ti convincono?

Grazie!

Avatar utente
Foto Utentevalve90
5 3
 
Messaggi: 8
Iscritto il: 27 lug 2012, 18:46

1
voti

[6] Re: Baxandall attivo

Messaggioda Foto UtentePiercarlo » 28 lug 2012, 11:49

Per quel che posso dire io al volo non credo vi siano cose che non vanno a parte la tensione di aliementazione - 9 volt - che per un TL082 e parenti vari è proprio ai minimi termini (sarebbe meglio, con questo operazionale, usare 12 volt per un funizonamento più affidabile, soprattutto se alimentato a batteria).
Il condensatore di accoppiamento tra il primo operazionale e il circuito dei toni puoi anche eliminarlo (bastano i condensatori di ingresso e uscita generale del circuito per eliminare eventuali problemi di offset): così facendo migliara sensibilmente la linearità del circuito alle basse frequenze.

Per quanto riguarda il controllo di toni vero e proprio è solo questione di trovare e copiare diligentemente uno dei tanti che si trovano in giro. Tieni conto però che il Baxandall, a causa della scarsa selettività dei suoi filtri, tende a fare dei discreti minestroni già con soli due controlli di tono (alti e bassi) e aggiungendo i medi o altri ancora la situazione può solo peggiorare fino a renderli di fatto inutili. Se devi avere dei contrilli più selettivi ti conviene puntare ad un equalizzatore vero e proprio.

Ciao
Piercarlo
Avatar utente
Foto UtentePiercarlo
24,0k 6 11 13
G.Master EY
G.Master EY
 
Messaggi: 6719
Iscritto il: 30 mar 2010, 19:23
Località: Milano

0
voti

[7] Re: Baxandall attivo

Messaggioda Foto Utentevalve90 » 28 lug 2012, 13:30

ciao piercarlo,
grazie delle tue considerazioni.

ecco lo schema col baxandall a due bande, senza il condensatore di accoppiamento.



conosci un opamp, magari con la stessa piedinatura, che lavora meglio con alimentazione singola a +9V?

nella pagina dove ho trovato lo schema del baxandall a due bande ho anche trovato queste formule e questo grafico.

baxandall.jpg
baxandall.jpg (88.8 KiB) Osservato 12633 volte


non ci sono spiegazioni... sapreste commentare?

grazie
Ultima modifica di Foto UtenteDirtyDeeds il 28 lug 2012, 13:50, modificato 1 volta in totale.
Motivazione: Non mettere link a server esterni, usa "Invia allegato".
Avatar utente
Foto Utentevalve90
5 3
 
Messaggi: 8
Iscritto il: 27 lug 2012, 18:46

4
voti

[8] Re: Baxandall attivo

Messaggioda Foto UtenteIsidoroKZ » 28 lug 2012, 16:29

valve90 ha scritto:Quali sono i valori che non ti convincono?


Quelli indicati in figura



Il condensatore da 100nF e` decisamente troppo piccolo. Con la resistenza da 1kohm in serie il circuito guadagna 11 volte solo a partire da un paio di kilohertz circa. Meglio aumentarlo ad almeno 10uF.

Il condensatore da 47nF sul partitore di tensione per polarizzare gli operazionali potrebbe essere piccolo. Con le due resistenze da 47kohm forma un polo a circa 150Hz: vuol dire che se hai ronzio sull'alimentazione non viene attenuato. Anche qui direi di aumentare sia C che le R di un ordine di grandezza.

Infine il condensatore da 1uF in serie all'ingresso del controllo dei toni potrebbe essere troppo piccolo quando i cursori sono tutti a sinistra. Ma tanto, come gia` segnalato da Foto UtentePiercarlo quel condensatore puo` essere eliminato.

Infine il controllo a tre vie un po' di casino lo fa: ad esempio il controllo degli acuti, quando usato da solo, puo` alzare gli acuti di circa 20dB. Ma se senza piu` muovere gli acuti alzi i mid, gli acuti si abbassano :(
Per usare proficuamente un simulatore, bisogna sapere molta più elettronica di lui
Plug it in - it works better!
Il 555 sta all'elettronica come Arduino all'informatica! (entrambi loro malgrado)
Se volete risposte rispondete a tutte le mie domande
Avatar utente
Foto UtenteIsidoroKZ
121,2k 1 3 8
G.Master EY
G.Master EY
 
Messaggi: 21059
Iscritto il: 17 ott 2009, 0:00

0
voti

[9] Re: Baxandall attivo

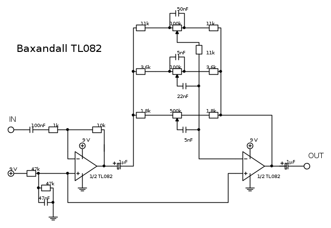
Messaggioda Foto Utentevalve90 » 28 lug 2012, 16:58

Grazie per le correzioni!

IsidoroKZ ha scritto:Meglio aumentarlo ad almeno 10uF.


posso metterlo elettrolitico?

ecco lo schema aggiornato:
Avatar utente
Foto Utentevalve90
5 3
 
Messaggi: 8
Iscritto il: 27 lug 2012, 18:46

3
voti

[10] Re: Baxandall attivo

Messaggioda Foto UtentePiercarlo » 28 lug 2012, 17:10

Nello schema modificato che trovi sotto (ho rifatto il tuo da cima a fondo.... era talmente zuppo di errori che era impossibile lascairlo andare in giro "a piede libero") trovi le modifiche per linearizzare l'uscita di un LM358, che a 9 volt è in grado di funzionare discretamente (ma che di suo, senza le resistenze di carico sull'usta, ha una distorsione di incrocio terrificante).



Il circuito, così com'è va bene per praticamente anche per tutti i doppi operazionali di uso generico che si trovano in giro a due soldi. Tutti i condensatori elettrolitici vanno scelti almeno per la tensione a cui dovrà lavorare effettivamente questo circuito, preferendo quelli da da 25 volt di lavoro. Il circuito dei toni gli ho ricalcolato i condensatori in modo da avere la massima esaltazione sotto i 100 Hz e sopra i 2 kHz (con i potenziometri da 47k; i valori originali mi sembrano esagerati, soprattutto per un circuito che potrebbe venirsi a trovare iin un ambiente elettricamente poco pulito e molto "ronzante").

Ciao
Piercarlo
Avatar utente
Foto UtentePiercarlo
24,0k 6 11 13
G.Master EY
G.Master EY
 
Messaggi: 6719
Iscritto il: 30 mar 2010, 19:23
Località: Milano

Prossimo

Torna a Elettronica e spettacolo

Chi c’è in linea

Visitano il forum: Nessuno e 8 ospiti