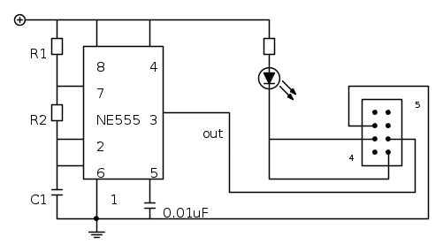
Ha 3 posizioni e 8 terminali messi in 2 file...l'ho smontato per vedere come funzionava e praticamente,ad ogni posizione,vengono attivati 4 terminali separati tra loro...
Posto un immagine che forse è meglio
Questi sono i terminali attivati nelle varie posizioni:

Questi i terminali che intendo utilizzare nelle varie posizioni:

Fossi in te, prima di tutto proverei a vedere se il circuito funziona ed il led lampeggia alle frequenze volute.
Per adesso mi basta anche solo sapere se si può fare con uno switch del genere, poi quando avrò realizzato il circuito chiederò un'aiutino

Elettrotecnica e non solo (admin)
Un gatto tra gli elettroni (IsidoroKZ)
Esperienza e simulazioni (g.schgor)
Moleskine di un idraulico (RenzoDF)
Il Blog di ElectroYou (webmaster)
Idee microcontrollate (TardoFreak)
PICcoli grandi PICMicro (Paolino)
Il blog elettrico di carloc (carloc)
DirtEYblooog (dirtydeeds)
Di tutto... un po' (jordan20)
AK47 (lillo)
Esperienze elettroniche (marco438)
Telecomunicazioni musicali (clavicordo)
Automazione ed Elettronica (gustavo)
Direttive per la sicurezza (ErnestoCappelletti)
EYnfo dall'Alaska (mir)
Apriamo il quadro! (attilio)
H7-25 (asdf)
Passione Elettrica (massimob)
Elettroni a spasso (guidob)
Bloguerra (guerra)





