g.schgor ha scritto:... aggiungo una possibile soluzione...
Mi sembra proprio una bella idea, appena ho un po' di tempo provo a buttare giù uno schema.
Moderatori:
carloc,
g.schgor,
BrunoValente,
IsidoroKZ
g.schgor ha scritto:... aggiungo una possibile soluzione...




BrunoValente ha scritto:Ora mi dai del lei?![]()
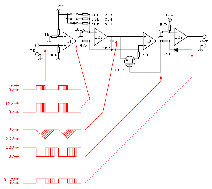
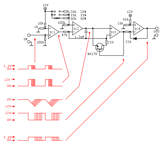
g.schgor ha scritto:Vedo solo ora la richiesta ed aggiungo una possibile soluzione
in base a quanto già detto nei commenti all'articolo sul 555.
L'idea era questa: [...]
BrunoValente ha scritto:Grazie all'idea di g.schgor mi sembra sia venuto molto meglio dell'altro: la precisione è indipendente dalla tensione di alimentazione e dal valore del condensatore dell'integratore (grazie alla furbata della doppia rampa), dipende solo dalla tolleranza delle resistenze intorno al commutatore, da quanto è basso l'offset di IC2 e IC3 e da quanto gli operazionali sono veramente rail to rail

iancilos ha scritto:...Mi scusi spero che non si offenda, se per caso non l'ho fatto prima. Credo che lei sia una persona più grande di me e quindi è giusto che io le dia del lei!
iancilos ha scritto:... Ho scelto come integrato il LM124J ...
iancilos ha scritto:Però con l'oscilloscopio subito dopo U1A vedo già direttamente il segnale triangolare a 6v


g.schgor ha scritto:OK per la simulazione in Multisim, ma in questo momento
non posso verificare (sono in vacanza e qui non ho Multisim).
Consiglio però di procedere per gradi, uno stadio alla volta,
avendo ben chiara la forma d'onda che vuoi ottenere in
uscita da ciascuno.
iancilos ha scritto:...Quindi mi sembra che il primo stadio sia già perfetto, no?


BrunoValente ha scritto:Non va bene: ha uno slew rate troppo basso per commutare correttamente a quelle frequenze.
Prova con un LM61134
Visitano il forum: Nessuno e 37 ospiti