Cos'è ElectroYou | Login Iscriviti

ElectroYou - la comunità dei professionisti del mondo elettrico

Risoluzione circuito regime transitorio

Circuiti, campi elettromagnetici e teoria delle linee di trasmissione e distribuzione dell’energia elettrica

Moderatori: Foto Utenteg.schgor, Foto UtenteIsidoroKZ

0
voti

[21] Re: Risoluzione circuito regime transitorio

Messaggioda Foto UtenteLink900 » 23 ago 2012, 20:32

Bene grazie! Ora vediamo se riesco a risolvere un altro esercizio per intero! A quel punto con un po' di allenamento dovrei essere messo bene!
Avatar utente
Foto UtenteLink900
15 3
New entry
New entry
 
Messaggi: 52
Iscritto il: 15 ago 2012, 11:32

0
voti

[22] Re: Risoluzione circuito regime transitorio

Messaggioda Foto UtenteLink900 » 24 ago 2012, 11:29

RenzoDF ha scritto:No, non puoi non considerare R3 ed R4; la prima pur essendo in serie ad un GIC, influenza la vL mentre la seconda, pur in parallelo ad un GIT, influenza la ic, Millman poi non serve in quanto la tensione fra i due nodi è nota e pari a vC

le due equazioni di stato puoi scriverle con una KVL e una KCL alla maglia ed al taglio indicati

\left\{ \begin{align}
  & v_{L}=v_{C}-R_{3}i_{L} \\ 
 & i_{C}=-\frac{v_{C}}{R_{4}}-i_{L}+\frac{v_{g}-v_{C}}{R_{1}} \\ 
\end{align} \right.

dalle quali, usando le relazioni costitutive dei due bipoli

\left\{ \begin{align}
  & i_{L}^{\prime}=-\frac{R_{3}}{L}i_{L}+\frac{1}{L}v_{C} \\ 
 & v_{C}^{\prime}=-\frac{1}{C}i_{L}-\frac{1}{C}\left( \frac{1}{R_{4}}+\frac{1}{R_{1}} \right)v_{C}+\frac{1}{R_{1}}v_{g} \\ 
\end{align} \right.



Stavo riguardando questo esempio stamattina e mi è sorto un piccolo dubbio sui segni, in particolare, perche la iC risulta con -iL e il -vC se entrambe le correnti sono uscenti dal nodo preso in considerazione per la Lki?
Avatar utente
Foto UtenteLink900
15 3
New entry
New entry
 
Messaggi: 52
Iscritto il: 15 ago 2012, 11:32

1
voti

[23] Re: Risoluzione circuito regime transitorio

Messaggioda Foto UtenteLele_u_biddrazzu » 24 ago 2012, 11:42

Hai provato almeno a scrivere la KCL?

i_{C}+i_{L}+\frac{v_{C}}{R_{4}}+\frac{v_{C}-v_{g}}{R_{1}}=0

A questo punto credo che non dovresti avere più dubbi riguardo i segni ;-)
Emanuele Lorina

- Chi lotta contro i mostri deve fare attenzione a non diventare lui stesso un mostro. E se tu riguarderai a lungo in un abisso, anche l'abisso vorrà guardare dentro di te (F. Nietzsche)
- Tavole della legge by admin
Avatar utente
Foto UtenteLele_u_biddrazzu
8.154 3 8 13
Master EY
Master EY
 
Messaggi: 1288
Iscritto il: 23 gen 2007, 16:13
Località: Modena

0
voti

[24] Re: Risoluzione circuito regime transitorio

Messaggioda Foto UtenteLink900 » 25 ago 2012, 17:04

Giusto giusto errore mio!
Ultima modifica di Foto UtenteLele_u_biddrazzu il 25 ago 2012, 17:05, modificato 1 volta in totale.
Motivazione: Eliminata citazione integrale del post precedente. Usa il tasto rispondi ;)
Avatar utente
Foto UtenteLink900
15 3
New entry
New entry
 
Messaggi: 52
Iscritto il: 15 ago 2012, 11:32

0
voti

[25] Re: Risoluzione circuito regime transitorio

Messaggioda Foto UtenteLink900 » 25 ago 2012, 17:14

RenzoDF ha scritto:
Link900 ha scritto:... ok prima ho propio cannato a scrivere volevo dire la Vc1 e la Vc2, comunque hai tutti i dati necessari per potermi aiutare sia nel primo problema ( le due vc ), sia nel secondo problema di cui ho scritto le formule in latex o manca qualcosa :D?

Manca lo schema completo dell'ultimo, non vedo R2!

... per quanto riguarda quello con due condensatori, dopo aver ridisegnato come segue

basta calcolare la tensione fra A e B con Millman

v_{AB}=\frac{v_{C_{1}}G_{1}+i_{G}-v_{C_{2}}G_{2}}{G_{1}+G_{2}}

e quindi scrivere

\left\{ \begin{align}
  & i_{C_{1}}=\left( v_{AB}-v_{C_{1}} \right)G_{1} \\ 
 & i_{C_{2}}=-\left( v_{AB}+v_{C_{2}} \right)G_{2}-v_{C_{2}}G_{3} \\ 
\end{align} \right.


Bene dopo aver risolto diversi esercizi di fila della tipologia Condensatore induttore, mi sono buttato su questo esempio con due condensatori!
I dati del problema sono questi, io ho provato a risolverlo come hai descritto tu, ma a meno che non abbia fatto degli errori di calcolo io ( mi auguro di no :-| ), non risulta come nelle soluzioni!

R1 = 2 Ohm
R2 = 6 Ohm
R3 = 3 Ohm
C1 = 0.25 F
C2 = 0.25 F
IG = 5 A

Le soluzioni per iC1 e iC2 dicono:

\frac{\mathrm{dv_{C1}} }{\mathrm{d} t} = -\frac{1}{2} v_{C1} -\frac{1}{2} v_{C2} + 15

Che se non fosse per il fatto che bisogna dividere il tutto per 0.25 sembrerebbe risultare!

La iC2 invece non mi risulta completamente

\frac{\mathrm{dv_{C2}} }{\mathrm{d} t} = -\frac{1}{2} v_{C1} -\frac{11}{6} v_{C2} -5
Avatar utente
Foto UtenteLink900
15 3
New entry
New entry
 
Messaggi: 52
Iscritto il: 15 ago 2012, 11:32

0
voti

[26] Re: Risoluzione circuito regime transitorio

Messaggioda Foto UtenteRenzoDF » 25 ago 2012, 18:57

Link900 ha scritto:Le soluzioni per iC1 e iC2 dicono:

\frac{\mathrm{dv_{C1}} }{\mathrm{d} t} = -\frac{1}{2} v_{C1} -\frac{1}{2} v_{C2} + 15
\frac{\mathrm{dv_{C2}} }{\mathrm{d} t} = -\frac{1}{2} v_{C1} -\frac{11}{6} v_{C2} -5


Ho fatto i calcoli e concordo con queste due soluzioni ma non capisco se sono le tue o quelle ufficiali, nel primo caso controlla lo schema che hai postato in [7] (io pensavo tu lo avessi già fatto) dove io ho inteso che per t>0 il deviatore scollegasse R3 da A a e la connettesse a B; se poi la mia ipotesi fosse stata errata, le due mie relazioni non sono ovviament più valide.
"Il circuito ha sempre ragione" (Luigi Malesani)
Avatar utente
Foto UtenteRenzoDF
55,9k 8 12 13
G.Master EY
G.Master EY
 
Messaggi: 13189
Iscritto il: 4 ott 2008, 9:55

0
voti

[27] Re: Risoluzione circuito regime transitorio

Messaggioda Foto UtenteLink900 » 25 ago 2012, 19:22

Edit RenzoDF : non serve quotare tutto stanto più che il post al quale fai riferimento è il precedente!

Si è esatto per t>0 R3 si connette a B, quelle sono le soluzioni ufficiali, se anche a te risultano cosi ho sbagliato qualcosa nei calcoli allora.. li vado a rifare, devo esser fuso se sbaglio roba di questo genere..
Avatar utente
Foto UtenteLink900
15 3
New entry
New entry
 
Messaggi: 52
Iscritto il: 15 ago 2012, 11:32

3
voti

[28] Re: Risoluzione circuito regime transitorio

Messaggioda Foto UtenteRenzoDF » 25 ago 2012, 20:11

Link900 ha scritto:... li vado a rifare, devo esser fuso se sbaglio roba di questo genere..

Quando hai di questi dubbi sulla discordanza dei risultati, puoi usare anche un software per controllare, prima di andare a cercare il tuo errore, per esempio WxMaxima, uno dei nostri FREE-Tools ti fornisce sia la soluzione simbolica sia quella numerica.

2012-08-25_203122.gif
2012-08-25_203122.gif (50.87 KiB) Osservato 2820 volte

a) inserite le tre equazioni eq1,eq2 ed eq3

b) calcoli la soluzione con linsolve, specificando il nome delle equazioni e delle incognite rispetto alle quali deve risolvere per ottenere la soluzione simbolica

c) assegni i valori numerici come alla riga di input %i5 attraverso la lista delle variabili e quella dei valori corrispondenti

d) fai rivalutare la soluzione sol per ottenere la soluzione numerica

z) ... Semplice no? ... e Gratuitamente! ;-)
"Il circuito ha sempre ragione" (Luigi Malesani)
Avatar utente
Foto UtenteRenzoDF
55,9k 8 12 13
G.Master EY
G.Master EY
 
Messaggi: 13189
Iscritto il: 4 ott 2008, 9:55

0
voti

[29] Re: Risoluzione circuito regime transitorio

Messaggioda Foto UtenteLink900 » 27 ago 2012, 13:35

Ok risolto quel problema, come al solito era uno stupido errore di calcolo #-o ..
Comunque con questo genere di esercizi sono quasi apposto, ho ancora qualche dubbio riguardo a quelli con due condensatori o due induttori ma nel complesso sono a buon punto..
Ora mi servirebbe una mano con l'ultima tipologia di esercizio che devo risolvere nel compito, ovvero circuiti in regime sinusoidale, chiedo sempre in questo topic o preferisci che ne apro un altro?
Avatar utente
Foto UtenteLink900
15 3
New entry
New entry
 
Messaggi: 52
Iscritto il: 15 ago 2012, 11:32

0
voti

[30] Re: Risoluzione circuito regime transitorio

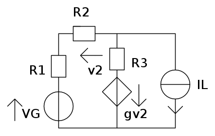
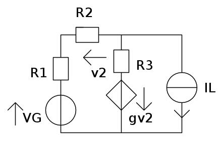
Messaggioda Foto UtenteLink900 » 4 set 2012, 14:34

Foto UtenteRenzoDF Sigh.. oggi tanto per cambiare, al posto di mettere il solito esercizio con i coefficienti numerici il prof ha avuto la simpatica idea di cambiare tipo di schema, e di non dare dati numerici quindi risolvere il tutto in modo simbolico..
Ovviamente tralasciando il momento di sconforto iniziale, ho comunque provato a risolverlo come facevo con i precedenti, ma mentre lo svolgevo mi sono accorto che quel metodo non poteva andare bene, perché qui ho solo un induttore.. ho ridisegnato lo schema, vado a memoria quindi forse qualche verso è diverso, in ogni caso, per caso mi sai illuminare su quale metodo devo utilizzare per risolvere questo genere di schema?
La consegna è di trovare IL(t), il circuito l'ho disegnato per t>0, per t<0 si chiude e scompare R2.. l'unico dato che viene fornito è che le resistenze hanno tutte lo stesso valore..
Ah oltretutto è comparso quel generatore dipendente che mi ha messo ancora più in difficoltà..
Avatar utente
Foto UtenteLink900
15 3
New entry
New entry
 
Messaggi: 52
Iscritto il: 15 ago 2012, 11:32

PrecedenteProssimo

Torna a Elettrotecnica generale

Chi c’è in linea

Visitano il forum: Nessuno e 19 ospiti