Se ho ben capito basta prelevare il comando positivo che arriva agli stop e con esso comandare un oscillatore come questo:
Visto pero' che non faccio l'elettrauto, non so cosa succede quando si schiaccia il freno ; si collega la massa o il positivo alla lampada di stop?
Stop auto lampeggiante
Moderatori:
carloc,
g.schgor,
BrunoValente,
IsidoroKZ
30 messaggi
• Pagina 3 di 3 • 1, 2, 3
0
voti
Soluzione.
Al posto dei led ci metto un bel relè 12v 1via che mi darà in uscita i 12v lampeggianti.
Grazie a tutti.
Al posto dei led ci metto un bel relè 12v 1via che mi darà in uscita i 12v lampeggianti.
Grazie a tutti.
1
voti
Questa non l'ho capita: vuoi togliere i LED e al loro posto collegare la bobina di un relè? Ma a qualche schema ti stai riferendo?
Mah, commutare la bobina di un relè con un segnale che giunge da un oscillatore a mio modo di vedere a lungo andare scassa il relè.
Ciao.
Paolo.
Mah, commutare la bobina di un relè con un segnale che giunge da un oscillatore a mio modo di vedere a lungo andare scassa il relè.
Ciao.
Paolo.
"Houston, Tranquillity Base here. The Eagle has landed." - Neil A.Armstrong
-------------------------------------------------------------
PIC Experience - http://www.picexperience.it
-------------------------------------------------------------
PIC Experience - http://www.picexperience.it
-

Paolino
32,6k 8 12 13 - G.Master EY

- Messaggi: 4226
- Iscritto il: 20 gen 2006, 11:42
- Località: Vigevano (PV)
0
voti
Mi riferisco sempre all'originale (Nuova elettronica riv.n.185 pag.20).
Tolgo i led e ci applico il relè detto sopra tra il + ed il catodo di TR2/TR3.
I led li attacco ai +12 in uscita dal relè.
Diciamo che il relè funzionarà on/off solo quando premo il freno, per il resto del tempo non farà assolutamente nulla, se reggerà ce lo dirà il tempo.
Tolgo i led e ci applico il relè detto sopra tra il + ed il catodo di TR2/TR3.
I led li attacco ai +12 in uscita dal relè.
Diciamo che il relè funzionarà on/off solo quando premo il freno, per il resto del tempo non farà assolutamente nulla, se reggerà ce lo dirà il tempo.
1
voti
Quindi accantoni le indicazioni di
donciccio e
marco438?
Questo è ovvio. Ma cosa accade quando commuta? A che frequenza lavora l'oscillatore dello schema originale?
As you wish. Se tornerai a chiedere aiuto, posso presumere che il tempo abbia dato il suo responso
Poi fai come credi, ma io abbandonerei la strada del relè e proverei qualcosa di diverso, come ti è stato proposto.
Ciao.
Paolo.
erpomata ha scritto:Diciamo che il relè funzionarà on/off solo quando premo il freno, per il resto del tempo non farà assolutamente nulla
Questo è ovvio. Ma cosa accade quando commuta? A che frequenza lavora l'oscillatore dello schema originale?
erpomata ha scritto:se reggerà ce lo dirà il tempo.
As you wish. Se tornerai a chiedere aiuto, posso presumere che il tempo abbia dato il suo responso
Poi fai come credi, ma io abbandonerei la strada del relè e proverei qualcosa di diverso, come ti è stato proposto.
Ciao.
Paolo.
"Houston, Tranquillity Base here. The Eagle has landed." - Neil A.Armstrong
-------------------------------------------------------------
PIC Experience - http://www.picexperience.it
-------------------------------------------------------------
PIC Experience - http://www.picexperience.it
-

Paolino
32,6k 8 12 13 - G.Master EY

- Messaggi: 4226
- Iscritto il: 20 gen 2006, 11:42
- Località: Vigevano (PV)
0
voti
Paolino ha scritto:Poi fai come credi, ma io abbandonerei la strada del relè e proverei qualcosa di diverso, come ti è stato proposto.
Ciao.
Paolo.
Evidentemente
marco
0
voti
Bè non è detto che lo faccia.
Pensavo di aver trovato una soluzione.
Mi arrendo.
Pensavo di aver trovato una soluzione.
Mi arrendo.
1
voti
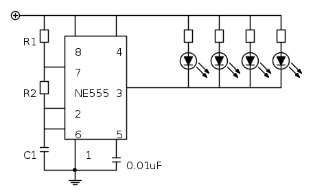
E perché mai? Per montare un circuito con NE555 e fare un test (anche senza LED, al momento) ti costa davvero poco! Io proverei.
Ciao.
Paolo.
Ciao.
Paolo.
"Houston, Tranquillity Base here. The Eagle has landed." - Neil A.Armstrong
-------------------------------------------------------------
PIC Experience - http://www.picexperience.it
-------------------------------------------------------------
PIC Experience - http://www.picexperience.it
-

Paolino
32,6k 8 12 13 - G.Master EY

- Messaggi: 4226
- Iscritto il: 20 gen 2006, 11:42
- Località: Vigevano (PV)
1
voti
Mi correggo: volevo dire "senza LED ad alta luminosità", ma LED comuni. Puoi provare a banco il tutto e poi preparare la parte dei LED ad alta luminosità in un secondo tempo.
Paolo.
Paolo.
"Houston, Tranquillity Base here. The Eagle has landed." - Neil A.Armstrong
-------------------------------------------------------------
PIC Experience - http://www.picexperience.it
-------------------------------------------------------------
PIC Experience - http://www.picexperience.it
-

Paolino
32,6k 8 12 13 - G.Master EY

- Messaggi: 4226
- Iscritto il: 20 gen 2006, 11:42
- Località: Vigevano (PV)
30 messaggi
• Pagina 3 di 3 • 1, 2, 3
Chi c’è in linea
Visitano il forum: Majestic-12 [Bot] e 295 ospiti

Elettrotecnica e non solo (admin)
Un gatto tra gli elettroni (IsidoroKZ)
Esperienza e simulazioni (g.schgor)
Moleskine di un idraulico (RenzoDF)
Il Blog di ElectroYou (webmaster)
Idee microcontrollate (TardoFreak)
PICcoli grandi PICMicro (Paolino)
Il blog elettrico di carloc (carloc)
DirtEYblooog (dirtydeeds)
Di tutto... un po' (jordan20)
AK47 (lillo)
Esperienze elettroniche (marco438)
Telecomunicazioni musicali (clavicordo)
Automazione ed Elettronica (gustavo)
Direttive per la sicurezza (ErnestoCappelletti)
EYnfo dall'Alaska (mir)
Apriamo il quadro! (attilio)
H7-25 (asdf)
Passione Elettrica (massimob)
Elettroni a spasso (guidob)
Bloguerra (guerra)


