Cos'è ElectroYou | Login Iscriviti

ElectroYou - la comunità dei professionisti del mondo elettrico

Modifica schema alimentatore

Elettronica lineare e digitale: didattica ed applicazioni

Moderatori: Foto Utentecarloc, Foto Utenteg.schgor, Foto UtenteBrunoValente, Foto UtenteIsidoroKZ

0
voti

[101] Re: Modifica schema alimentatore

Messaggioda Foto Utentemarco438 » 26 ago 2012, 19:07

Mave ha scritto:C'è qualche differenza tra i due schemi che si possono usare in base ai transistor? oppure non cambia niente?

Certo che c'e' differenza. Probabilmente non ricordi i primi messaggi di questo thread in cui tu stesso hai proposto uno schema con PNP.
Poi mi hai chiesto di farti lo schema per NPN ed ora........
Prendi una decisione.
marco
Avatar utente
Foto Utentemarco438
37,1k 7 11 13
-EY Legend-
-EY Legend-
 
Messaggi: 16323
Iscritto il: 24 mar 2010, 15:09
Località: Versilia

0
voti

[102] Re: Modifica schema alimentatore

Messaggioda Foto UtenteMave » 26 ago 2012, 23:00

Chiedo scusa perché mi sono espresso male. la differenza tra gli schemi la ricordo, io intendevo una differenza nel efficienza totale, cioè in parole povere.. il circuito funziona meglio con NPN oppure PNP?

la decisione l'ho cambiata per vari motivi tra cui l'impossibilità di usare dei TO3 e trovare qualcosa che non sia TO3 in NPN con un prezzo accettabile è difficile per cui ho optato per dei PNP.

Sicuramente non lo faccio per prenderti in giro. [-X

O_/ O_/
Avatar utente
Foto UtenteMave
100 1 6
Frequentatore
Frequentatore
 
Messaggi: 194
Iscritto il: 27 gen 2012, 21:41
Località: Terlano

0
voti

[103] Re: Modifica schema alimentatore

Messaggioda Foto Utentemarco438 » 27 ago 2012, 8:14

Quando si progetta un circuito, si scelgono i componenti non per il loro basso costo di acquisto ( questo si fa a livello industriale) ma sulla base delle loro caratteristiche tecniche nel contesto.
Andare a scegliere "quello che costa meno" non ha mai dato i migliori risultati e comunque all'inizio ti avevo suggerito la soluzione con MJ4502 in TO3 che qui si possono prendere a meno di due euro l'uno spedizione compresa (e ne basterebbero tre); in alternativa, visto che vuoi il contenitore diverso ci sarebbero questi, un po' piu' cari, ma sempre in numero di tre.
I transistor che hai scelto tu (non so quanto costano) non li conosco e non ho letto le loro caratteristiche tecniche; potrebbero andare come no; quello che e' certo e' che quelli che io ti avevo suggerito sono componenti testati e di sicuro funzionamento.
Negli alimentatori lineari, per finire, si preferisce sempre adoperare transistor PNP e questo e cio' che ti avevo suggerito prima che il thread prendesse strade diverse e mutevoli.
Ora, credo tu debba pensare con calma a quello che intendi fare e decidere quale strada percorrere.
marco
Avatar utente
Foto Utentemarco438
37,1k 7 11 13
-EY Legend-
-EY Legend-
 
Messaggi: 16323
Iscritto il: 24 mar 2010, 15:09
Località: Versilia

0
voti

[104] Re: Modifica schema alimentatore

Messaggioda Foto UtenteMave » 28 ago 2012, 22:16

Allora, visto che mi piacerebbe comprare i componenti da un unico sito senza prendere tre transistor di qua e qualche diodo da 10A di là.. in modo almeno da risparmiare sulle spedizioni.

Potresti indicarmi dei transistor PNP che posso utilizzare e che si trovano anche sul catalogo di RS? :-?

grazie mille O_/ O_/
Avatar utente
Foto UtenteMave
100 1 6
Frequentatore
Frequentatore
 
Messaggi: 194
Iscritto il: 27 gen 2012, 21:41
Località: Terlano

0
voti

[105] Re: Modifica schema alimentatore

Messaggioda Foto Utentemarco438 » 29 ago 2012, 7:22

TIP36C
marco
Avatar utente
Foto Utentemarco438
37,1k 7 11 13
-EY Legend-
-EY Legend-
 
Messaggi: 16323
Iscritto il: 24 mar 2010, 15:09
Località: Versilia

0
voti

[106] Re: Modifica schema alimentatore

Messaggioda Foto UtenteMave » 31 ago 2012, 13:29

OK! Grazie. Adesso mi procuro i componenti. :ok:
Avatar utente
Foto UtenteMave
100 1 6
Frequentatore
Frequentatore
 
Messaggi: 194
Iscritto il: 27 gen 2012, 21:41
Località: Terlano

0
voti

[107] Re: Modifica schema alimentatore

Messaggioda Foto UtenteMave » 31 ago 2012, 13:46

Scusa ma adesso visto che posso usare dei PNP mi baso sullo schema iniziale giusto? quello che ho postato nel primo post? non sono sicuro.. :-|
Avatar utente
Foto UtenteMave
100 1 6
Frequentatore
Frequentatore
 
Messaggi: 194
Iscritto il: 27 gen 2012, 21:41
Località: Terlano

0
voti

[108] Re: Modifica schema alimentatore

Messaggioda Foto Utentemarco438 » 31 ago 2012, 13:58

Si. Non ricordo pero' se lo vuoi a tensione fissa o variabile;in ogni caso sarebbe bene se tu lo ridisegnassi per intero usando FidocadJ.
Cio' per evitare errate interpretazioni tra noi e per quelli che leggono il thread ormai giunto al post 107. :D
marco
Avatar utente
Foto Utentemarco438
37,1k 7 11 13
-EY Legend-
-EY Legend-
 
Messaggi: 16323
Iscritto il: 24 mar 2010, 15:09
Località: Versilia

0
voti

[109] Re: Modifica schema alimentatore

Messaggioda Foto UtenteMave » 31 ago 2012, 15:31

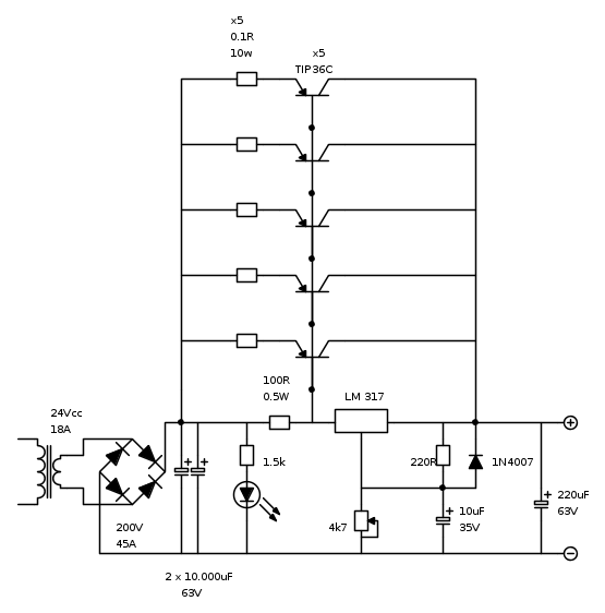
Lo preferirei a tensione variabile. Qui ho rifatto io lo schema con i TIP36C PNP con fidocad e spero sia giusto.


Nel precedente schema era presente un condensatore ceramico prima del regolatore, non conoscendolo bene non sapevo dove metterlo..

Al posto del LED posso mettere una lampadina sferica da 24 V? Ho ritrovato un porta lampada vecchissimo che ho ripulito e vorrei usarlo, ha il vetrino in vetro rosso molto spesso e opaco..... Bellissimoo :mrgreen:
@@@1.jpg
portalampada
@@@1.jpg (462.92 KiB) Osservato 5043 volte

per cui la posso mettere dopo il ponte oppure la devo mettere prima? considerando la differenza di tensione dopo il ponte.


Foto dissipatore:
DSC_0834.JPG
dissipatore1
DSC_0834.JPG (268.33 KiB) Osservato 5043 volte

DSC_0829.JPG
dissipatore2
DSC_0829.JPG (202.86 KiB) Osservato 5043 volte

Grazie :-)
Avatar utente
Foto UtenteMave
100 1 6
Frequentatore
Frequentatore
 
Messaggi: 194
Iscritto il: 27 gen 2012, 21:41
Località: Terlano

0
voti

[110] Re: Modifica schema alimentatore

Messaggioda Foto Utentemarco438 » 31 ago 2012, 15:47

In linea di massima lo schema va bene tuttavia, visto che i transistor indicati possono supportare 35A l'uno, penso sia sufficiente metterne 3. Sara' da rivedere il valore della resistenza tra base ed emettitore che dovra' comunque essere da 5W e non da 0,5.
marco
Avatar utente
Foto Utentemarco438
37,1k 7 11 13
-EY Legend-
-EY Legend-
 
Messaggi: 16323
Iscritto il: 24 mar 2010, 15:09
Località: Versilia

PrecedenteProssimo

Torna a Elettronica generale

Chi c’è in linea

Visitano il forum: Nessuno e 184 ospiti