- Un pulsante di "SET" per impostare il timer tramite il pulsante d' impostazione.
- Un pulsante per l' impostazione del tempo con autorepeat.
- Un pulsante START/PAUSA/STOP/STOP BUZZER
Configurazione non restrittiva, modificabile alla bisogna.
Passi successivi:
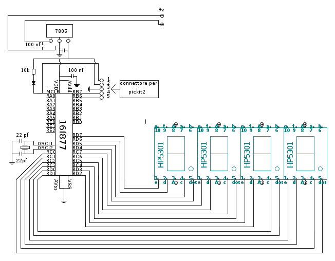
- Tirare giù uno schema decente.
- Definire gli stati di funzionamento (idle, conteggio, pausa, reset, set minuti, set secondi, buzzer on e compagnia cantante: autorepeat e cose varie)
Poi ci risentiamo.
Ho detto.
Augh!
P.S.: sono io che ho suggerito il timer per la pasta.

Elettrotecnica e non solo (admin)
Un gatto tra gli elettroni (IsidoroKZ)
Esperienza e simulazioni (g.schgor)
Moleskine di un idraulico (RenzoDF)
Il Blog di ElectroYou (webmaster)
Idee microcontrollate (TardoFreak)
PICcoli grandi PICMicro (Paolino)
Il blog elettrico di carloc (carloc)
DirtEYblooog (dirtydeeds)
Di tutto... un po' (jordan20)
AK47 (lillo)
Esperienze elettroniche (marco438)
Telecomunicazioni musicali (clavicordo)
Automazione ed Elettronica (gustavo)
Direttive per la sicurezza (ErnestoCappelletti)
EYnfo dall'Alaska (mir)
Apriamo il quadro! (attilio)
H7-25 (asdf)
Passione Elettrica (massimob)
Elettroni a spasso (guidob)
Bloguerra (guerra)




solo che ci sono cascato pensando di averci fatto chissà che affare perche con 2,60 euro mi sono ''aggiudicato'' 9 cifre che pero hanno un sacco di svantaggi del tipo non le posso girare una a una per fare i 2 punti ecc.. 

