timer per la pasta
Moderatore:
Paolino
1
voti
Certo che servono anche a te! Ciascun transistor, pilotato in saturazione, lavora come interruttore. Vengono pilotati uno alla volta. Quando un transistor è in saturazione, collega il catodo del "suo" display a GND (a meno della Vcesat, ma supponiamola nulla per il momento).
Ciao.
Paolo.
Ciao.
Paolo.
"Houston, Tranquillity Base here. The Eagle has landed." - Neil A.Armstrong
-------------------------------------------------------------
PIC Experience - http://www.picexperience.it
-------------------------------------------------------------
PIC Experience - http://www.picexperience.it
-

Paolino
32,6k 8 12 13 - G.Master EY

- Messaggi: 4226
- Iscritto il: 20 gen 2006, 11:42
- Località: Vigevano (PV)
1
voti
ramboluis ha scritto:credo di aver capito, praticamente se uno dei pin collegate ai catodi viene portato a massa dovrebbe accendersi in ogni uno dei display lo stesso segmento ma questo non succede perche solo gli anodi del dispay in cui si intende accendere il segmento viene collegato ai +5 V
giusto?
Si, giusto. Hai descritto "grezzamente" il multiplexing. Credevo che questo concetto fosse gia' tuo evidentemente mi sbagliavo, avendo collegato 32 pin all'inizio senza ricordarti che mooolti post fa' ho detto "collega tutte le a assieme, tutte le b assieme, un BJT pnp ogni cifra.. ecc.."
Ribadisco il mio modo di vedere il problema, prima fai lo schema come ti ho accennato 4 pagine fa, poi vediamo di scriverci il codice "attorno". Se hai problemi con il multiplexing non oso pensare a cosa succedera' quando dovremmo settare un timer del PIC, ma ogni cosa a suo tempo.
Riesci a tirar fuori uno schema di base? Collegamento classico di un PIC, ovvero quarzo (ad esempio da 4 MHz) condesatori ceramici, resistore su MCLR, resistori di limitazione corrente segmenti (7 resistori, uno per ogni segmento, leggi dal datasheet quanta corrente assorbono i segmenti) e 6 BJT con relative resistenze in base, diciamo per ora
ognuno (visto che vuoi farlo con 6, ore minuti e secondi); in tutto usi 7 + 4 pin del PIC. Con la decodifica 4511 che accennavo usavi un integrato in piu' e 4 + 4 pin del PIC, ma è un problema secondario, puoi lasciar perdere visto che abbiamo tantissime porte a disposizione. Poi andiamo avanti.
Buon lavoro

-

rusty
4.075 2 9 11 - Utente disattivato per decisione dell'amministrazione proprietaria del sito
- Messaggi: 1578
- Iscritto il: 25 gen 2009, 13:10
0
voti
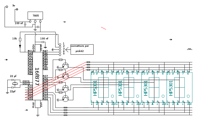
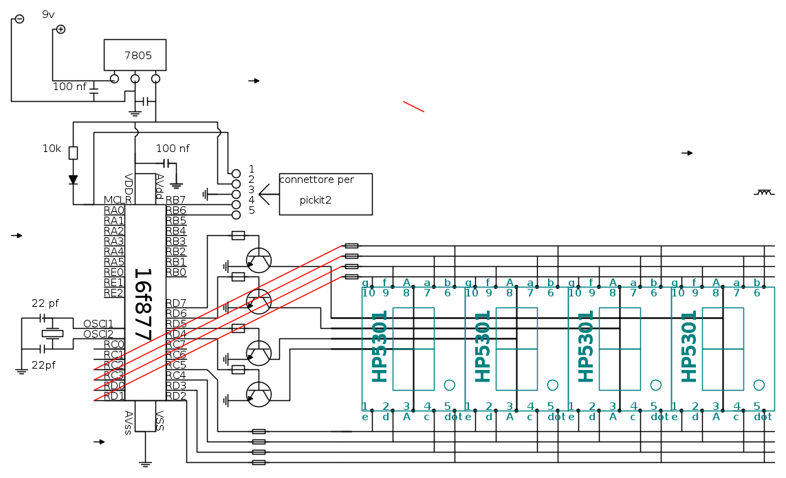
spero di aver corretto tutto e in modo corretto
le righe rosse le ho messe cosi perche non sapevo proprio arrivare ai pin del PIC
poi nello schema finale mi impegnerò a far stare i display tutti sulle PORTC ora ho messo anche un po sulle D per facilitare il disegno
le righe rosse le ho messe cosi perche non sapevo proprio arrivare ai pin del PIC
poi nello schema finale mi impegnerò a far stare i display tutti sulle PORTC ora ho messo anche un po sulle D per facilitare il disegno
0
voti
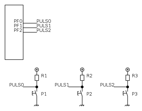
Fai lo schema definitivo con calma, con i in giusti collegati in modo giusto. Puoi anche usare i nomi dei segnali senza doverli per forza collegare con dei tratti, come in questo esempio:
"La follia sta nel fare sempre la stessa cosa aspettandosi risultati diversi".
"Parla soltanto quando sei sicuro che quello che dirai è più bello del silenzio".
Rispondere è cortesia, ma lasciare l'ultima parola ai cretini è arte.
"Parla soltanto quando sei sicuro che quello che dirai è più bello del silenzio".
Rispondere è cortesia, ma lasciare l'ultima parola ai cretini è arte.
-

TardoFreak
73,9k 8 12 13 - -EY Legend-

- Messaggi: 15754
- Iscritto il: 16 dic 2009, 11:10
- Località: Torino - 3° pianeta del Sistema Solare
1
voti
"Houston, Tranquillity Base here. The Eagle has landed." - Neil A.Armstrong
-------------------------------------------------------------
PIC Experience - http://www.picexperience.it
-------------------------------------------------------------
PIC Experience - http://www.picexperience.it
-

Paolino
32,6k 8 12 13 - G.Master EY

- Messaggi: 4226
- Iscritto il: 20 gen 2006, 11:42
- Località: Vigevano (PV)
0
voti
anodo comune
ha ok allora vedro di fare i collegamenti cosi quando non so come arrivare da un pin all' altro

0
voti
No, aspetta, cerca di essere ordinato.
Per esempio collega tutti i segmenti fra di loro con le linee e poi al PIC con il nome del segnale (SEGA,SEGB,SEGC .... ) ma fallo per tutti i segmenti, non solo per alcuni.
Altrimenti il disegno diventa un pastrocchio.
Per esempio collega tutti i segmenti fra di loro con le linee e poi al PIC con il nome del segnale (SEGA,SEGB,SEGC .... ) ma fallo per tutti i segmenti, non solo per alcuni.
Altrimenti il disegno diventa un pastrocchio.
"La follia sta nel fare sempre la stessa cosa aspettandosi risultati diversi".
"Parla soltanto quando sei sicuro che quello che dirai è più bello del silenzio".
Rispondere è cortesia, ma lasciare l'ultima parola ai cretini è arte.
"Parla soltanto quando sei sicuro che quello che dirai è più bello del silenzio".
Rispondere è cortesia, ma lasciare l'ultima parola ai cretini è arte.
-

TardoFreak
73,9k 8 12 13 - -EY Legend-

- Messaggi: 15754
- Iscritto il: 16 dic 2009, 11:10
- Località: Torino - 3° pianeta del Sistema Solare
Torna a Firmware e programmazione
Chi c’è in linea
Visitano il forum: Nessuno e 5 ospiti

Elettrotecnica e non solo (admin)
Un gatto tra gli elettroni (IsidoroKZ)
Esperienza e simulazioni (g.schgor)
Moleskine di un idraulico (RenzoDF)
Il Blog di ElectroYou (webmaster)
Idee microcontrollate (TardoFreak)
PICcoli grandi PICMicro (Paolino)
Il blog elettrico di carloc (carloc)
DirtEYblooog (dirtydeeds)
Di tutto... un po' (jordan20)
AK47 (lillo)
Esperienze elettroniche (marco438)
Telecomunicazioni musicali (clavicordo)
Automazione ed Elettronica (gustavo)
Direttive per la sicurezza (ErnestoCappelletti)
EYnfo dall'Alaska (mir)
Apriamo il quadro! (attilio)
H7-25 (asdf)
Passione Elettrica (massimob)
Elettroni a spasso (guidob)
Bloguerra (guerra)


