Vu meter a 5 o 6 Led
Moderatore:
IsidoroKZ
18 messaggi
• Pagina 2 di 2 • 1, 2
0
voti
Secondo lo schema cui ti riferisci, la tensione deve essere di tre volt superiore a quella nominale dei led.
Ma non ho ben capito se e' questo che volevi sapere.
Ma non ho ben capito se e' questo che volevi sapere.
marco
0
voti
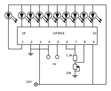
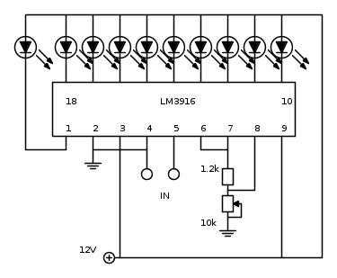
Non riesco a capire cosa intendi; per farla breve e perche' lo ho gia pronto, di seguito hai lo schema completo (ho messo il piu' semplice):
Spero ti sia sufficiente a colmare i tuoi dubbi.
Spero ti sia sufficiente a colmare i tuoi dubbi.
marco
0
voti
MrJack ha scritto:Ho sempre usato gli Lm3915 per queste cose, ma 10 led sono troppi.
Grazie
Se vuoi fare la visualizzazione a barra basta che monti un led si e uno no. Se invece vuoi la visualizzazione a punto bisogna aggiungere qualche diodo.
Per usare proficuamente un simulatore, bisogna sapere molta più elettronica di lui
Plug it in - it works better!
Il 555 sta all'elettronica come Arduino all'informatica! (entrambi loro malgrado)
Se volete risposte rispondete a tutte le mie domande
Plug it in - it works better!
Il 555 sta all'elettronica come Arduino all'informatica! (entrambi loro malgrado)
Se volete risposte rispondete a tutte le mie domande
0
voti
ok perfetto, è prio la risposta alla mia domanda. perché in alcuni schemi suggeriscono la tensione sui led minore rispetto a quella usata per alimentare l'integrato (ad esempio spesso ho usato una tensione di 12 V sui led e una di 15 sull'integrato), ma come mi confermi, funziano anche con stessa tensione.
Grazie
Grazie
0
voti
marco438 ha scritto:Non riesco a capire cosa intendi
Penso che volesse dire che lui usa un +15V e -15V per alimentare il circuito intero , tu hai messo un +12V per alimentare il tuo. Se applicasse +15V anziche i +12V indicati nel tuo schema, cambierebbe qualcosa ? penso volesse intendere questo.
0
voti
MrJack ha scritto:...perché in alcuni schemi suggeriscono la tensione sui led minore rispetto a quella usata per alimentare l'integrato...
Per evitare di far dissipare troppa potenza all' integrato. Ed è buona cosa farlo.
"La follia sta nel fare sempre la stessa cosa aspettandosi risultati diversi".
"Parla soltanto quando sei sicuro che quello che dirai è più bello del silenzio".
Rispondere è cortesia, ma lasciare l'ultima parola ai cretini è arte.
"Parla soltanto quando sei sicuro che quello che dirai è più bello del silenzio".
Rispondere è cortesia, ma lasciare l'ultima parola ai cretini è arte.
-

TardoFreak
73,9k 8 12 13 - -EY Legend-

- Messaggi: 15754
- Iscritto il: 16 dic 2009, 11:10
- Località: Torino - 3° pianeta del Sistema Solare
18 messaggi
• Pagina 2 di 2 • 1, 2
Torna a Elettronica e spettacolo
Chi c’è in linea
Visitano il forum: Nessuno e 8 ospiti

Elettrotecnica e non solo (admin)
Un gatto tra gli elettroni (IsidoroKZ)
Esperienza e simulazioni (g.schgor)
Moleskine di un idraulico (RenzoDF)
Il Blog di ElectroYou (webmaster)
Idee microcontrollate (TardoFreak)
PICcoli grandi PICMicro (Paolino)
Il blog elettrico di carloc (carloc)
DirtEYblooog (dirtydeeds)
Di tutto... un po' (jordan20)
AK47 (lillo)
Esperienze elettroniche (marco438)
Telecomunicazioni musicali (clavicordo)
Automazione ed Elettronica (gustavo)
Direttive per la sicurezza (ErnestoCappelletti)
EYnfo dall'Alaska (mir)
Apriamo il quadro! (attilio)
H7-25 (asdf)
Passione Elettrica (massimob)
Elettroni a spasso (guidob)
Bloguerra (guerra)




