Cos'è ElectroYou | Login Iscriviti

ElectroYou - la comunità dei professionisti del mondo elettrico

Corto circuito - come cambiano le LKT

Circuiti, campi elettromagnetici e teoria delle linee di trasmissione e distribuzione dell’energia elettrica

Moderatori: Foto Utenteg.schgor, Foto UtenteIsidoroKZ

0
voti

[1] Corto circuito - come cambiano le LKT

Messaggioda Foto Utentetigerjack89 » 6 set 2012, 13:14

Ciao a tutti!!
Mi sto applicando per risolvere circuti dinamici, vedendo anche qualcosa da esercizi svolti che ho trovato in giro per la rete.
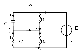
In questo circuito, all'istante t = 0, l'interruttore si chiude; fino a t < 0 il circuito è in regime stazionario.



Vogliamo quindi calcolare la V_{2}\left ( t \right ) sapendo che:
R_{1} = 4\Omega
R_{2} = R_{3} = 6\Omega
C = 1 mF
E = 14 V

Se consideriamo il circuito dall'istante 0^{+} in poi, avremo che il lato dell'interruttore sarà un corto circuito. Senza entrare subito nel dettaglio della risoluzione del problema, l'esercizio svolto mi dice che avremo che
i_{2} = i_{c}
Qualcuno sa spiegarmi il perché? Se consideriamo le leggi di Kirchhoff, non dovrebbe essere i_{2} = i_{c} + i_{3}?
Praticamente, non sarebbe come avere che il nodo 3 "si unisce" al nodo 2, in modo ad esempio che R_{2} ed R_{3} siano in serie, così come R_{1} e C?

Grazie mille a tutti in anticipo :)
Avatar utente
Foto Utentetigerjack89
23 4
New entry
New entry
 
Messaggi: 59
Iscritto il: 31 ago 2012, 16:09

2
voti

[2] Re: Corto circuito - come cambiano le LKT

Messaggioda Foto UtenteLele_u_biddrazzu » 6 set 2012, 15:18

Innanzitutto dovresti specificare i versi e le polarità convenzionali, rispettivamente, delle correnti e delle tensioni presenti nel circuito. Quando scrivi la KCL devi considerare tutte le correnti dei rami afferenti al nodo in esame! Detto ciò, dovresti postare il tuo procedimento risolutivo. In caso di errori, certamente qualcuno interverrà per chiarirti le idee. Buon lavoro!
Emanuele Lorina

- Chi lotta contro i mostri deve fare attenzione a non diventare lui stesso un mostro. E se tu riguarderai a lungo in un abisso, anche l'abisso vorrà guardare dentro di te (F. Nietzsche)
- Tavole della legge by admin
Avatar utente
Foto UtenteLele_u_biddrazzu
8.154 3 8 13
Master EY
Master EY
 
Messaggi: 1288
Iscritto il: 23 gen 2007, 16:13
Località: Modena

0
voti

[3] Re: Corto circuito - come cambiano le LKT

Messaggioda Foto Utentetigerjack89 » 6 set 2012, 15:41

Lele_u_biddrazzu ha scritto:Innanzitutto dovresti specificare i versi e le polarità convenzionali, rispettivamente, delle correnti e delle tensioni presenti nel circuito.

Hai ragione, li avevo omessi per semplicità.
Comunque nel nodo 3 la corrente entra dal lato R_{1} ed esce da R_{3}, nel senso che i_{1} = i_{3}; nel nodo 2 entra da C ed esce da R_{2} e dall'interruttore; ma considerando che l'interruttore chiuso si comporta come corto circuito, dovrebbe essere i_{c} = i_{2} + i_{3}
E' sbagliato il mio ragionamento? Altrimenti non cambia assolutamente nulla se l'interruttore sia chiuso o aperto.

Per quanto riguarda il procedimento risolutivo, sono arrivato alla conclusione che sia errata la traccia; l'interruttore è chiuso fino all'istante 0^{-}, mentre si apre all'istante 0
In questo modo, infatti, mi trovo sia con i calcoli che con le intensità calcolate prima.
Avatar utente
Foto Utentetigerjack89
23 4
New entry
New entry
 
Messaggi: 59
Iscritto il: 31 ago 2012, 16:09

1
voti

[4] Re: Corto circuito - come cambiano le LKT

Messaggioda Foto UtenteLele_u_biddrazzu » 6 set 2012, 15:46

Ti costa tanto postare uno schema circuitale completo :?: I versi convenzionali delle grandezze elettriche devono essere specificati, altrimenti non avrebbero senso le equazioni che andresti a scrivere... :? Aspettiamo uno schema completo e poi ne riparliamo ;-)
Emanuele Lorina

- Chi lotta contro i mostri deve fare attenzione a non diventare lui stesso un mostro. E se tu riguarderai a lungo in un abisso, anche l'abisso vorrà guardare dentro di te (F. Nietzsche)
- Tavole della legge by admin
Avatar utente
Foto UtenteLele_u_biddrazzu
8.154 3 8 13
Master EY
Master EY
 
Messaggi: 1288
Iscritto il: 23 gen 2007, 16:13
Località: Modena

0
voti

[5] Re: Corto circuito - come cambiano le LKT

Messaggioda Foto Utentetigerjack89 » 6 set 2012, 16:04

Ecco il circuito (così come l'ho pensato io) per t > 0


e per t<0

Ultima modifica di Foto Utenteadmin il 6 set 2012, 16:36, modificato 1 volta in totale.
Motivazione: Corretto lo schema FidocadJ
Avatar utente
Foto Utentetigerjack89
23 4
New entry
New entry
 
Messaggi: 59
Iscritto il: 31 ago 2012, 16:09

1
voti

[6] Re: Corto circuito - come cambiano le LKT

Messaggioda Foto UtenteLele_u_biddrazzu » 6 set 2012, 16:10

Allora... per t<0, il condensatore si carica fino ad assumere una d.d.p. pari ad E; per t>0, le resistenze R2 e R3 sono in parallelo... per il resto non devi fare altro che risolvere un classico circuito RC ;-) Facci sapere come procede ;-)

p.s. togli quel R2 lasciato isolato nel secondo schema... :?
Emanuele Lorina

- Chi lotta contro i mostri deve fare attenzione a non diventare lui stesso un mostro. E se tu riguarderai a lungo in un abisso, anche l'abisso vorrà guardare dentro di te (F. Nietzsche)
- Tavole della legge by admin
Avatar utente
Foto UtenteLele_u_biddrazzu
8.154 3 8 13
Master EY
Master EY
 
Messaggi: 1288
Iscritto il: 23 gen 2007, 16:13
Località: Modena

0
voti

[7] Re: Corto circuito - come cambiano le LKT

Messaggioda Foto Utentetigerjack89 » 6 set 2012, 16:28

Lele_u_biddrazzu ha scritto:p.s. togli quel R2 lasciato isolato nel secondo schema... :?

Magari ci riuscissi, non compare nemmeno nel disegno di fidocad.


Allora... per t<0, il condensatore si carica fino ad assumere una d.d.p. pari ad E; per t>0, le resistenze R2 e R3 sono in parallelo... per il resto non devi fare altro che risolvere un classico circuito RC ;-) Facci sapere come procede ;-)

La prima non l'ho capita tanto. Nel senso, se il circuito a t<0 è già a regime, vuol dire che non c'è variazione di ddp nel condensatore, per cui è come se il condensatore stesso si comportasse come un circuito aperto.

Per quanto riguarda il procedimento di risoluzione, la risoluzione procede in questo modo.

Nella maglia CR_{2}E avremo v_{c} + v_{2} = E,
da cui v_{c}+ R_{2}i_{2} = E, da cui
v_{c}+ R_{2}i_{c} = E

E' proprio l'ultimo passaggio che non mi torna, perché secondo lui i2 = ic??

Per continuare poi basta sostituire i_{c} = C\frac{\mathrm{dv_{c}} }{\mathrm{d} t} e otteniamo la nostra bella equazione differenziale :)
Avatar utente
Foto Utentetigerjack89
23 4
New entry
New entry
 
Messaggi: 59
Iscritto il: 31 ago 2012, 16:09

1
voti

[8] Re: Corto circuito - come cambiano le LKT

Messaggioda Foto UtenteLele_u_biddrazzu » 6 set 2012, 16:37

tigerjack89 ha scritto:...se il circuito a t<0 è già a regime, vuol dire che non c'è variazione di ddp nel condensatore, per cui è come se il condensatore stesso si comportasse come un circuito aperto...

Il fatto che il condensatore sia assimilabile ad un circuito aperto non significa che non sia possibile valutarne la d.d.p. ai suoi capi.... non credi :?:

tigerjack89 ha scritto:...perché secondo lui i2 = ic??...

Una cosa è sicura... quella KCL è errata :?

Ti consiglio di affrontare questo problema autonomamente... ti ricordo che si tratta di un circuito RC ;-)
Emanuele Lorina

- Chi lotta contro i mostri deve fare attenzione a non diventare lui stesso un mostro. E se tu riguarderai a lungo in un abisso, anche l'abisso vorrà guardare dentro di te (F. Nietzsche)
- Tavole della legge by admin
Avatar utente
Foto UtenteLele_u_biddrazzu
8.154 3 8 13
Master EY
Master EY
 
Messaggi: 1288
Iscritto il: 23 gen 2007, 16:13
Località: Modena

0
voti

[9] Re: Corto circuito - come cambiano le LKT

Messaggioda Foto Utentetigerjack89 » 6 set 2012, 16:44

Lele_u_biddrazzu ha scritto:Il fatto che il condensatore sia assimilabile ad un circuito aperto non significa che non sia possibile valutarne la d.d.p. ai suoi capi.... non credi :?:

ovviamente si, però la ddp non è uguale ad E; nel senso, sarà uguale ad E - tensione di R2, o anche è uguale alla tensione di R1.

Lele_u_biddrazzu ha scritto:Una cosa è sicura... quella KCL è errata :?

Ti consiglio di affrontare questo problema autonomamente... ti ricordo che si tratta di un circuito RC ;-)

Proprio come pensavo. quella KCL è valida solo se si considera l'opposto, ovvero l'interruttore aperto, non chiuso come dice lui. Quindi, praticamente, a t = 0 l'interruttore si apre, prima è chiuso.
Ti trovi con quello che dico?
Avatar utente
Foto Utentetigerjack89
23 4
New entry
New entry
 
Messaggi: 59
Iscritto il: 31 ago 2012, 16:09

1
voti

[10] Re: Corto circuito - come cambiano le LKT

Messaggioda Foto UtenteLele_u_biddrazzu » 6 set 2012, 16:47

tigerjack89 ha scritto:ovviamente si, però la ddp non è uguale ad E; nel senso, sarà uguale ad E - tensione di R2...

Domanda da un milione di dollari... quanto vale la d.d.p. ai capi di R2 :?:

tigerjack89 ha scritto:...Ti trovi con quello che dico?

Potrei anche trovarmi con quello che dici... il punto è che bisogna stabilire una volta per tutte il comportamento di questo interruttore :mrgreen:
Emanuele Lorina

- Chi lotta contro i mostri deve fare attenzione a non diventare lui stesso un mostro. E se tu riguarderai a lungo in un abisso, anche l'abisso vorrà guardare dentro di te (F. Nietzsche)
- Tavole della legge by admin
Avatar utente
Foto UtenteLele_u_biddrazzu
8.154 3 8 13
Master EY
Master EY
 
Messaggi: 1288
Iscritto il: 23 gen 2007, 16:13
Località: Modena

Prossimo

Torna a Elettrotecnica generale

Chi c’è in linea

Visitano il forum: Nessuno e 15 ospiti