Costume con strisce a led
Moderatore:
IsidoroKZ
19 messaggi
• Pagina 2 di 2 • 1, 2
0
voti
ciao gohan , grazie della risposta. Quello che intendo e' : date tre bobine da 5m posso attaccare al controller 5 segmenti da 3m in parallelo? ciao e grazie
0
voti
Mi scuso in anticipo per lo schema
Detto questo , spero che possiate aiutarmi a trovare il fusibile giusto per il circuito .
Graaazie

Detto questo , spero che possiate aiutarmi a trovare il fusibile giusto per il circuito .
Graaazie

0
voti
Gli schemi devono essere disegnati e postati usando FidocadJ; mi spiace che tu abbia fatto la fatica di disegnarlo ma l'immagine e' talmente grande da non essere in parte visibile, quindi la cancello.
Fai un ulteriore sforzo, scarica FidocadJ e ridisegnalo; il software si impara ad usare in dieci minuti.
Fai un ulteriore sforzo, scarica FidocadJ e ridisegnalo; il software si impara ad usare in dieci minuti.
marco
0
voti
tzuci ha scritto:spero che possiate aiutarmi a trovare il fusibile giusto per il circuito .
non ho letto i precedenti topic e causa connessione... non ho tempo sufficiente per farlo....pertanto concordo con
2
voti
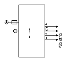
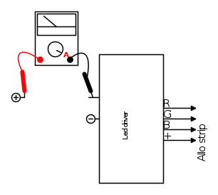
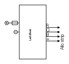
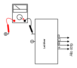
Questo è lo schema del circuito.. il valore del fusibile deve essere leggermente superiore all'assorbimento del driver..
ti consiglio di misurare con un tester questo valore quando tutti e tre i canali rgb sono attivi (in pratica, quando lo strip fa luce bianca).
la misurazione deve essere fatta tra la batteria e la Vin del driver.. (in pratica dove deve andare il fusibile)
inserisci un fusibile e relativo portafusibile in serie al positivo, come già anticipato:)
puoi usare tutte le lunghezze che vuoi, rispettando ovviamente le sezioni dello strip..(ogni tot led c'è un punto in cui puoi tagliarli).
nello stesso punto di taglio puoi saldare un altro pezzo di strip per allungarlo e fare il procedimento inverso.. l'importante è che i collegamenti siano in parallelo!
Se ti serve per spettacoli di palco ti consiglio di usare i led in formato 5050.. sono leggermente più spessi, ma la luce e i colori sono più intensi, pur mantenendo lo stesso assorbimento ;)
Se ti serve aiuto o altri chiarimenti sono qui

-

futuredj95
11 1 5 - New entry

- Messaggi: 96
- Iscritto il: 29 dic 2010, 22:04
0
voti
futuredj95 ha scritto: il valore del fusibile deve essere leggermente superiore all'assorbimento del driver..
io credo sia meglio inserire un fusibile di valore pari a quello del valore di intensità di corrente nominale del dispositivo e di tipo rapido.
futuredj95 ha scritto:i consiglio di misurare con un tester ..
19 messaggi
• Pagina 2 di 2 • 1, 2
Torna a Elettronica e spettacolo
Chi c’è in linea
Visitano il forum: Nessuno e 11 ospiti

Elettrotecnica e non solo (admin)
Un gatto tra gli elettroni (IsidoroKZ)
Esperienza e simulazioni (g.schgor)
Moleskine di un idraulico (RenzoDF)
Il Blog di ElectroYou (webmaster)
Idee microcontrollate (TardoFreak)
PICcoli grandi PICMicro (Paolino)
Il blog elettrico di carloc (carloc)
DirtEYblooog (dirtydeeds)
Di tutto... un po' (jordan20)
AK47 (lillo)
Esperienze elettroniche (marco438)
Telecomunicazioni musicali (clavicordo)
Automazione ed Elettronica (gustavo)
Direttive per la sicurezza (ErnestoCappelletti)
EYnfo dall'Alaska (mir)
Apriamo il quadro! (attilio)
H7-25 (asdf)
Passione Elettrica (massimob)
Elettroni a spasso (guidob)
Bloguerra (guerra)




