Cos'è ElectroYou | Login Iscriviti

ElectroYou - la comunità dei professionisti del mondo elettrico

Versi della corrente

Circuiti, campi elettromagnetici e teoria delle linee di trasmissione e distribuzione dell’energia elettrica

Moderatori: Foto Utenteg.schgor, Foto UtenteIsidoroKZ

0
voti

[1] Versi della corrente

Messaggioda Foto Utentetigerjack89 » 6 set 2012, 20:06

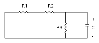
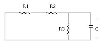
Abbiamo il seguente circuito di partenza, non orientato

Siccome R1 ed R2 sono in serie, e il resistore equivalente è a sua volta in parallelo con R3, il circuito risultante (visto dal condensatore ??? ) sarà questo



Come si può vedere, ora il circuito è orientato e si avrà che la corrente nei due bipoli sarà quindi la stessa, ma con verso opposto. Come si arriva a orientare la corrente in questo modo? E soprattutto, perché proprio in quel verso? A quanto pare in questo caso il segno è importante, ma non riesco a capire perché scegliere un verso piuttosto che un altro.
Una mezza idea ce l'ho, però non so quanto sia esatta.
Praticamente, visto che il verso della tensione è fissato nel primo circuito, in questo circuito il verso sarà identico; inoltre, poiché i due bipoli sono in serie, hanno la stessa tensione (quindi stesso verso). Ne deriva che, assumendo la convenzione dell'utilizzatore, la corrente deve andare per forza dal segno + al segno - per entrambi. Quante str***ate ho detto?? :-)
Ultima modifica di Foto Utentetigerjack89 il 6 set 2012, 20:32, modificato 1 volta in totale.
Avatar utente
Foto Utentetigerjack89
23 4
New entry
New entry
 
Messaggi: 59
Iscritto il: 31 ago 2012, 16:09

1
voti

[2] Re: Versi della corrente

Messaggioda Foto UtenteLele_u_biddrazzu » 6 set 2012, 20:25

tigerjack89 ha scritto:...Siccome R2 ed R3 sono in serie...

Quei resistori non sono in serie... ;-)
Emanuele Lorina

- Chi lotta contro i mostri deve fare attenzione a non diventare lui stesso un mostro. E se tu riguarderai a lungo in un abisso, anche l'abisso vorrà guardare dentro di te (F. Nietzsche)
- Tavole della legge by admin
Avatar utente
Foto UtenteLele_u_biddrazzu
8.154 3 8 13
Master EY
Master EY
 
Messaggi: 1288
Iscritto il: 23 gen 2007, 16:13
Località: Modena

0
voti

[3] Re: Versi della corrente

Messaggioda Foto Utentetigerjack89 » 6 set 2012, 20:33

hai ragione, editato :)
Ultima modifica di Foto Utenteasdf il 7 set 2012, 8:13, modificato 1 volta in totale.
Motivazione: Eliminata citazione integrale della risposta precedente.
Avatar utente
Foto Utentetigerjack89
23 4
New entry
New entry
 
Messaggi: 59
Iscritto il: 31 ago 2012, 16:09

1
voti

[4] Re: Versi della corrente

Messaggioda Foto UtenteLele_u_biddrazzu » 6 set 2012, 23:00

tigerjack89 ha scritto:...ma non riesco a capire perché scegliere un verso piuttosto che un altro...

I versi convenzionali delle correnti li puoi scegliere arbitrariamente ;-)
Emanuele Lorina

- Chi lotta contro i mostri deve fare attenzione a non diventare lui stesso un mostro. E se tu riguarderai a lungo in un abisso, anche l'abisso vorrà guardare dentro di te (F. Nietzsche)
- Tavole della legge by admin
Avatar utente
Foto UtenteLele_u_biddrazzu
8.154 3 8 13
Master EY
Master EY
 
Messaggi: 1288
Iscritto il: 23 gen 2007, 16:13
Località: Modena

0
voti

[5] Re: Versi della corrente

Messaggioda Foto Utentetigerjack89 » 7 set 2012, 19:16

verissimo, però questo mi porta a risultati sballati.

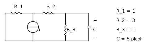
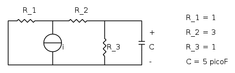
Praticamente io parto da questa configurazione

in cui i(t) = 0 per t>0 , ovvero il generatore di corrente è spento; per cui, al suo posto consideriamo un circuito aperto. Di conseguenza, il circuito sarà proprio quello mostrato nel primo circuito del primo post.
Inoltre, dobbiamo calcolare la Vc per t>0.

Quindi, applicando le equivalenze serie-parallelo, otteniamo il secondo circuito del primo post.
Consideriamo ora il caso in cui i_{c} i_{R_{equivalente}}, ovvero la corrente in uno dei due rami circola nel senso opposto a quello scelto arbitrariamente in figura.
Da questo circuito avremo che V_{c} = V_{R_{equivalente}} da cui
V_{c} = i_{c} \cdot R_{equivalente}
Utilizzando l'equazione caratteristica del condensatore avrò
V_{c} = C\frac{\mathrm{d} V_{c}}{\mathrm{d} t} \cdot R_{equivalente} o anche
V_{c} - R_{eq}C\frac{\mathrm{d} V_{c}}{\mathrm{d} t} = 0

La soluzione di questa equazione omogenea sarà quindi
V_{c} = A \cdot  e^{\frac{+t}{RC}}

Tuttavia, è proprio quel + all'esponenziale ad essere sbagliato IMO, in quanto l'esponenziale dovrebbe essere e^{\frac{-t}{RC}}; quindi, RC dovrebbe avere segno opposto a quello che ha--> quindi l'intensità di corrente nel resistore equivalente deve essere opposta a quella passante per il condensatore.
Ne deduco che il verso dell'intensità di corrente scelto nel secondo circuito del primo post è significativa.

Quello che mi chiedo è: perché??

Spero di essere stato abbastanza chiaro per tutti :)
Ultima modifica di Foto Utenteasdf il 7 set 2012, 19:46, modificato 3 volte in totale.
Motivazione: Corretto schema fidocadj ;) (by lele) - Eliminata citazione integrale del messaggio precedente.
Avatar utente
Foto Utentetigerjack89
23 4
New entry
New entry
 
Messaggi: 59
Iscritto il: 31 ago 2012, 16:09

1
voti

[6] Re: Versi della corrente

Messaggioda Foto UtenteLele_u_biddrazzu » 7 set 2012, 19:22

tigerjack89 ha scritto:...Da questo circuito avremo che V_{c} = V_{R_{equivalente}} da cui
V_{c} = i_{c} \cdot R_{equivalente}...

Avresti dovuto scrivere v_{C}\left(t\right)=-R_{\text{eq}}\,i_{C}\left(t\right) ... ;-)
Emanuele Lorina

- Chi lotta contro i mostri deve fare attenzione a non diventare lui stesso un mostro. E se tu riguarderai a lungo in un abisso, anche l'abisso vorrà guardare dentro di te (F. Nietzsche)
- Tavole della legge by admin
Avatar utente
Foto UtenteLele_u_biddrazzu
8.154 3 8 13
Master EY
Master EY
 
Messaggi: 1288
Iscritto il: 23 gen 2007, 16:13
Località: Modena

0
voti

[7] Re: Versi della corrente

Messaggioda Foto Utentetigerjack89 » 7 set 2012, 19:32

yez, proprio quello che intendevo io. Però questo vuol dire che la corrente che circola nel resistore è - i_{c}, ovvero che le correnti sono proprio quelle disegnate nel secondo circuito del primo post e non possono essere altrimenti. Se invece pongo che le correnti nei due rami sono identiche anche per il segno, il risultato è sballato. Come mai? I versi non possono essere scelti arbitrariamente?
Ultima modifica di Foto Utenteasdf il 7 set 2012, 19:45, modificato 1 volta in totale.
Motivazione: Eliminata citazione integrale della risposta precedente.
Avatar utente
Foto Utentetigerjack89
23 4
New entry
New entry
 
Messaggi: 59
Iscritto il: 31 ago 2012, 16:09

1
voti

[8] Re: Versi della corrente

Messaggioda Foto UtenteLele_u_biddrazzu » 7 set 2012, 19:35

tigerjack89 ha scritto:...Come mai? I versi non possono essere scelti arbitrariamente?

Come già detto, i versi convenzionali possono essere scelti arbitrariamente :-) L'importante è saper applicare correttamente le KVL e KCL ;-)
Emanuele Lorina

- Chi lotta contro i mostri deve fare attenzione a non diventare lui stesso un mostro. E se tu riguarderai a lungo in un abisso, anche l'abisso vorrà guardare dentro di te (F. Nietzsche)
- Tavole della legge by admin
Avatar utente
Foto UtenteLele_u_biddrazzu
8.154 3 8 13
Master EY
Master EY
 
Messaggi: 1288
Iscritto il: 23 gen 2007, 16:13
Località: Modena

0
voti

[9] Re: Versi della corrente

Messaggioda Foto Utentetigerjack89 » 7 set 2012, 19:38

Non ti seguo più. I due bipoli sono in parallelo, quindi le tensioni dovrebbero essere identiche, giusto? ... o forse no...
Ultima modifica di Foto Utenteasdf il 7 set 2012, 19:45, modificato 1 volta in totale.
Motivazione: Eliminata citazione integrale della risposta precedente.
Avatar utente
Foto Utentetigerjack89
23 4
New entry
New entry
 
Messaggi: 59
Iscritto il: 31 ago 2012, 16:09

1
voti

[10] Re: Versi della corrente

Messaggioda Foto UtenteLele_u_biddrazzu » 7 set 2012, 19:42

Come dico sempre, in uno schema vanno indicati i versi e le polarità convenzionali, rispettivamente, delle correnti e delle tensioni. Solo dopo è possibile procedere con la risoluzione del circuito. Ti consiglio di postare lo schema del circuito finale indicando chiaramente le convenzioni che adotti, dopodiché sei invitato a scrivere la LKT alla maglia ;-)
Emanuele Lorina

- Chi lotta contro i mostri deve fare attenzione a non diventare lui stesso un mostro. E se tu riguarderai a lungo in un abisso, anche l'abisso vorrà guardare dentro di te (F. Nietzsche)
- Tavole della legge by admin
Avatar utente
Foto UtenteLele_u_biddrazzu
8.154 3 8 13
Master EY
Master EY
 
Messaggi: 1288
Iscritto il: 23 gen 2007, 16:13
Località: Modena

Prossimo

Torna a Elettrotecnica generale

Chi c’è in linea

Visitano il forum: Nessuno e 61 ospiti