da
tigerjack89 » 8 set 2012, 12:52
Continuando col problema del post #5, ho avuto altre difficoltà nel calcolare il valore della tensione del condensatore per t<0.
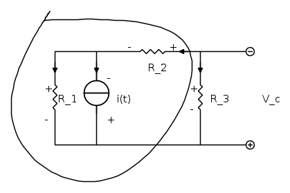
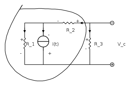
A t<0 il circuito è a regime e

Il condensatore a regime si comporta come un circuito aperto, per cui il circuito sarà questo
Per calcolare

procedo in questo modo.

quindi dobbiamo calcolare V_3
Essendo R_3 in serie con R_2 (è giusto considerarli in serie visto il circuito aperto??? ), usando il partitore di tensione avremo che

dove V_in è la tensione ai capi di R_2 - R_3.
V_in a sua volta sarà uguale alla tensione generata dal generatore di corrente e dal resistore R_1, connessi tra loro in parallelo.
Per cui

Sostituendo nell'equazione principale avremo

da cui

Andando a sostituire avremo

Ovviamente non mi trovo con la traccia svolta, ma non riesco a capire dove sbaglio nel mio ragionamento
Grazie in anticipo a tutti :)