Cos'è ElectroYou | Login Iscriviti

ElectroYou - la comunità dei professionisti del mondo elettrico

Strano circuito ritrovato in cantina

Elettronica lineare e digitale: didattica ed applicazioni

Moderatori: Foto Utentecarloc, Foto Utenteg.schgor, Foto UtenteBrunoValente, Foto UtenteIsidoroKZ

3
voti

[21] Re: Strano circuito ritrovato in cantina

Messaggioda Foto UtenteMave » 9 set 2012, 18:24

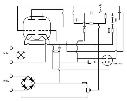
finalmente credo di averlo finito. ho contato i componenti e sono quelli.

non ho inserito ancora il valore dei componenti, adesso provvedo. e chiedo scusa perche è maledettamente disordinato.. è venuto fuori cosi :D


NOTA: i due interruttori sono collegati meccanicamente.
P.S. i "condensatori in olio" vanno considerati elettrolitici? :roll:
Ultima modifica di Foto Utentemir il 9 set 2012, 18:32, modificato 1 volta in totale.
Motivazione: inserito collegamento meccanico sugli interruttori
Avatar utente
Foto UtenteMave
100 1 6
Frequentatore
Frequentatore
 
Messaggi: 194
Iscritto il: 27 gen 2012, 21:41
Località: Terlano

1
voti

[22] Re: Strano circuito ritrovato in cantina

Messaggioda Foto Utentemir » 9 set 2012, 18:33

Mave ha scritto: i due interruttori sono collegati meccanicamente.

si realizza la connessione meccanica con una linea tratteggiata fra i due elementi come da modifica apportata. ;-)
Mave ha scritto:i "condensatori in olio" vanno considerati elettrolitici?

Yes
Avatar utente
Foto Utentemir
66,0k 9 12 13
G.Master EY
G.Master EY
 
Messaggi: 21869
Iscritto il: 19 ago 2004, 21:10

0
voti

[23] Re: Strano circuito ritrovato in cantina

Messaggioda Foto UtenteMave » 9 set 2012, 18:38

grazie per la modifica sapevo fosse cosi ma con fidocad non sapevo disegnarlo.

e come capisco in quale verso devo metterli? dove è segnata la polarità?
Avatar utente
Foto UtenteMave
100 1 6
Frequentatore
Frequentatore
 
Messaggi: 194
Iscritto il: 27 gen 2012, 21:41
Località: Terlano

0
voti

[24] Re: Strano circuito ritrovato in cantina

Messaggioda Foto Utentemir » 9 set 2012, 18:44

Mave ha scritto:e come capisco in quale verso devo metterli? dove è segnata la polarità?

se non hai riferimento sul condensatore, qualora dovrai smontarli ovvero scollegarli per non sbagliare segnati esattamente dove era collegato il terminale del condensatore ed il relativo punto del circuito.
Avatar utente
Foto Utentemir
66,0k 9 12 13
G.Master EY
G.Master EY
 
Messaggi: 21869
Iscritto il: 19 ago 2004, 21:10

0
voti

[25] Re: Strano circuito ritrovato in cantina

Messaggioda Foto UtenteMave » 9 set 2012, 18:48

scusa, non ho capito, una volta smontato come capisco la polarità? O_/
Avatar utente
Foto UtenteMave
100 1 6
Frequentatore
Frequentatore
 
Messaggi: 194
Iscritto il: 27 gen 2012, 21:41
Località: Terlano

0
voti

[26] Re: Strano circuito ritrovato in cantina

Messaggioda Foto Utentemarco438 » 9 set 2012, 18:52

I condensatori a carta in olio non sono polarizzati.
marco
Avatar utente
Foto Utentemarco438
37,1k 7 11 13
-EY Legend-
-EY Legend-
 
Messaggi: 16323
Iscritto il: 24 mar 2010, 15:09
Località: Versilia

0
voti

[27] Re: Strano circuito ritrovato in cantina

Messaggioda Foto UtenteMave » 9 set 2012, 18:56

ma allora non possono essere considerati elettrolitici giusto?
Avatar utente
Foto UtenteMave
100 1 6
Frequentatore
Frequentatore
 
Messaggi: 194
Iscritto il: 27 gen 2012, 21:41
Località: Terlano

0
voti

[28] Re: Strano circuito ritrovato in cantina

Messaggioda Foto Utentemir » 9 set 2012, 19:03

Mave ha scritto:giusto?

gli elettrolitici possono essere del tipo polarizzato e del tipo non polarizzato, la mia indicazione si riferiva a segnare i collegamenti dei terminali di ogni condensatore (o componente) smontato per evitare brutte sorprese qualora nel rimontarlo per qualche imprevisto motivo (ad esempio polarità non indicata ma presente ...) lo si possa collegare al contrario di come era in origine. ;-)
Avatar utente
Foto Utentemir
66,0k 9 12 13
G.Master EY
G.Master EY
 
Messaggi: 21869
Iscritto il: 19 ago 2004, 21:10

0
voti

[29] Re: Strano circuito ritrovato in cantina

Messaggioda Foto Utentemarco438 » 9 set 2012, 19:03

A naso direi di no, visto che in passato quando c'era necessita' di sostituzioni e non si trovavano, venivano sostituiti con condensatori plastici.
marco
Avatar utente
Foto Utentemarco438
37,1k 7 11 13
-EY Legend-
-EY Legend-
 
Messaggi: 16323
Iscritto il: 24 mar 2010, 15:09
Località: Versilia

0
voti

[30] Re: Strano circuito ritrovato in cantina

Messaggioda Foto UtenteMave » 9 set 2012, 19:06

marco438 ha scritto:A naso direi di no, visto che in passato quando c'era necessita' di sostituzioni e non si trovavano, venivano sostituiti con condensatori plastici.

capisco! allora adesso cerco di mettere in ordine quello schema e lo riposto.
Avatar utente
Foto UtenteMave
100 1 6
Frequentatore
Frequentatore
 
Messaggi: 194
Iscritto il: 27 gen 2012, 21:41
Località: Terlano

PrecedenteProssimo

Torna a Elettronica generale

Chi c’è in linea

Visitano il forum: Nessuno e 48 ospiti