Cos'è ElectroYou | Login Iscriviti

ElectroYou - la comunità dei professionisti del mondo elettrico

Un altro esercizio in regime sinusoidale

Circuiti, campi elettromagnetici e teoria delle linee di trasmissione e distribuzione dell’energia elettrica

Moderatori: Foto Utenteg.schgor, Foto UtenteIsidoroKZ

0
voti

[1] Un altro esercizio in regime sinusoidale

Messaggioda Foto UtenteAtilivs » 10 set 2012, 16:18

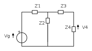
Salve a tutti di nuovo. Sono alle prese con un altro esercizio in regime sinusoidale che mi sta dando parecchi grattacapi. Il circuito da studiare è questo:

Del circuito, conosco le potenze attive e reattive P1=50W, P2=80W, P3=20W, Q2=-40Var , Q3=20Var, Q4=20Var , riferite a R1, la serie R2X2, il parallelo R3X3 e X4.
In più conosco la tensione V4(t), pari a 20cos(1000t).
Del circuito voglio conoscere le resistenze, le reattanze e la tensione Vg.

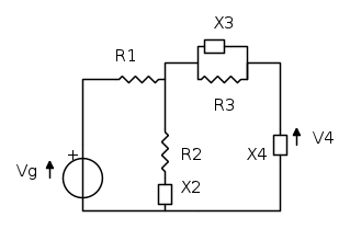
Per risolvere il circuito avevo iniziato pensando di applicare il teorema di boucherot sulla conservazione delle potenze complesse. Per cui dopo aver ridisegnato il circuito in questo modo:

Avevo pensato di ricavarmi innanzitutto le potenze complesse:
N1=50
N2=80-40j
N3=20+20j
N4=20j
Successivamente applicando il teorema di Boucherot, sempre se l'ho capito bene, dovrei avere che:
Pg=N1+N2+N3+N4=170-20j
A questo punto però non so più come ragionare. Pensavo di applicare le leggi di kirkhoff in qualche modo, utilizzando la formula N={1 \over 2}VI^* per ricavarmi V o I, ma non so proprio se l'esercizio vada o meno affrontato in questo modo e i tentativi che faccio mi portano a risultati completamente sbagliati. Riuscireste a darmi una mano?
Ultima modifica di Foto UtenteAtilivs il 10 set 2012, 16:48, modificato 1 volta in totale.
Avatar utente
Foto UtenteAtilivs
0 2
 
Messaggi: 15
Iscritto il: 29 ago 2012, 17:43

1
voti

[2] Re: Un altro esercizio in regime sinusoidale

Messaggioda Foto Utentelillo » 10 set 2012, 16:34

se conosci la tensione V4(t), puoi ricavare la corrente nell'impedenza Z4, che sarà la stessa corrente a circolare nell'impedenza Z3.
questo ti permette di calcolare la tensione su Z2 e la relativa corrente.
poi dovrebbe essere semplice continuare...
Avatar utente
Foto Utentelillo
20,5k 7 12 13
G.Master EY
G.Master EY
 
Messaggi: 4172
Iscritto il: 25 nov 2010, 11:30
Località: Nuovo Mondo

0
voti

[3] Re: Un altro esercizio in regime sinusoidale

Messaggioda Foto Utentematteo375 » 10 set 2012, 16:39

Senza rivelarti la soluzione (sarebbe troppo semplice), ti consiglio di partire dalla tensione V4 : conosci quella, conosci la rispettiva potenza, allora puoi ricavare la corrente. Che è la stessa corrente di Z3, quindi.......e così via, procedendo verso la Vg
Avatar utente
Foto Utentematteo375
340 3 6
Expert
Expert
 
Messaggi: 150
Iscritto il: 12 giu 2012, 19:21

0
voti

[4] Re: Un altro esercizio in regime sinusoidale

Messaggioda Foto UtenteAtilivs » 10 set 2012, 16:47

Grazie a tutti per il suggerimento! Adesso vedo se così riesco, vi tengo informati. :)
Ultima modifica di Foto UtenteRenzoDF il 10 set 2012, 17:32, modificato 2 volte in totale.
Avatar utente
Foto UtenteAtilivs
0 2
 
Messaggi: 15
Iscritto il: 29 ago 2012, 17:43

1
voti

[5] Re: Un altro esercizio in regime sinusoidale

Messaggioda Foto UtentematteoDL » 11 set 2012, 14:40

Ciao volevo solo farti notare che con i dati corretti il generatore dovrebbe erogare solo potenza attiva:
P_g&=150 invece di P_g&=170-20j
Avatar utente
Foto UtentematteoDL
704 3 7
Expert
Expert
 
Messaggi: 310
Iscritto il: 26 feb 2012, 20:49

1
voti

[6] Re: Un altro esercizio in regime sinusoidale

Messaggioda Foto Utentelillo » 11 set 2012, 14:41

Atilivs ha scritto:utilizzando la formula N={1 \over 2}VI^*

come direbbe Foto UtenteRenzoDF un metodo molto H-demico... :mrgreen:
Avatar utente
Foto Utentelillo
20,5k 7 12 13
G.Master EY
G.Master EY
 
Messaggi: 4172
Iscritto il: 25 nov 2010, 11:30
Località: Nuovo Mondo


Torna a Elettrotecnica generale

Chi c’è in linea

Visitano il forum: Nessuno e 74 ospiti