Non sono scomparso, sto solo facendo pratica con FidocadJ per poter fare degli schemi ed essere più preciso nelle risposte. Ritorno presto
ciao
Tapis Roulant completamente spento
Moderatori:
carloc,
g.schgor,
BrunoValente,
IsidoroKZ
1
voti
0
voti
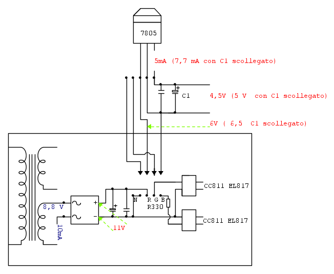
Sto cercando in tutti i modi di allegare uno schema FIDOCAD, ma viene sempre in questo modo che vedete , è corretto così o cosa devo fare, dove sbaglio
grazie
0
voti
Te l'ho corretto io. Per vedere come inserire lo schema tra i tag fcd basta che clicchi su "CITA".
"CC811 EL817": cosa rappresenta? Se lo avevi spiegato non ricordo.
"CC811 EL817": cosa rappresenta? Se lo avevi spiegato non ricordo.
0
voti
Grazie, ma non capisco ancora come fare per allegare lo schema in modo corretto, comunque con questo schema cercavo di dare risposta alle ultime domande di Candy , in particolare volevo mi si spiegasse come mai scollegando l' elettrolitico C1 la tensione aumenta di mezzo volt sia sul' input che sul' output del 7805.
Inoltre volevo proprio chiedere a voi cosa siano quei due componenti siglati CC811 EL817 che sembrano due IC a 4 piedini
Grazie ancora
Inoltre volevo proprio chiedere a voi cosa siano quei due componenti siglati CC811 EL817 che sembrano due IC a 4 piedini
Grazie ancora
0
voti
vittorino ha scritto:ma non capisco ancora come fare per allegare lo schema in modo corretto
http://www.electroyou.it/darwinne/wiki/fidocadj
Inoltre volevo proprio chiedere a voi cosa siano quei due componenti siglati CC811 EL817 che sembrano due IC a 4 piedini.
EL817.
0
voti
Per poter ripondere bisognerebbe capirlo meglio lo schema. Cosa c'è tra i (terminali?) RNGB? Da dove nasce il terminale su cui misuri 6V? Come è collegato col resto del mondo?
Ho un presentimento, ma non so... Non è che da qualche parte c'è una sorte di interruttore che non chiude più bene, e la tensione di 11V non raggiunge bene il terminale dove ne misuri solo 6? Se fai un ponte, con un conduttore, per breve tempo ta il punto dove misuri 11V ed il punto dove ne misuri 6V, cosa succede?
Ho un presentimento, ma non so... Non è che da qualche parte c'è una sorte di interruttore che non chiude più bene, e la tensione di 11V non raggiunge bene il terminale dove ne misuri solo 6? Se fai un ponte, con un conduttore, per breve tempo ta il punto dove misuri 11V ed il punto dove ne misuri 6V, cosa succede?
-

Candy
32,5k 7 10 13 - CRU - Account cancellato su Richiesta utente
- Messaggi: 10123
- Iscritto il: 14 giu 2010, 22:54
0
voti
Capisco che non ho osservato i canoni corretti per fare lo schema, comunque le frecce vogliono indicare che quei fili ( Nero, Rosso, Giallo e Bianco ) vanno a collegarsi ai terminali del connettore che vedi sotto NRGB.
Quindi il Rosso è collegato direttamente al positivo del raddrizzatore , mentre fra il Bianco ed il negativo del raddrizzatore c' é una resistenza da 330 Ohm ed il foto transistor EL 817.
Facendo il ponte, come mi hai suggerito, in modo da cortocircuitare sia il resistore che il foto transistor, la tensione sul' output del 7805 sale a 4,98 ed i LED e tutti i numeri dei display aumentano notevolmente di luminosità (dovrebbe essere questa la condizione di normale funzionamento, cioè con 5 V di alimentazione come prevede la taratura del 7805, ma possibile che debba cortocircuitare il resistore per ottenere questo ? Se è stato messo avrà bene una sua funzione).
Altra domanda: quei due foto transistor EL 817, possono servire a ricevere i segnali in infrarosso dalla consolle, anche se su questa non vedo però qualcosa che sembri un trasmettitore a infrarossi.
Guardate anche voi sulle foto precedenti
grazie
Quindi il Rosso è collegato direttamente al positivo del raddrizzatore , mentre fra il Bianco ed il negativo del raddrizzatore c' é una resistenza da 330 Ohm ed il foto transistor EL 817.
Facendo il ponte, come mi hai suggerito, in modo da cortocircuitare sia il resistore che il foto transistor, la tensione sul' output del 7805 sale a 4,98 ed i LED e tutti i numeri dei display aumentano notevolmente di luminosità (dovrebbe essere questa la condizione di normale funzionamento, cioè con 5 V di alimentazione come prevede la taratura del 7805, ma possibile che debba cortocircuitare il resistore per ottenere questo ? Se è stato messo avrà bene una sua funzione).
Altra domanda: quei due foto transistor EL 817, possono servire a ricevere i segnali in infrarosso dalla consolle, anche se su questa non vedo però qualcosa che sembri un trasmettitore a infrarossi.
Guardate anche voi sulle foto precedenti
grazie
0
voti
Ammesso di poterci fidare del tuo schema, una resistenza di 330R tra la centralina e lo 0V di riferimento sono tantissimi. Non ne vedo senso pratico. Una ipotetica corrente non inverosimile di 200 mA produrrebbe uba c.d.t. di 66V.
Sei realmente certo che siano 330ohm? O magari, non sia una resistenza 3R3?
Ma facendo i vari ponti, la centralina funziona?
Fai una foto di quei componenti. Quello che tu immagini essere una resistenza potrebbe essere un fusibile...
Però è anche strano che una simile centralina sia messa a 0V da un fotoaccoppiatore. Quelli standard hanno una corrente di collettore dell'ordine di 50mA.
I dubbi sono molti e tu non aiuti ad affrontarli, andandoti ad infilare inutilmente in vicoli ciechi.
Sei realmente certo che siano 330ohm? O magari, non sia una resistenza 3R3?
Ma facendo i vari ponti, la centralina funziona?
Fai una foto di quei componenti. Quello che tu immagini essere una resistenza potrebbe essere un fusibile...
Però è anche strano che una simile centralina sia messa a 0V da un fotoaccoppiatore. Quelli standard hanno una corrente di collettore dell'ordine di 50mA.
I dubbi sono molti e tu non aiuti ad affrontarli, andandoti ad infilare inutilmente in vicoli ciechi.
-

Candy
32,5k 7 10 13 - CRU - Account cancellato su Richiesta utente
- Messaggi: 10123
- Iscritto il: 14 giu 2010, 22:54
0
voti
Capisco che bisogna sempre dubitare , comunque la porzione di schema che ho disegnato ritengo sia corretta, le resistenze le conosco e conosco i codici colori ( nel ns. caso è arancio -arancio-marrone ) ho anche staccato la resistenza e l' ho misurata : 332 Ohm.
Ho altresì misurato la corrente che passa attraverso la resistenza : 15 mA.
Allego le foto dei due lati del circuito con evidenziate le aree che riguardano lo schema.
Facendo il ponte , come ho già detto, l' unica differenza è l' aumento della luminosità dei LED e dei Dispaly, nessun' altra differenza, cioè non vi è nessuna reazione della consolle premendo i vari tasti ( power, velocità , inclinazione ecc..), forse il problema del mezzo volt in meno non è il problema principale.
Sto pensando di provare a sostituire , se lo trovo, il grosso integrato siglato EM78P44SBPJ-G / O803HBJC081B6 , che vedete nelle prime foto e che per fortuna non è saldato.
Vale la pena?
PS: sono sempre in attesa che qualcuno azzardi un' idea di come la consolle trasmetta i comandi alla centralina alimentazione motori
Ho altresì misurato la corrente che passa attraverso la resistenza : 15 mA.
Allego le foto dei due lati del circuito con evidenziate le aree che riguardano lo schema.
Facendo il ponte , come ho già detto, l' unica differenza è l' aumento della luminosità dei LED e dei Dispaly, nessun' altra differenza, cioè non vi è nessuna reazione della consolle premendo i vari tasti ( power, velocità , inclinazione ecc..), forse il problema del mezzo volt in meno non è il problema principale.
Sto pensando di provare a sostituire , se lo trovo, il grosso integrato siglato EM78P44SBPJ-G / O803HBJC081B6 , che vedete nelle prime foto e che per fortuna non è saldato.
Vale la pena?
PS: sono sempre in attesa che qualcuno azzardi un' idea di come la consolle trasmetta i comandi alla centralina alimentazione motori
- Allegati
-
- P9102252pr.jpg (116.77 KiB) Osservato 5529 volte
-
- P8272238pr.jpg (155.47 KiB) Osservato 5529 volte
Chi c’è in linea
Visitano il forum: Nessuno e 184 ospiti

Elettrotecnica e non solo (admin)
Un gatto tra gli elettroni (IsidoroKZ)
Esperienza e simulazioni (g.schgor)
Moleskine di un idraulico (RenzoDF)
Il Blog di ElectroYou (webmaster)
Idee microcontrollate (TardoFreak)
PICcoli grandi PICMicro (Paolino)
Il blog elettrico di carloc (carloc)
DirtEYblooog (dirtydeeds)
Di tutto... un po' (jordan20)
AK47 (lillo)
Esperienze elettroniche (marco438)
Telecomunicazioni musicali (clavicordo)
Automazione ed Elettronica (gustavo)
Direttive per la sicurezza (ErnestoCappelletti)
EYnfo dall'Alaska (mir)
Apriamo il quadro! (attilio)
H7-25 (asdf)
Passione Elettrica (massimob)
Elettroni a spasso (guidob)
Bloguerra (guerra)



