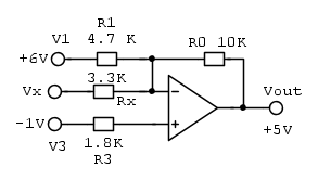
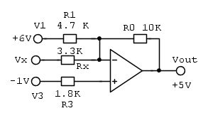
Testo dell'esercizio:
Con riferimento al circuito in figura,considerando l'amplificatore operazionale ideale,trovare la tensione
per cui la tensione di uscita all'amplificatore valga 
Richieste:
Quanto valgono in tali condizioni i valori delle correnti?
Soluzione da me proposta: (Quindi non garantisco la correttezza
poiché l'operazionale risulta essere ideale si ha che:

da cui:
da cui:
sostituendo:

da cui:
sostituendo:

si ha che:

Come soluzione risulta corretta o andava fatto in modo differente?

Elettrotecnica e non solo (admin)
Un gatto tra gli elettroni (IsidoroKZ)
Esperienza e simulazioni (g.schgor)
Moleskine di un idraulico (RenzoDF)
Il Blog di ElectroYou (webmaster)
Idee microcontrollate (TardoFreak)
PICcoli grandi PICMicro (Paolino)
Il blog elettrico di carloc (carloc)
DirtEYblooog (dirtydeeds)
Di tutto... un po' (jordan20)
AK47 (lillo)
Esperienze elettroniche (marco438)
Telecomunicazioni musicali (clavicordo)
Automazione ed Elettronica (gustavo)
Direttive per la sicurezza (ErnestoCappelletti)
EYnfo dall'Alaska (mir)
Apriamo il quadro! (attilio)
H7-25 (asdf)
Passione Elettrica (massimob)
Elettroni a spasso (guidob)
Bloguerra (guerra)




