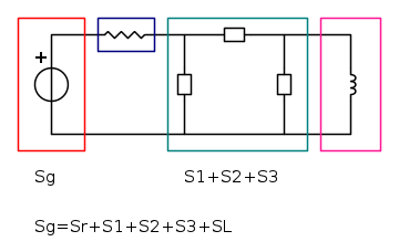
prova a scrivere sotto ogni blocco la potenza complessa associata, vedrai che poi è facile capire quanto valgono quelle incognite
Fatto ciò, potrai usare le due seguenti relazioni


per risolvere il problema.
Moderatori:
g.schgor,
IsidoroKZ






alex87alex ha scritto:Potrei ricavarmi la tensione erogata dal GIT dall'altra formula solo che come faccio ad esprimere il complesso coniugato di un'incognita?








Grazie ancora 


alex87alex ha scritto:Poi sappiamo che
Torna a Elettrotecnica generale
Visitano il forum: Nessuno e 130 ospiti