Visto l'enorme successo dell'altro 3d
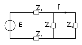
Abbiamo il seguente circuito in regime sinusoidale, di cui vogliamo calcolare il fasore E del generatore di tensione.
Abbiamo i seguenti dati

Per risolverlo mi sono dapprima calcolato la tensionde dell'impedenza 3.

A questo punto però mi blocco; ho provato a procedere in parecchi modi, applicando semplificazioni serie-parallelo, partitori di tensione, leggi di Kirchhoff, generatori equivalenti, ma niente da fare.
Chi riesce a darmi una mano??
Grazie mille in anticipo

Elettrotecnica e non solo (admin)
Un gatto tra gli elettroni (IsidoroKZ)
Esperienza e simulazioni (g.schgor)
Moleskine di un idraulico (RenzoDF)
Il Blog di ElectroYou (webmaster)
Idee microcontrollate (TardoFreak)
PICcoli grandi PICMicro (Paolino)
Il blog elettrico di carloc (carloc)
DirtEYblooog (dirtydeeds)
Di tutto... un po' (jordan20)
AK47 (lillo)
Esperienze elettroniche (marco438)
Telecomunicazioni musicali (clavicordo)
Automazione ed Elettronica (gustavo)
Direttive per la sicurezza (ErnestoCappelletti)
EYnfo dall'Alaska (mir)
Apriamo il quadro! (attilio)
H7-25 (asdf)
Passione Elettrica (massimob)
Elettroni a spasso (guidob)
Bloguerra (guerra)




a piacimento per il generatore, troveremo una Z3 (sbagliata), ora calcoliamo la P e la Q di questa Z3 (sbagliata).


e anche il fattore di potenza 




